Temp gauge goes from cool all the way over past the red mark?

Tiny
AUDREY HESTER
  • MEMBER
  • 2005 CHEVROLET CAVALIER
  • 4 CYL
  • 2WD
  • AUTOMATIC
  • 89,000 MILES
Temp gauge goes from cool all the way over past the red mark - even when engine is cold. Does not run hot, no odors, etc.
Thursday, April 24th, 2008 AT 12:04 PM

7 Replies

Tiny
DANNY L
  • MECHANIC
  • 5,648 POSTS
Hello, I'm Danny.

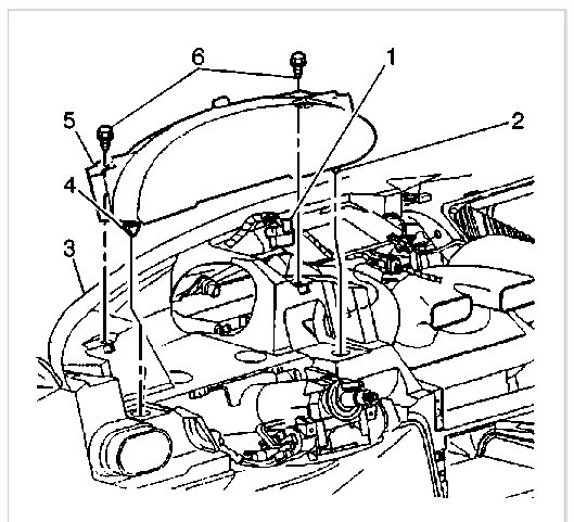
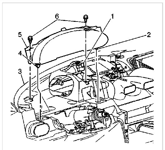
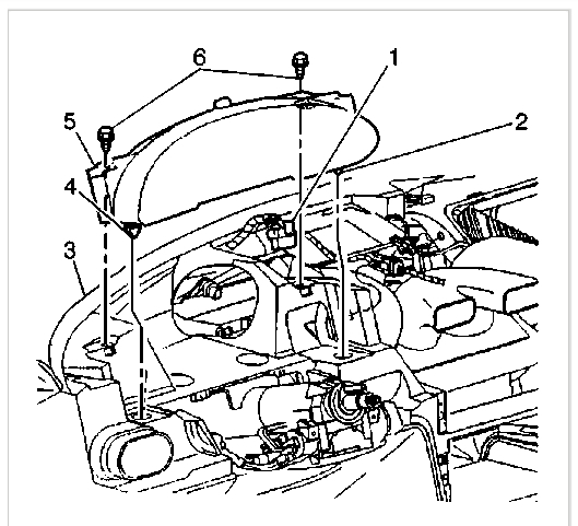
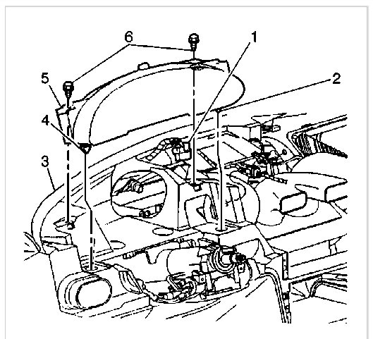
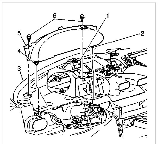
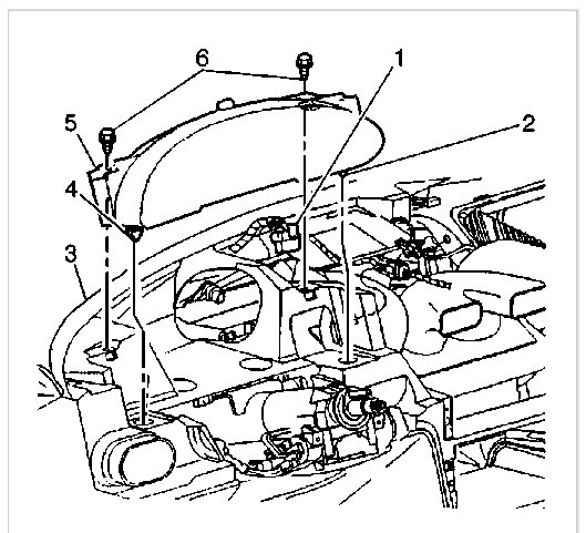
It sounds like the printed circuit board or the engine temperature the stepper motor in the cluster may be faulty in the cluster to be causing an abnormal reading since the car is otherwise running normally. I've attached picture steps below on how to remove and replace the trim to gain access to the cluster as well as remove and replace the cluster itself on your car. Some places like speedometer repair shops can fix instrument clusters. Hope this helps and thanks for using 2CarPros.
Was this
answer
helpful?
Yes
No
Wednesday, July 7th, 2021 AT 8:11 PM
Tiny
TJSK8BOARDZ
  • MEMBER
  • 12 POSTS
  • 1998 CHEVROLET CAVALIER
  • 225,000 MILES
I've tried replacing a coolant temp sensor but it still isn't working, I only get a reading within the first quarter on my gauge but hardly anything higher than that. I completely forgot to mention that my car has a manual override switch for the rad cooling fan, I guess the fan wasn't turning on by itself so someone put it in, now I was wondering if the way they wired it would affect the temp gauge? They bypassed everything the way they wired it in, they ran a wire from the switch to a random relay outside of the fuse box, then from that relay to the fuse box and from there they wired it to the cooling fan relay and fuse. Which I don't think makes any sense at all, but would that have an affect on my problem? Any ideas?
Was this
answer
helpful?
Yes
No
Thursday, July 8th, 2021 AT 10:23 AM (Merged)
Tiny
RASMATAZ
  • MECHANIC
  • 75,992 POSTS
-Test the thermostat-start here and then let me know
Was this
answer
helpful?
Yes
No
Thursday, July 8th, 2021 AT 10:23 AM (Merged)
Tiny
TJSK8BOARDZ
  • MEMBER
  • 12 POSTS
Already replaced that too, forgot to mention it earlier could it be the gauge?
Was this
answer
helpful?
Yes
No
Thursday, July 8th, 2021 AT 10:23 AM (Merged)
Tiny
RASMATAZ
  • MECHANIC
  • 75,992 POSTS
The fact that the gauge works but not correctly and you have already replaced the sensor it only leaves the gauge which is a common problem. I would replace the cluster with a used unit to see what happens.
Was this
answer
helpful?
Yes
No
Thursday, July 8th, 2021 AT 10:23 AM (Merged)
Tiny
TJSK8BOARDZ
  • MEMBER
  • 12 POSTS
Yes good call, I changed out the cluster now everything works great! Costs me $120.00 thanks I Iove this site.
Was this
answer
helpful?
Yes
No
-1
Thursday, July 8th, 2021 AT 10:23 AM (Merged)
Tiny
RASMATAZ
  • MECHANIC
  • 75,992 POSTS
Good to hear, please use 2CarPros anytime we are here to help.

Cheers
Was this
answer
helpful?
Yes
No
Thursday, July 8th, 2021 AT 10:23 AM (Merged)

Please login or register to post a reply.