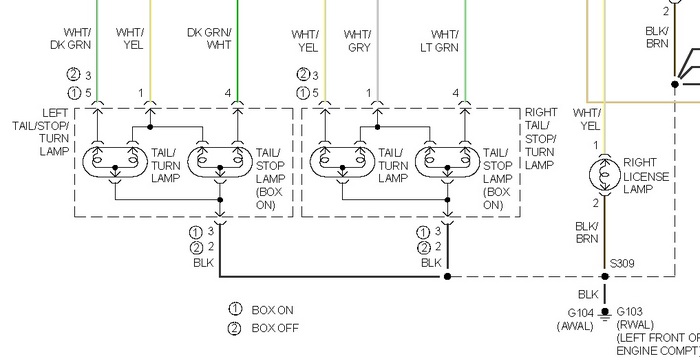
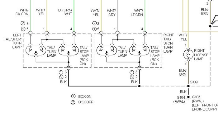
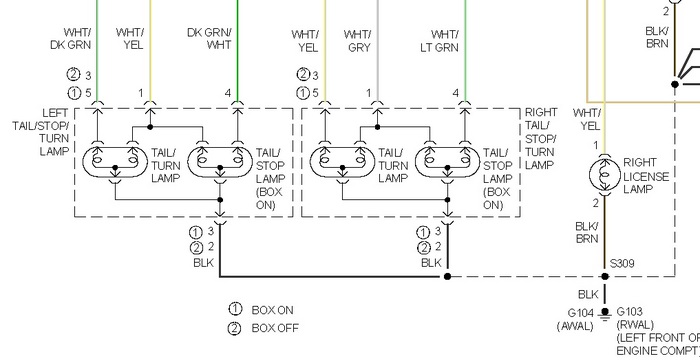
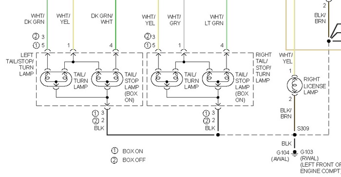
Monday, February 15th, 2010 AT 1:24 PM
I lowered my driver side window and now it wont go back up. It has happened in the past month but toggling the up/down button has always worked before. Now I hear a faint clicking in the door. My switch in behind the shifter on the console. I removed it to inspect it for a burnt smell or discoloration, it is fine. The passenger side works. Before I invest in a switch or relay or motor I thought you might be able to shed some light on this matter. Thank you, steve rossi

