Headlights fading

Tiny
J.SHIP
  • MEMBER
  • 1999 CHEVROLET CAVALIER
Electrical problem
1999 Chevy Cavalier 4 cyl Two Wheel Drive 122222 miles

when driving at night my headlights fade from bright to dim and back and forth. Same thing when high beams are on. Any suggestions?
Sunday, February 15th, 2009 AT 10:07 AM

1 Reply

Tiny
SQM
  • MECHANIC
  • 6,383 POSTS
Hello,

If you are noticing the headlight gets brighter as the engine revs up then it could be due to a bad alternator.
So checking the alternator should be a good first step.

Here is a guide on how to test the alternator:

https://www.2carpros.com/articles/how-to-check-a-car-alternator

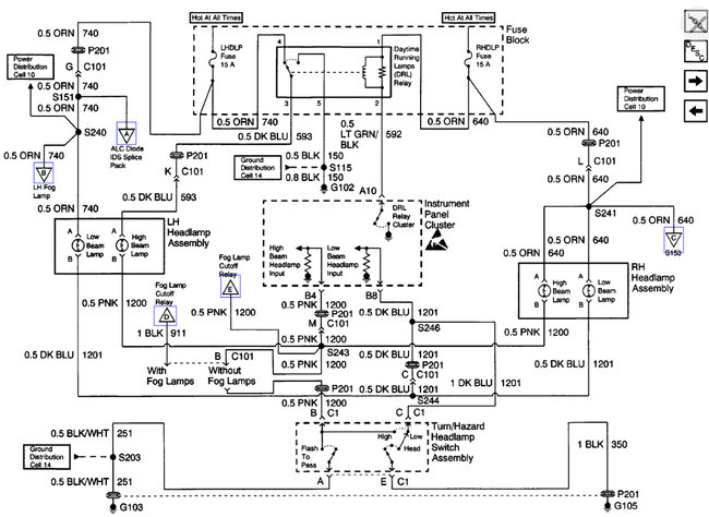
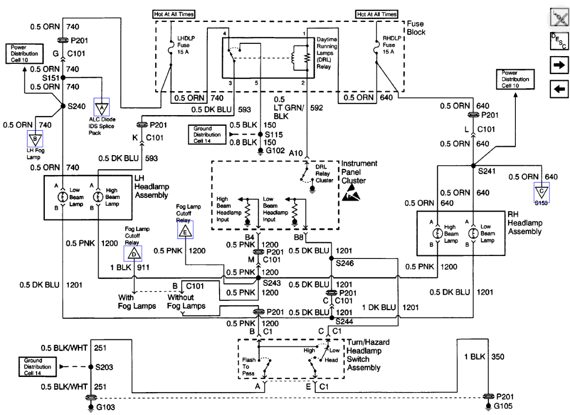
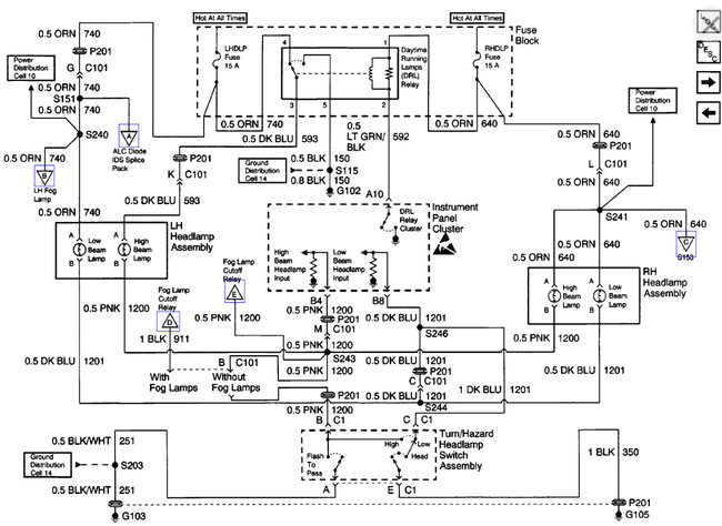
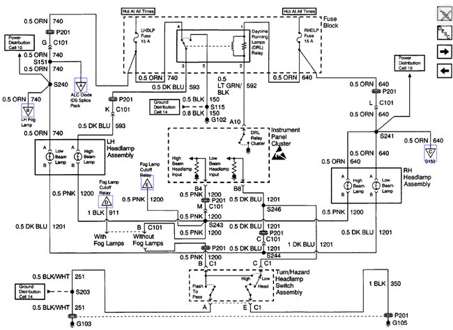
I have attached diagrams for your reference.

Please let me know if you have any questions.
Thank you.
Was this
answer
helpful?
Yes
No
Thursday, November 11th, 2021 AT 2:48 PM

Please login or register to post a reply.