1997 Chevy Cavalier 4 cyl Automatic
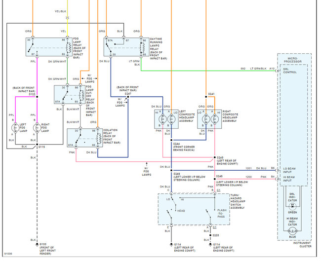
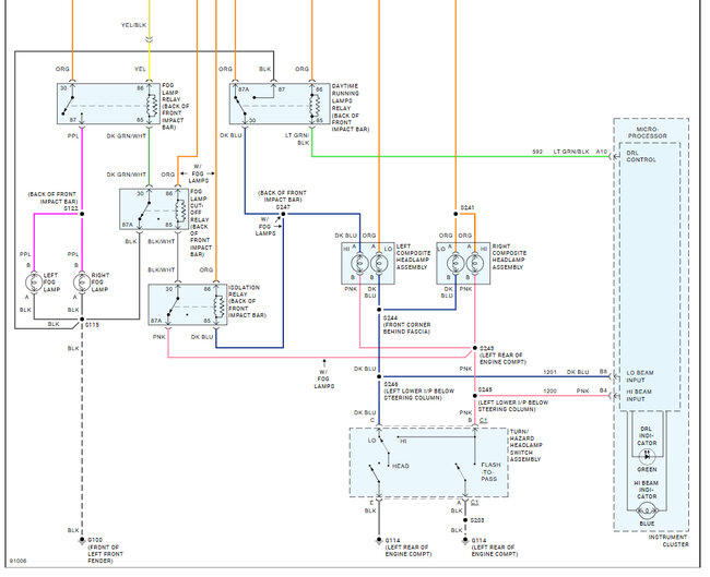
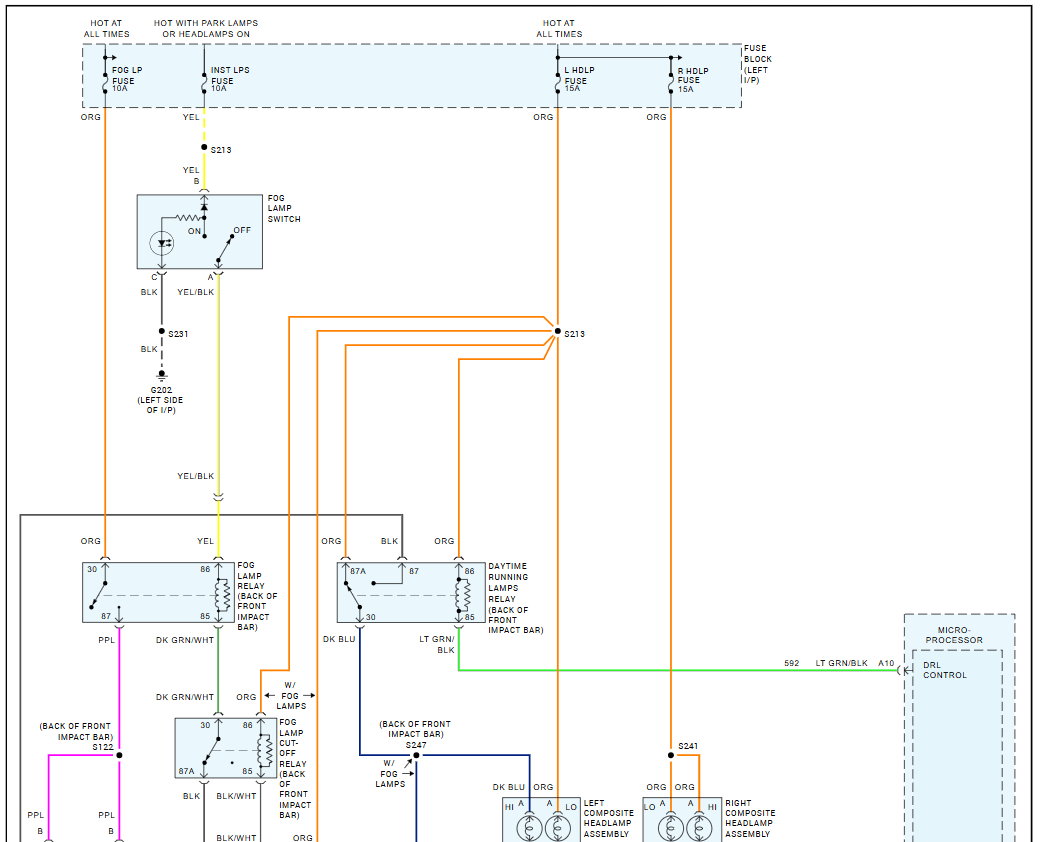
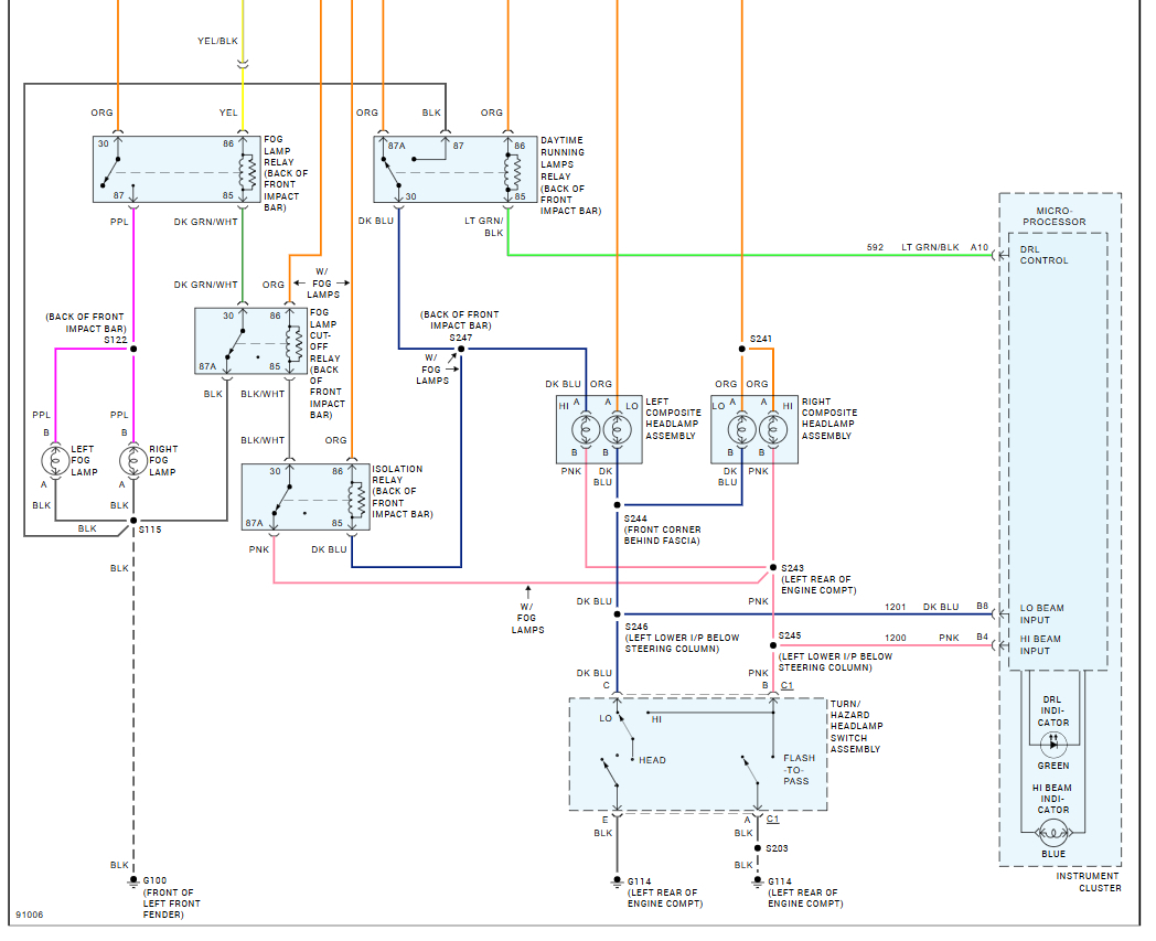
My driver side headlight doesnot work. There is power to the fuse box but none to the spot where you plug in the bulbs. Don't know if you have any ideas or DETAILED wiring diagrams. The ones we have found don't give any details. Thank you.
Friday, March 20th, 2009 AT 8:04 PM




