1999 Chevy Caprice Engine dies while driving, wont restart

Tiny
GTO JIM
  • MEMBER
  • 1999 CHEVROLET CAPRICE
  • V8
  • 2WD
  • AUTOMATIC
  • 50,000 MILES
I have a friend with a caprice that stalls. The problem started after she tried to jump start another car. She tells me that after she tried to jump the other car, hers would not start. She had it towed, and they replaced the fuel pump, claiming that she fried it. That fuel pump was replaced again 2 days later. That was about a month ago. She had said that it would drive, then hesitate as if it had no power, then stall, and not restart. After sitting a while it would then restart. She was driving it for about a month, then last night, same problem occured again. She also said that she had an O2 sensor trouble code as well after the initial occurance. The car is currently in a local rapair shop being looked at.

They checked the fuel pressure and delivery systems last time, and all checked out ok she said.

Any ideas?
Tuesday, April 28th, 2009 AT 10:17 AM

8 Replies

Tiny
JDL
  • MECHANIC
  • 16,098 POSTS
Hello, are you sure about the year-- model, none of my databases show a 99 caprice?

If she hooked-up the jumper cables wrong, the problem could be almost anything.

How about basic testing, have a helper crank the vehicle, check for spark at the plugs--injector pulse. The testing needs to be done while the problem is ongoing.
Was this
answer
helpful?
Yes
No
Tuesday, April 28th, 2009 AT 10:29 AM
Tiny
GTO JIM
  • MEMBER
  • 5 POSTS
It's a 94. She says she started it this morning, backed up the car, it stalled. She says she got it started again, got a surge of fuel she says, and then died again. Im afraid if it is electrical from the bad jump, electrical problems are a nightmare.
Was this
answer
helpful?
Yes
No
Tuesday, April 28th, 2009 AT 10:45 AM
Tiny
JDL
  • MECHANIC
  • 16,098 POSTS
Yeah, I agree with you about a possible bad jump. When it refuses to restart, she needs to check for spark at the plugs, with the vehicle cranking. If spark is ok, check fuel pressure, you need a gage for that.

It may be human nature, it seems if the vehicle dies going down the road, 9 out of 10 people think it is fuel related. Sometimes it is fuel related, sometimes it isn't. You just can't check a fuel issue without a gage.
Was this
answer
helpful?
Yes
No
Tuesday, April 28th, 2009 AT 11:22 AM
Tiny
GTO JIM
  • MEMBER
  • 5 POSTS
The shop she took it to checked fuel pressure last time and said it was good. I told her to have the injectors checked too. I had a late 80s Park Avenue that did similar things, and turned out the injectors were clogged. Could be spark too. I'm not in a position to try and diagnose it for her. My wife might think I was cheating or something helping a friend who's a girl. I hope her shop has a clue and can fix it right this time. Her boyfriend is clueless when it comes to cars.

That engine has an HEI distributor correct? Not the coil packs like the later LS engines. Could be the HEI module, plug wires, fouled plugs, coil going bad. Her charging system is ok, so that is good. Everything elese electrically works, so I agree it's likely somewhere in the spark system if it's not the injectors.

My 69 GTO did that when I flooded it, plugs got wet with gas, wouldn't start to save it's life.
Was this
answer
helpful?
Yes
No
Tuesday, April 28th, 2009 AT 12:08 PM
Tiny
JDL
  • MECHANIC
  • 16,098 POSTS
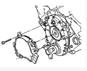
It looks like opti-spark ignition system. If the issue is intermittent, testing when everything is good, won't show anything. Testing has to be done, when the problem is ongoing. A good shop probably can't find anything unless the vehicle is acting-up, when tested.
Was this
answer
helpful?
Yes
No
Tuesday, April 28th, 2009 AT 4:17 PM
Tiny
GTO JIM
  • MEMBER
  • 5 POSTS
What the heck is Opti-Spark ignition. I've never heard of that one. Of course I'm more old school, points, HEI, then straight to coil packs on the LS series and my HEMI. Is that similar to the system that I've seen on Grand Nats, with a little black box that all the plug wires come off of?
Was this
answer
helpful?
Yes
No
Wednesday, April 29th, 2009 AT 7:57 AM
Tiny
JDL
  • MECHANIC
  • 16,098 POSTS


https://www.2carpros.com/forum/automotive_pictures/170934_optical_sensor_1.jpg




https://www.2carpros.com/forum/automotive_pictures/170934_optispark_distributor_1.jpg

Was this
answer
helpful?
Yes
No
Wednesday, April 29th, 2009 AT 10:29 AM
Tiny
GTO JIM
  • MEMBER
  • 5 POSTS
Turns out the problem was the fuel pump in the sending unit was shot, could be that the fuseable link fried when she jumped the car. The mechanic was trying to avoid replacing the sending unit becasue he told her it was an expensive part, and he wanted to save her money.

It is running now. Thanks for the info on the Optical Spark system. Learn something new every day.
Was this
answer
helpful?
Yes
No
Thursday, April 30th, 2009 AT 7:47 AM

Please login or register to post a reply.