Saturday, June 3rd, 2006 AT 12:35 AM
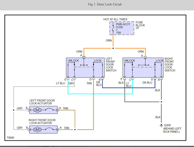
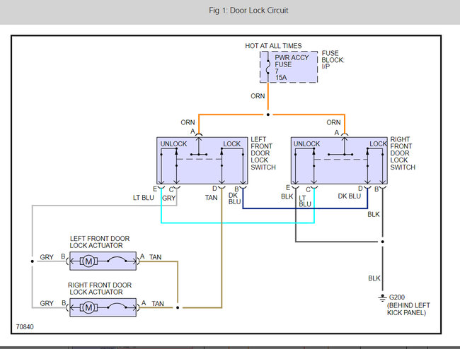
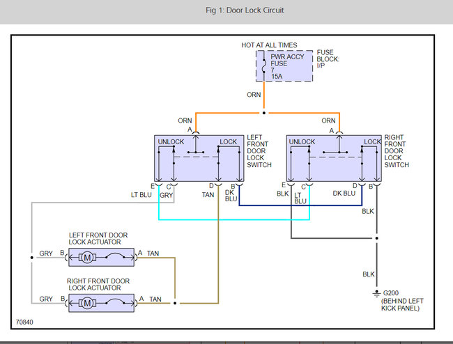
1994 Chevy Camaro Z28 92,000 miles. My power door locks don't work. I have replaced the switches and it still doesn't work. All fuses seem to be fine. Where is the relay for the power door locks?What could be the problem?

