Engine Coolant Thermostat Replacement (4.3 L)
Removal Procedure
Partially drain the cooling system. Refer to Cooling System Draining and Filling .
Remove the air cleaner outlet duct. Air Cleaner Outlet Resonator Replacement in Engine Controls - 4.3 L.
Remove the throttle body bracket nuts and reposition the bracket.
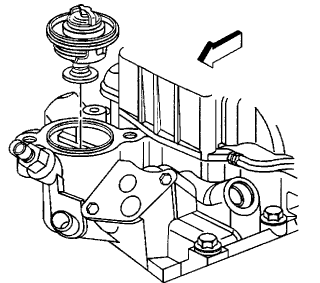
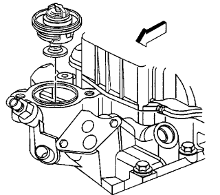
Remove the water outlet housing mounting bolts.
Remove the water outlet housing from the lower intake manifold and set aside.
Remove the gasket or O-ring.
Remove the thermostat.
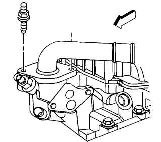
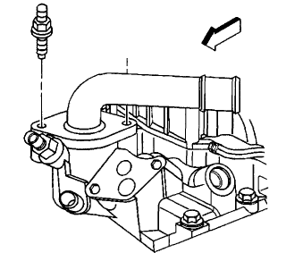
Clean all the sealing surfaces of the water outlet housing.
Clean the sealing surface on the lower intake manifold.
Installation Procedure
Important: In order to prevent leakage, thoroughly clean all parts and sealing surfaces.
Install the thermostat.
Install a new gasket or O-ring.
Install the water outlet housing to the lower intake manifold.
Notice: Use the correct fastener in the correct location. Replacement fasteners must be the correct part number for that application. Fasteners requiring replacement or fasteners requiring the use of thread locking compound or sealant are identified in the service procedure. Do not use paints, lubricants, or corrosion inhibitors on fasteners or fastener joint surfaces unless specified. These coatings affect fastener torque and joint clamping force and may damage the fastener. Use the correct tightening sequence and specifications when installing fasteners in order to avoid damage to parts and systems.
Install the water outlet housing mounting bolts.
Tighten
Tighten water outlet housing mounting bolts to 19 NÂ m (14 lb ft).
Install the throttle body bracket to the throttle body.
Install the throttle body bracket nuts.
Tighten
Tighten the throttle body bracket nuts to 10 NÂ m (89 in lb).
Fill the cooling system. Refer to Cooling System Draining and Filling .
Inspect for coollant leaks.




Friday, September 11th, 2020 AT 3:26 PM
(Merged)