The ABS module out?

Tiny
WYZZER
  • MEMBER
  • 2003 CHEVROLET BLAZER
I purchased this blazer with the ABS module out, I need to replace it can you help me please?
Monday, May 26th, 2008 AT 8:25 PM

1 Reply

Tiny
ASEMASTER6371
  • MECHANIC
  • 52,796 POSTS
Good afternoon,

I attached the procedure for you for the module. I also attached the wiring diagram of the system for you and specifically the module connector. This video shows the job being done on a similar car but the process is the same.

https://youtu.be/lUotkKXG9dY

and

https://www.2carpros.com/articles/how-to-replace-a-abs-controller

and

https://www.2carpros.com/articles/how-to-check-wiring

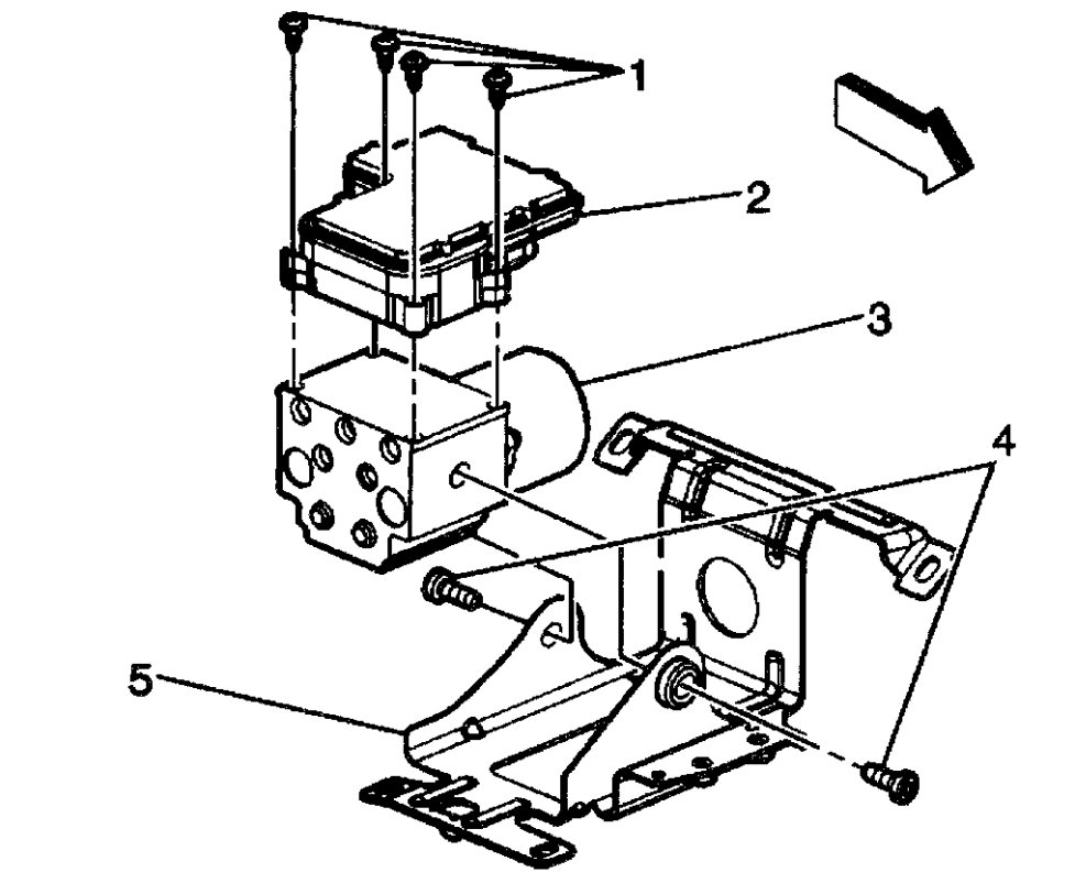
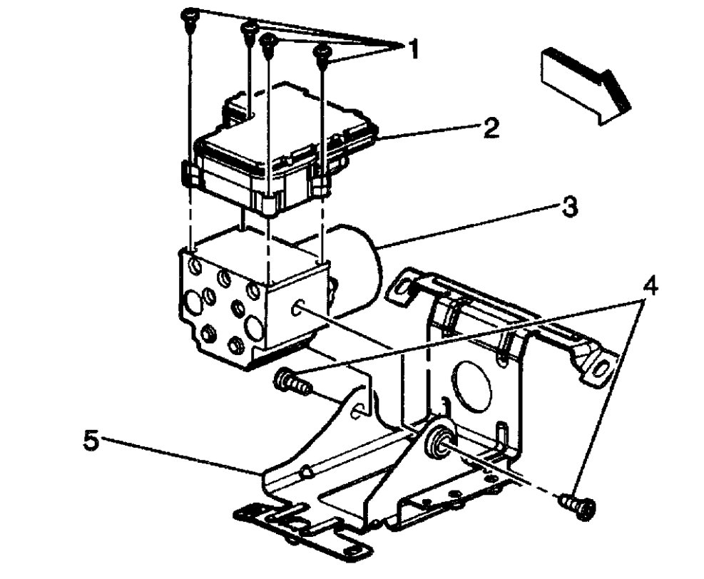
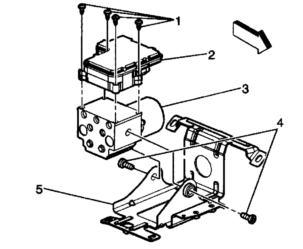
Electronic Brake Control Module (EBCM) Replacement

Removal Procedure

Important: After installation, calibrate the new EBCM to the tire size that is appropriate to the vehicle.

Important: Thoroughly wash all contaminants from around the EHCU. The area around the EHCU must be free from loose dirt to prevent contamination of disassembled ABS components.

imageOpen In New TabZoom/Print

1. Disconnect the electrical connectors from the EBCM (2).
2. Remove the four T 25-TORX mounting screws (1) that fasten the EBCM (2) to the BPMV (3).
3. Remove the EBCM (2) from the BPMV (3). Removal may require a light amount of force.

Important: Do not use a tool to pry the E13CM or the BPMV.

4. Clean the BPMV (3) to EBCM (2) mounting surfaces with a clean cloth.
Was this
answer
helpful?
Yes
No
Wednesday, March 17th, 2021 AT 3:04 PM

Please login or register to post a reply.