1996 Chevy Truck S10/T10 Blazer 4WD V6-4.3L VIN W
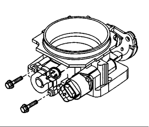
Throttle Position Sensor Electrical Connector



REMOVAL PROCEDURE:
1.Remove the electrical connector by releasing the locking tab.
2.Remove the 2 Throttle Position (TP) sensor attaching screw assemblies. CAUTION : The TP sensor is an electrical component. Do not soak it in any liquid cleaner or solvent because damage may result.
3.Remove the TP sensor from the throttle body assembly.
INSTALLATION PROCEDURE:
1.With the throttle valve closed, install the TP sensor on the throttle shaft. Rotate counterclockwise in order to align the mounting holes.
2.Install the 2 TP sensor attaching screw assemblies. Tighten
*Tighten the screw assemblies to 2.0 Nm (18.0 lb. in.) .
3.Install the electrical connector.
Friday, January 29th, 2010 AT 7:50 PM