HOME
ASK A QUESTION
REPAIR GUIDES
BECOME A MEMBER
LOG IN
Login with Facebook
OR
Remember me
NOT A MEMBER?
FORGOT PASSWORD?
CONTACT US
PRIVACY POLICY
TERMS AND CONDITIONS
☰
Home
Chevrolet
Blazer
Body
Mirror
Switch
1995 Chevy Blazer Power Mirrors
DANNYSWOLF
MEMBER
1995 CHEVROLET BLAZER
6 CYL
4WD
AUTOMATIC
100,150 MILES
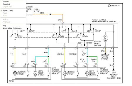
Hello: My power mirrors do not work. Can you supply me with a electrical drawing, and a switch pin out for the power mirrors?
Thank You
Saturday, October 2nd, 2010 AT 3:30 PM
1 Reply
HMAC300
MECHANIC
48,601 POSTS
First check your fuses and make sure your swithc is in the correct position. Here is your schematic......
Was this
answer
helpful?
Yes
No
Sunday, October 3rd, 2010 AT 6:27 PM
Please
login
or
register
to post a reply.
Related Mirror Switch Content
2002 Chevrolet Blazer Rear Window
The Rear Window Will Not Open
Asked by
ghoppy
·
3 ANSWERS
2002
CHEVROLET BLAZER
2001 Chevy Blazer Can't Open Back Window
The Button To Release My Back Window And The Keyed Button On The Back Does Not Release The Window. The Locking Mechanism Works And I Can...
Asked by
justin92
·
3 ANSWERS
2001
CHEVROLET BLAZER
Rear Window And Hatch
I Have A 1997 Chevy S10 Blazer, 4x4, Automatic, 4 Door With Rear Window And Hatch That Work With Key Button To Open Window Then Reach...
Asked by
tena
·
1 ANSWER
CHEVROLET BLAZER
Cann't Get Stater Out From Eng. & Frame
How Too Remove Stater From Eng. & Frame Of 1998 Chev. Blazer 4x4
Asked by
mikeritchie
·
5 ANSWERS
1 IMAGE
1998
CHEVROLET BLAZER
2001 Chevy Blazer Windsheild Wiper
One Of My Windsheild Wipers Are Slower Than The Other And They Get Tangled. How Do I Repair This? I Think The Slow One Is Going Out.
Asked by
jcjackson37
·
1 ANSWER
2001
CHEVROLET BLAZER
VIEW MORE
Ask a Car Question. It's Free!
Door Panel Removal
How to Use a Test Light