Fuel tank/replacing fuel pump

Tiny
SUNKAHLUA
  • MEMBER
  • 2002 CHEVROLET AVALANCHE
  • V8
  • 4WD
  • AUTOMATIC
  • 160,000 MILES
Trying to drop the fuel tank to replace Fuel pump. Is there an easy way to drop the fuel tank?
Saturday, June 26th, 2010 AT 2:50 PM

19 Replies

Tiny
JACOBANDNICKOLAS
  • MECHANIC
  • 110,192 POSTS
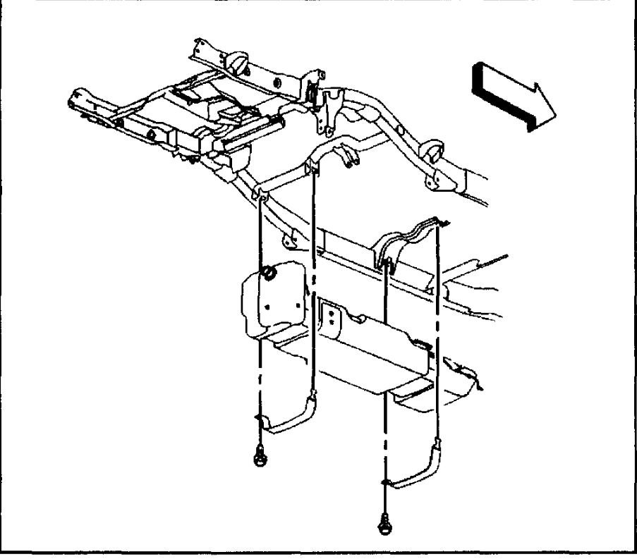
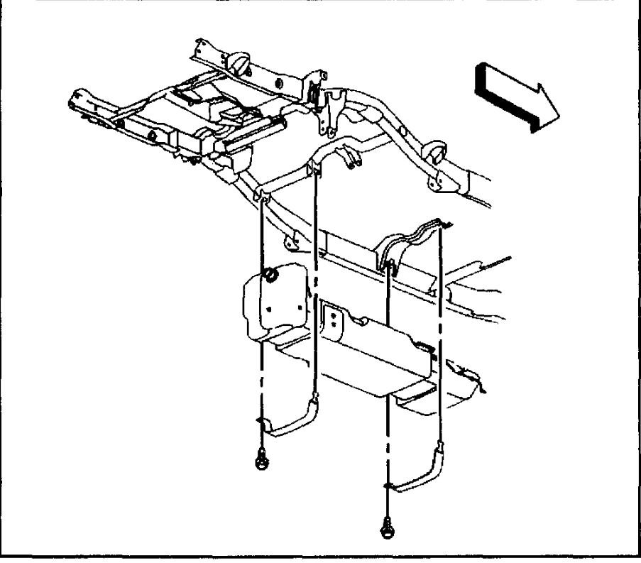
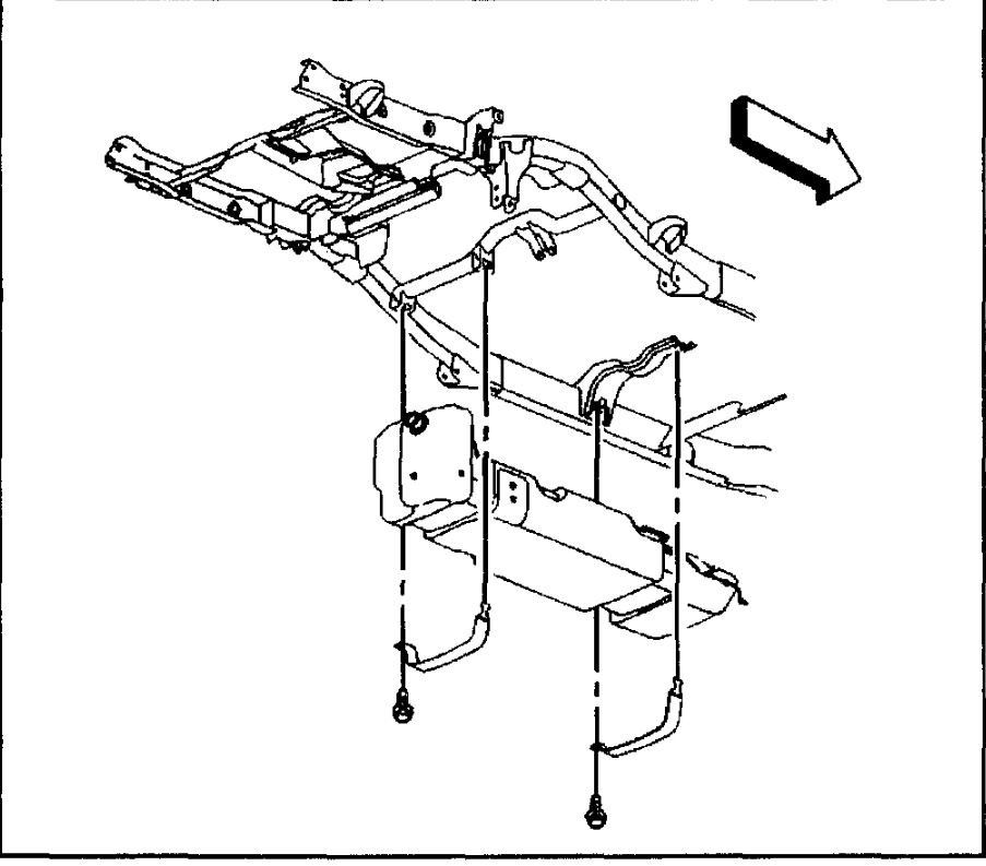
There is only one way to remove it. However, I would recommend having as little fuel in it as possible and use a jack to lower it. Protect the tank from the jack by using wood between the two.
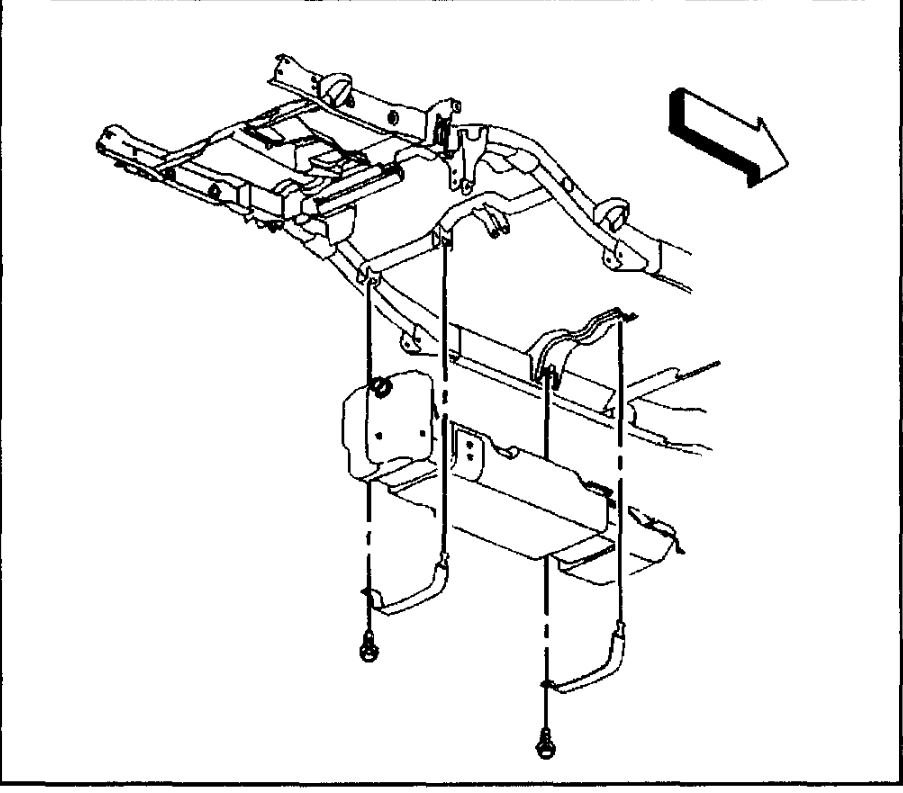
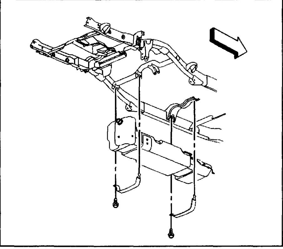
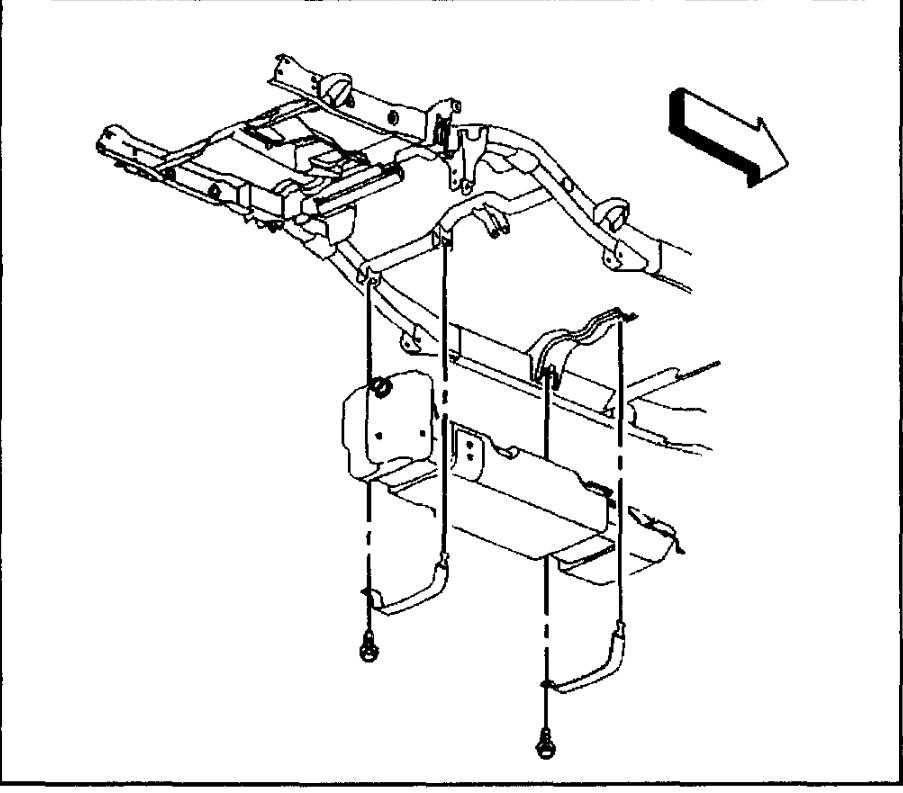
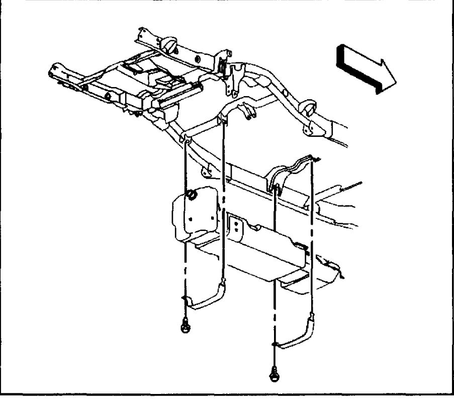
1. Relieve the fuel system pressure. Refer to the Fuel Pressure Relief Procedure.
2. Raise the vehicle. Refer to Lifting and Jacking the Vehicle.
3. Drain the fuel tank. Refer to Fuel Tank Draining Procedure (Utility Single Tank) or Fuel Tank Draining Procedure (Utility Dual Tank Front) or Fuel Tank Draining Procedure (Utility Dual Tank Rear).
4. Remove the evaporative emission (EVAP) canister.
5. Disconnect the chassis fuel pipes (2) at the fuel tank pipes (1).
6. Cap the fuel and EVAP pipes in order to prevent possible fuel system contamination.
7. Disconnect the EVAP vent pipe at the fuel tank clip (5).
8. Loosen the vent hose and filler hose clamp (4, 2).
9. Disconnect the vent hose and filler hose from the pipe.
10. With the aid of an assistant, support the fuel tank.

NOTE: Refer to Damage to Fuel Tank Straps Notice in Service Precautions.

11. Remove the fuel tank strap attaching bolts.
12. Remove the fuel tank straps.
13. Carefully lower the rear of the fuel tank slightly.
14. Remove the fuel sender cover on the Suburban only.
15. Disconnect the fuel sender and the fuel pressure sensor electrical connectors.
16. Remove the fuel tank.
17. Place the fuel tank in a suitable work area.
18. Remove the fuel feed and return pipes (3) from the fuel sender and the retaining clips.
19. Remove the fuel sender assembly from the fuel tank.
20. Remove the EVAP pipe from the fuel tank roll over valves (2, 4) and the retaining clips (1).
21. Remove the fuel fill hose and the vent hose from the fuel tank.

See diagrams below
Was this
answer
helpful?
Yes
No
+1
Saturday, July 10th, 2010 AT 10:50 PM
Tiny
S0CCERPR020
  • MEMBER
  • 3 POSTS
  • 2002 CHEVROLET AVALANCHE
  • 127,000 MILES
I have an 02 chevy avalanche and my truck started and drove about a block I turned it off went into the store and came out, I went to start it again and it started but sputtered then turned off, it did this about 5 times and still wont start
Was this
answer
helpful?
Yes
No
Wednesday, March 27th, 2019 AT 6:16 PM (Merged)
Tiny
FIXITMR
  • MECHANIC
  • 9,990 POSTS
Do you hear pump run for a few seconds (prime)when key is turned to on? Have you checked for spark/
Was this
answer
helpful?
Yes
No
+1
Wednesday, March 27th, 2019 AT 6:16 PM (Merged)
Tiny
CADIEMAN
  • MECHANIC
  • 3,544 POSTS
State the question better. Pl if its turning over and wont start. Remove the duct at the intake manifold. Pour fuel in intake. Does it start? Then come back.
Was this
answer
helpful?
Yes
No
Wednesday, March 27th, 2019 AT 6:16 PM (Merged)
Tiny
S0CCERPR020
  • MEMBER
  • 3 POSTS
I can hear a little something but not much and its not a constant thing
Was this
answer
helpful?
Yes
No
Wednesday, March 27th, 2019 AT 6:16 PM (Merged)
Tiny
S0CCERPR020
  • MEMBER
  • 3 POSTS
The car starts, but it just sputters when it does, then a few seconds go by and it turns off
Was this
answer
helpful?
Yes
No
Wednesday, March 27th, 2019 AT 6:16 PM (Merged)
Tiny
DILL-11
  • MEMBER
  • 126 POSTS
  • 2005 CHEVROLET AVALANCHE
  • 30,000 MILES
I need diagram how to plug the wires up on fuel level sensor on 2005 chevy alvalhance 5.3 there to wires on side of the sensor you have one hole to plug in and the other side you have two so which one do you use the first or the second one?
Was this
answer
helpful?
Yes
No
Wednesday, March 27th, 2019 AT 6:16 PM (Merged)
Tiny
CADIEMAN
  • MECHANIC
  • 3,544 POSTS
Youll need to do what we said!
Was this
answer
helpful?
Yes
No
Wednesday, March 27th, 2019 AT 6:16 PM (Merged)
Tiny
HMAC300
  • MECHANIC
  • 48,601 POSTS
Use plug hole b and c they are marked on the connector. The blue and black are for the sending unit. Pic included
Was this
answer
helpful?
Yes
No
-1
Wednesday, March 27th, 2019 AT 6:16 PM (Merged)
Tiny
FIXITMR
  • MECHANIC
  • 9,990 POSTS
Sounds like possible pump gone bad. Test fuel pressure and watch it when it quits.
Was this
answer
helpful?
Yes
No
Wednesday, March 27th, 2019 AT 6:16 PM (Merged)
Tiny
DILL-11
  • MEMBER
  • 126 POSTS
My sensor only have 1 at one hole 11 at the second hole 111 at the thrid hole these hole are were the wire plung into. Also my two wire are blue.
Was this
answer
helpful?
Yes
No
Wednesday, March 27th, 2019 AT 6:16 PM (Merged)
Tiny
HMAC300
  • MECHANIC
  • 48,601 POSTS
What I sent is thfor the proper year car you asked for. If it's different then it's the wrong year posted and the blue wires will be either light or dark blue or possibly green which all of those colors are posted in the diagram I sent.
Was this
answer
helpful?
Yes
No
-1
Wednesday, March 27th, 2019 AT 6:16 PM (Merged)
Tiny
DILL-11
  • MEMBER
  • 126 POSTS
Ok what I have is fuel pump that dodnot come with the fuel sensor so I put the old one on the pump which was working when I took it off but after I put it on the new pump the fuel gauge didnot work then I brought and new sensor still the gauge dont work. I just forgot to look at where the wire went.I have three holes and two wires. I have them side by side now still nothing.
Was this
answer
helpful?
Yes
No
Wednesday, March 27th, 2019 AT 6:16 PM (Merged)
Tiny
HMAC300
  • MECHANIC
  • 48,601 POSTS
The diagram I sent is correct for that model year. Are you sure it's a 2005? If the pump didn't com eon tha tis completely different from wha tyou first described. Have you check yoru relay an dfuse under hood? Your oil pressure switch and is the pcm tellin g the relay to workk? Check all that first before you just decide it' a fuel pump problem then take everything apart and don't know how to put it back togehter
Was this
answer
helpful?
Yes
No
-2
Wednesday, March 27th, 2019 AT 6:16 PM (Merged)
Tiny
DILL-11
  • MEMBER
  • 126 POSTS
Well I had a strating problem first so I done a fuel presure check it was not holding fuel presure so I pull the pump out and put one in and used the old lever sensor but didnot work so went ant brought a new one still same problem. Thank anyway.
Was this
answer
helpful?
Yes
No
-1
Wednesday, March 27th, 2019 AT 6:16 PM (Merged)
Tiny
DILL-11
  • MEMBER
  • 126 POSTS
Hey I got it back together still not working getting code p0463
Was this
answer
helpful?
Yes
No
-1
Wednesday, March 27th, 2019 AT 6:16 PM (Merged)
Tiny
HMAC300
  • MECHANIC
  • 48,601 POSTS
You need a pro model scan tool to fix this. The voltage is high going to the fuel sender and the scan toold needs to do some stuff you can't to fix it.
Was this
answer
helpful?
Yes
No
-2
Wednesday, March 27th, 2019 AT 6:16 PM (Merged)
Tiny
TREY LUIS
  • MEMBER
  • 1 POST
I have same exact issue. Did you figure it out. Thanks
Was this
answer
helpful?
Yes
No
-1
Wednesday, March 27th, 2019 AT 6:16 PM (Merged)
Tiny
HMAC300
  • MECHANIC
  • 48,601 POSTS
Read the last reply and in the future post in posting area not a reply from one of us.
Was this
answer
helpful?
Yes
No
-1
Wednesday, March 27th, 2019 AT 6:16 PM (Merged)

Please login or register to post a reply.