Wednesday, September 22nd, 2010 AT 8:39 PM
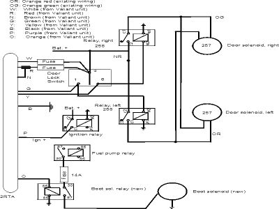
Front doors will not lock with keyless remote nor with the interior electric lock but the side door and dutch doors lock fine.



