REMOVAL PROCEDURE
1.Relieve the fuel system pressure. Refer to Fuel Pressure Relief Procedure in Computers and Control Systems.

2.Remove the upper intake manifold assembly.
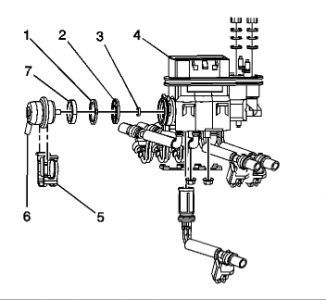
3.Remove the fuel pressure regulator retainer clip (5).
4.Pull and twist the fuel pressure regulator (6) in order to remove the fuel pressure regulator from the fuel pressure regulator housing using a shop towel to catch any spilled fuel.
5.Remove the regulator seal lower O-ring (3).
6.Remove the regulator assembly filter (2).
7.Remove the regulator seal upper O-ring (1).
8.Remove the regulator seal backup ring (7).
9.Discard the O-rings.
INSTALLATION PROCEDURE
*IMPORTANT: If the fuel pressure regulator is to be reinstalled, inspect the filter screen for contamination. If the filter screen is contaminated, replace the regulator.

1.Lubricate the new O-rings with clean engine oil.
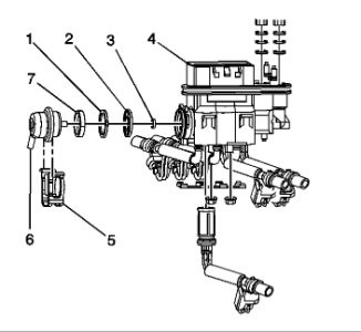
2.Install the regulator seal backup ring (7).
3.Install the regulator seal upper O-ring (1).
4.Install the regulator assembly filter (2).
5.Install the regulator seal lower O-ring (3).
6.Assemble the regulator (6) with the vacuum tube pointing down into the regulator retainer clip.
7.Install the fuel pressure regulator retainer clip (5).
8.Install the upper manifold assembly.
9.Connect the negative battery cable.
10.Inspect for leaks.
*10.1. Turn ON the ignition, with the engine OFF, for 2 seconds .
*10.2. Turn OFF the ignition for 10 seconds .
*10.3. Turn ON the ignition, with the engine OFF.
*10.4. Inspect for fuel leaks.
11.Install the engine cover.
Wednesday, January 13th, 2010 AT 5:59 AM