Check engine light on reset back on after a few miles?

Tiny
FRED GLASS
  • MEMBER
  • 2006 MERCURY GRAND MARQUIS
  • 69,000 MILES
Trouble code on code p0108 changed masa airflow sensor because this car does not have a MAP senser. The check engine light still comes on after a reset. What should I do next? I also replaced air filter.
Tuesday, March 7th, 2023 AT 7:26 AM

2 Replies

Tiny
FRED GLASS
  • MEMBER
  • 2 POSTS
Do not want rollin Iwrench I want advise
Was this
answer
helpful?
Yes
No
Tuesday, March 7th, 2023 AT 7:55 AM
Tiny
CARADIODOC
  • MECHANIC
  • 34,489 POSTS
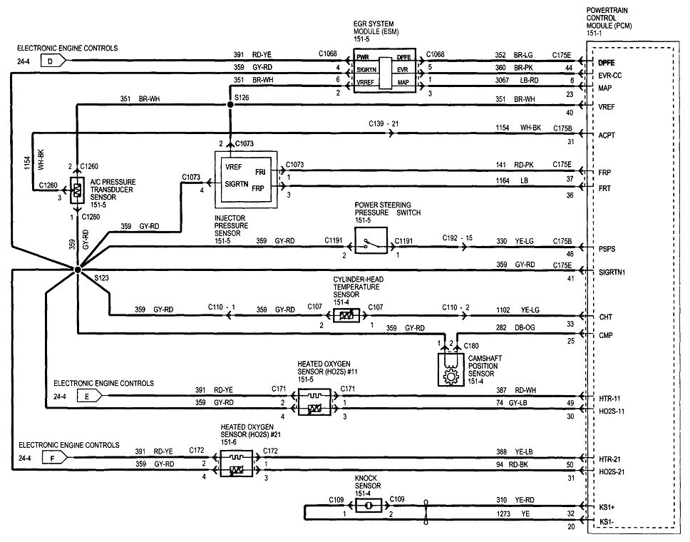
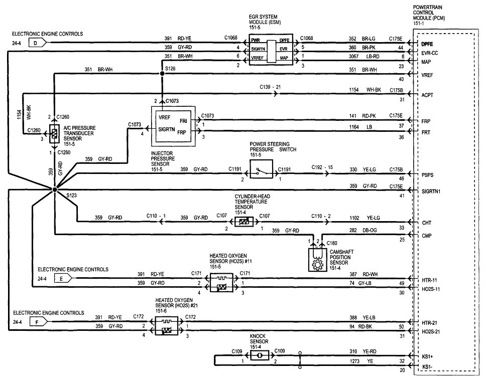
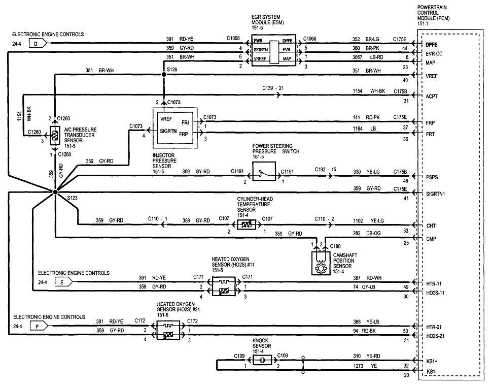
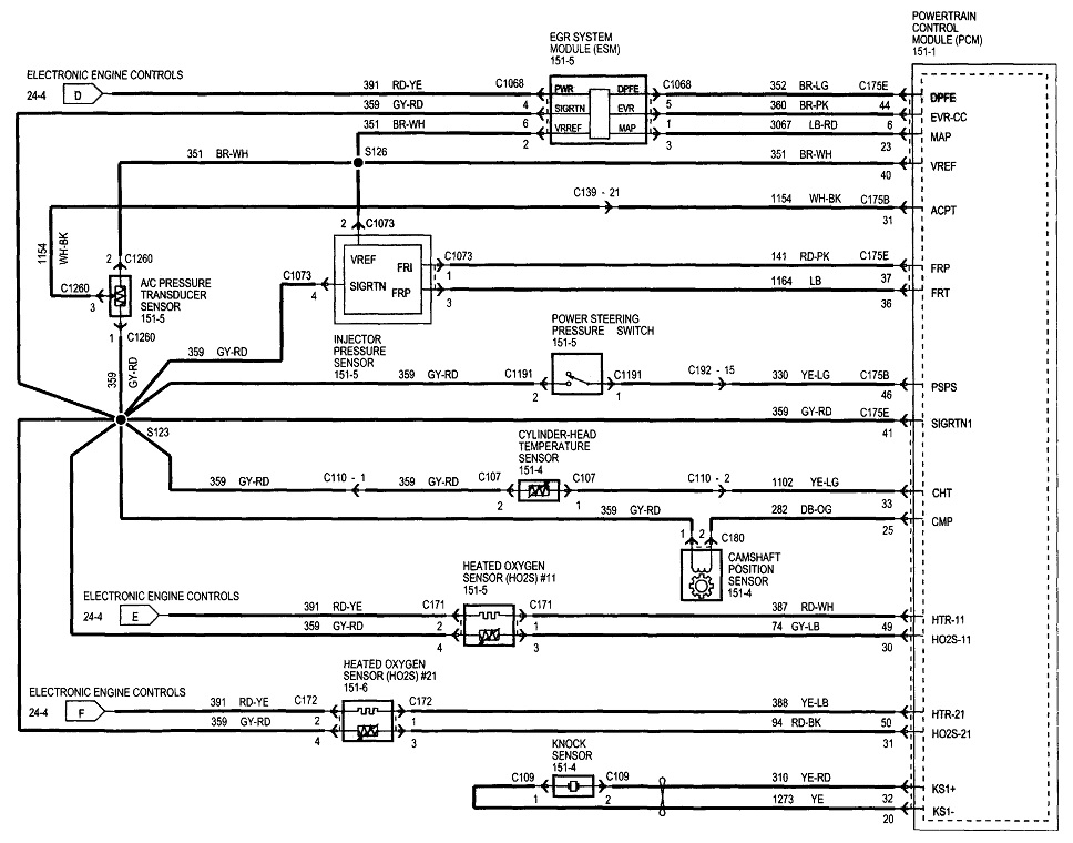
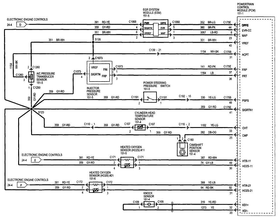
The MAP sensor is built into the EGR module. I added the third diagram as an expanded view to try to make it easier to read.

Be aware diagnostic fault codes never say to replace a part or that one is bad. They only indicate the circuit or system that needs further diagnosis. When a part is referenced in a fault code, that part is the cause of the code only about half of the time. First we have to rule out wiring and connector terminal problems, and mechanical problems associated with that part.

Some diagnostic charts can be up to 33 pages long. Ford didn't offer quite that much for you to read. The fifth image is of the diagnostic chart for P0108.

If any of these are too hard to read, you can copy them into a typing program such as MS Word where they can be expanded, or let me know which ones you need and I can cut them into pieces that I can expand for you.
Was this
answer
helpful?
Yes
No
Tuesday, March 7th, 2023 AT 5:43 PM

Please login or register to post a reply.