Code P1406 and check engine light on?

Tiny
SARAHLUU
  • MEMBER
  • 1996 CHEVROLET S-10
  • 4.3L
  • 6 CYL
  • AUTOMATIC
  • 175,000 MILES
Reads p1406 error code.
Wednesday, November 30th, 2022 AT 2:22 PM

1 Reply

Tiny
JACOBANDNICKOLAS
  • MECHANIC
  • 110,192 POSTS
Hi,

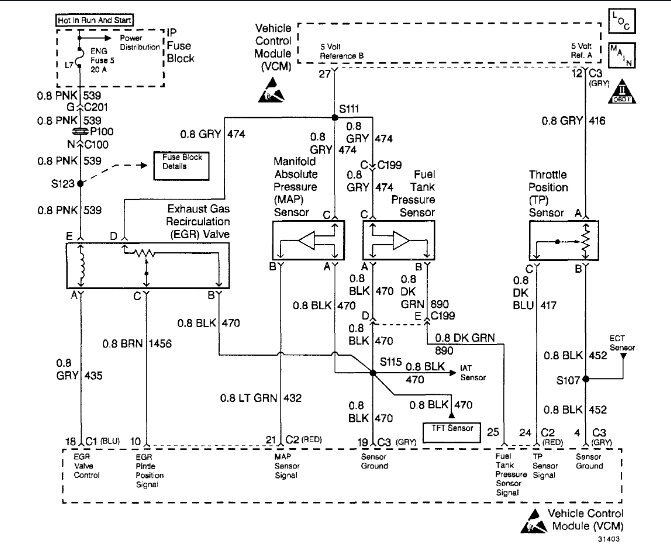
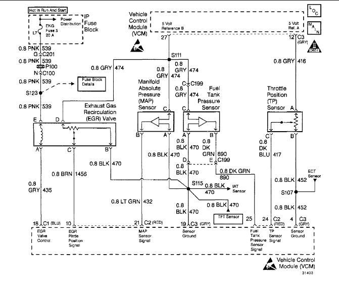
The code is related to the positioning of the pintle valve in the EGR. Have you checked to make sure the pintle is closing fully?

I attached the diagnostics below. Take a look through them and let me know if you are comfortable performing them.

Let me know if this helps or if you have questions.

Take care,

Joe

See pics below.
Was this
answer
helpful?
Yes
No
Wednesday, November 30th, 2022 AT 9:32 PM

Please login or register to post a reply.