Check engine light

2008 DODGE CALIBER
123,000 MILES • 2.0L • 4 CYL • 2WD • AUTOMATIC
Avatar
JIM TOTMAN
  • MEMBER
  • 3 POSTS
scanner will not power up to read codes.
Dec 20, 2017 at 5:33 AM
Advertisement
Repair Safety Notice: This information is for general instructional purposes only. Vehicle repair can be dangerous. Verify all information, follow manufacturer service procedures, use proper tools and safety equipment, and consult a qualified repair shop when needed.
Avatar
STRAILER
  • AUTOMOTIVE REPAIR CONTRIBUTOR
  • 54,145 POSTS
Hello,


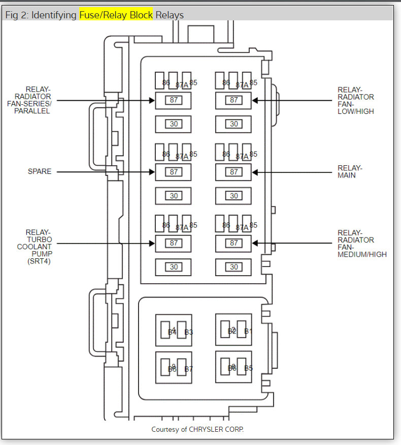
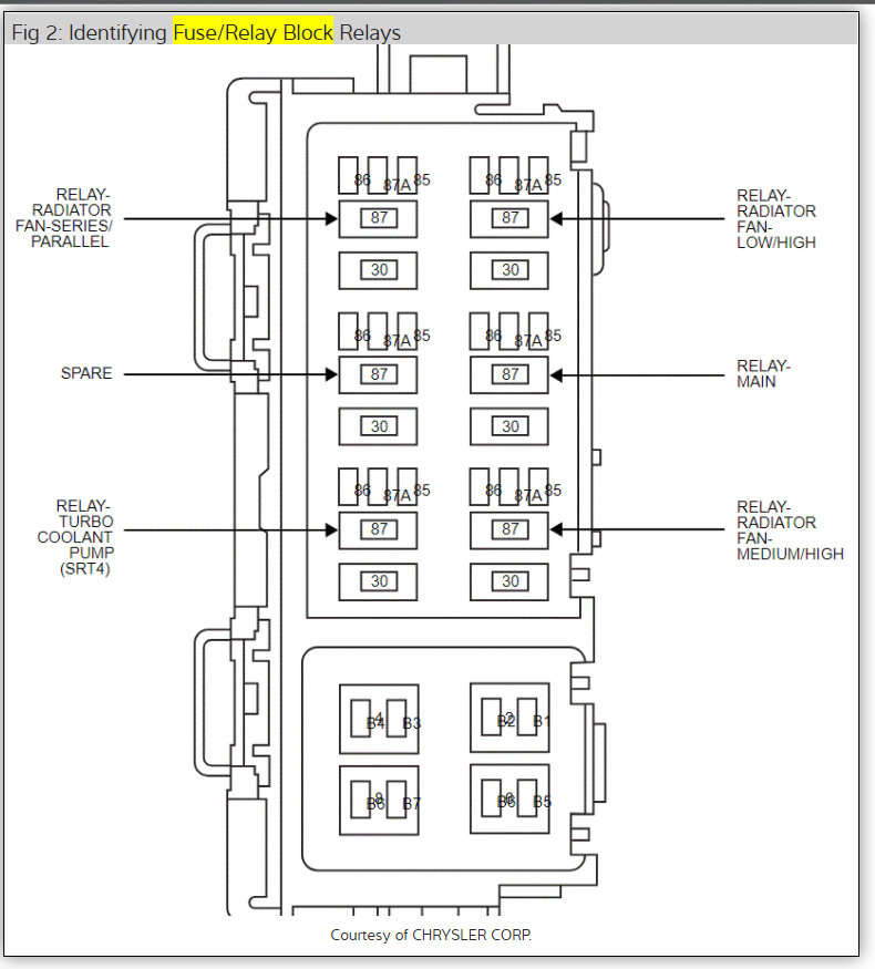
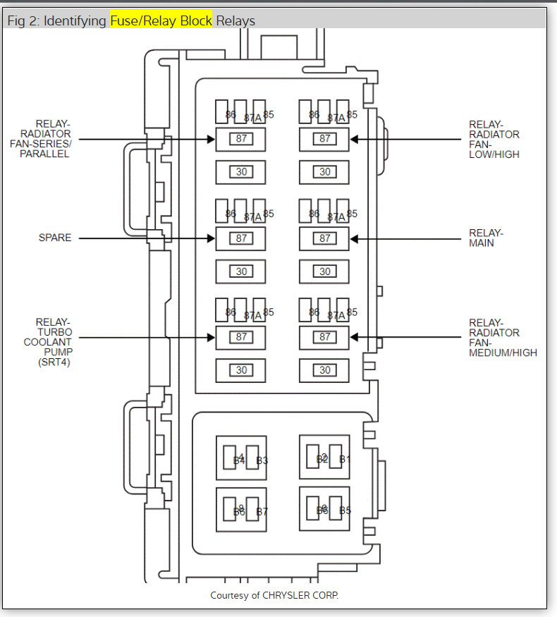
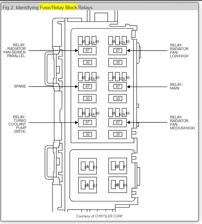
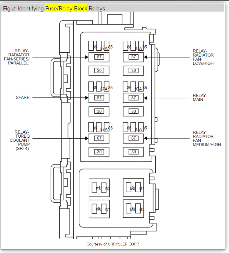
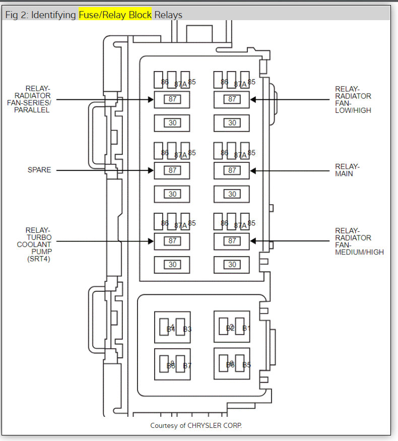
Please check fuse #33 10 amp which powers the ALDL connector.

Here is a guide and the fuse panel and wiring diagrams for the circuit:

https://www.2carpros.com/articles/how-to-check-a-car-fuse

Check out the diagrams (below).

Please run some tests and get back to us.

Cheers, Ken
Dec 21, 2017 at 10:31 AM