Check engine and check VSC system warning lights, code 0420

Tiny
BAZZELL247
  • MEMBER
  • 2007 TOYOTA CAMRY
  • 3.2L
  • V6
  • AUTOMATIC
  • 166,900 MILES
My check engine light came on and the check PSC system with the car with the skid marks behind it and it has a code of 0420 all at the same time. The car listed above is an XLE.
Saturday, July 31st, 2021 AT 6:34 PM

3 Replies

Tiny
SQM
  • MECHANIC
  • 6,383 POSTS
Hello,

The code P0420 is a Oxygen sensor code for your car.

DTC P0420 Catalyst System Efficiency Below Threshold (Bank 1)

That code should not trigger the VSC error.

https://www.2carpros.com/articles/how-an-oxygen-sensor-works
https://www.2carpros.com/articles/how-to-test-an-oxygen-sensor-02-sensor

Here are some of the reason for that code:
Heated Oxygen (HO2S) Sensor 2
Heated Oxygen (HO2S) Sensor Bank 1 Sensor 2
Exhaust Front Pipe - Three Way Catalytic Converter (TWC) Rear Catalyst
Exhaust Manifold Converter Sub-Assembly - Three Way Catalytic Converter (TWC) Front Catalyst
Exhaust Manifold Sub-Assembly (Right) Three Way Catalytic Converter (TWC) Front Catalyst
Front Exhaust Pipe - Three Way Catalytic Converter (TWC) Rear Catalyst
Gas Leak From Exhaust System

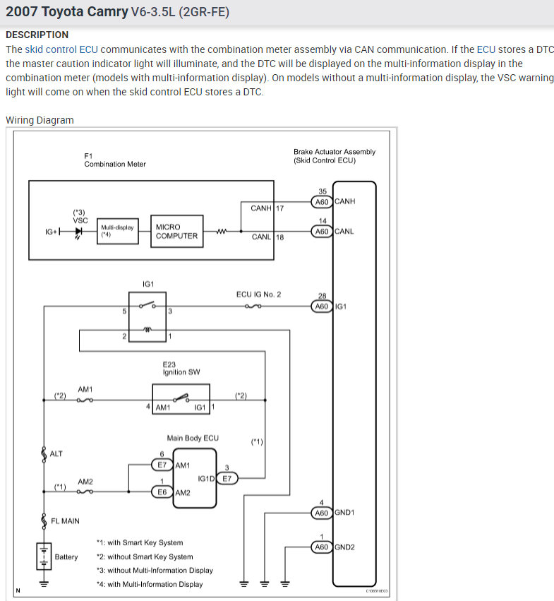
I have attached the basic VSC error diagnostics for your reference.
VSC malfunction what triggered the traction control light.

Please keep in mind if the VSC needs to be programmed it will require special scanner.

Please let me know if you have any questions.

Thank you.
Was this
answer
helpful?
Yes
No
Saturday, July 31st, 2021 AT 9:07 PM
Tiny
BAZZELL247
  • MEMBER
  • 7 POSTS
Thank you for responding, I am not sure what triggered the VSC light it came on the same time as the check engine light. It is off when I crank the car but as soon as I put it in drive it comes on again.
Was this
answer
helpful?
Yes
No
Wednesday, August 4th, 2021 AT 5:15 AM
Tiny
SQM
  • MECHANIC
  • 6,383 POSTS
According to Toyota sometimes the engine light with the P0420 code it will trigger the VSC light and traction control light.
So the first step would be to get the engine light issue taken care off then clear the codes. Drive for few miles to see if it comes back on.

https://youtu.be/ahK_eucFi-k

Let me know if you have any questions.

Thank you.
Was this
answer
helpful?
Yes
No
Wednesday, August 4th, 2021 AT 11:27 AM

Please login or register to post a reply.