Thursday, October 22nd, 2020 AT 10:33 PM
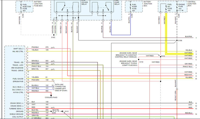
I went to my mechanic due to a check engine light that came on. So here’s what he told me: he told me that the intake runner was bad, he told me that he had contacted the dealership for the part but told me that they no longer manufacture the part, (he told me he looked around the internet) that it was no longer made, he told me that the part had to be brand new and could not be in used condition because a used one would be no point? I’m wondering if what he told is accurate and true? He told me it would not pass smog due to the light being on? So I’m wondering if there’s any possible fix to this? Is there anything I could do? I added some pics of what I’m guessing the part is or looks like, the trouble code is P1132.















