Check charging system issue?

Tiny
DARRYLDOUGLAS51
  • MEMBER
  • 2007 FORD FIVE HUNDRED
  • 200,000 MILES
Put on 3 alternators, a brand-new battery and starter. And the battery light keeps coming on telling me to check the charging system.
Saturday, October 5th, 2024 AT 4:46 PM

1 Reply

Tiny
JACOBANDNICKOLAS
  • MECHANIC
  • 110,194 POSTS
Hi,

Is the battery staying charged or does it get weak? If that is the case, I need you to check something for me,

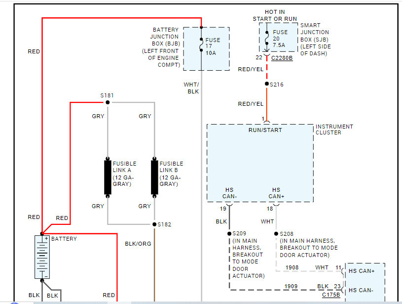
At the alternator, you will find a black wire with an orange tracer and a white wire with a black tracer. Both of these wires should have power at all times. I need you to confirm they do.

I attached the charging system wiring schematic below so that you would have a reference. I highlighted the two wires I am referring to.

Let me know what you find.

Joe

See pics below. Note: I had to cut the pic in half to make it readable.
Was this
answer
helpful?
Yes
No
Saturday, October 5th, 2024 AT 8:39 PM

Please login or register to post a reply.