How to replace the alternator

Tiny
XBIRIS
  • MEMBER
  • 2007 FORD FIVE HUNDRED
  • 48,800 MILES
I've found few helpful suggestions online, some far from logical. I'm hoping you guys can provide me with a bit of your wisdom. I have a decent degree of knowledge / experience in automotive maintenance & repair. The confined work space of this job is driving me towards a padded room! Any help would be greatly appreciated.
Thanks!
Saturday, December 10th, 2011 AT 3:04 PM

4 Replies

Tiny
HMAC300
  • MECHANIC
  • 48,601 POSTS
6. Remove the lower generator boot pin type retainer,  fold the boot upward and disconnect the generator electrical connector

7. With the generator boot folded upward,  position the protective cover aside and remove the generator B+ nut and terminal.
? To install,  tighten to 8 Nm (71 lb in).

8. NOTE: The 3 generator studs and nuts may be replaced with 3 bolts (W709986 S437) to ease the installation of the gener

Remove the 3 generator nuts and stud bolts.
? To install,  tighten the generator stud bolts to 8 Nm (71 lb in).
? To install,  tighten the new generator bolts or generator nuts to 47 Nm (35 lb ft).

9. Remove the generator shield from the generator.

0. Remove the generator.

1. To install,  reverse the removal procedure.
I have sent a couple of pics along some of the instructions are on those.
Was this
answer
helpful?
Yes
No
+2
Saturday, December 10th, 2011 AT 3:11 PM
Tiny
EMMA GUTHRIE
  • MEMBER
  • 1 POST
  • 2005 FORD FIVE HUNDRED
  • 3.0L
  • 6 CYL
  • FWD
  • AUTOMATIC
  • 307,000 MILES
We have replaced the alternator four going on five times now in which three occurred in the last two months. I have replaced the crank shaft sensor an wiring to the sensor. I have a good fully charged battery but drive the car for awhile maybe hour an battery light is on. When the second alternator went out I thought it was strange had it two years. Then kept having same problem bad alternator changed it same problem voltage regulator out changed it it would not start. Checked crank shaft sensor it was bad replaced it plus the wiring to it since had bare wires. Checked battery its good. So car runs okay for an hour or so light comes back on soon battery dead. Charge it test battery an alternator an voltage regulator out. An I had that alternator tested before we installed it. Tested fine. Any suggestions as to what could be causing the battery to not charge? Also, when it does run it runs really rough. I have checked the fuses and relays an no issues there so far. No corrosion on battery. Plug on alternator is connected an good. But battery is not charging at all.
Was this
answer
helpful?
Yes
No
Thursday, November 21st, 2019 AT 5:40 PM (Merged)
Tiny
HMAC300
  • MECHANIC
  • 48,601 POSTS
Hello,

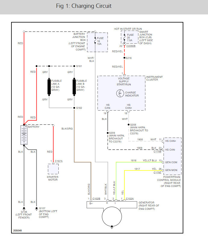
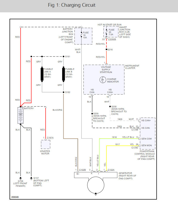
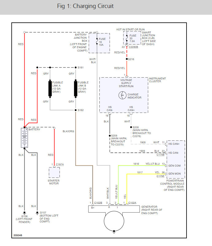
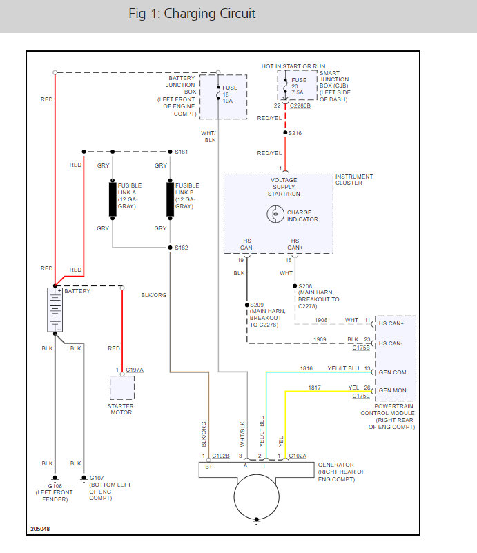
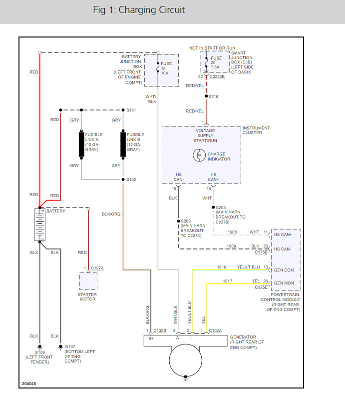
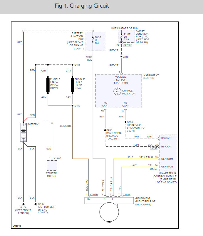
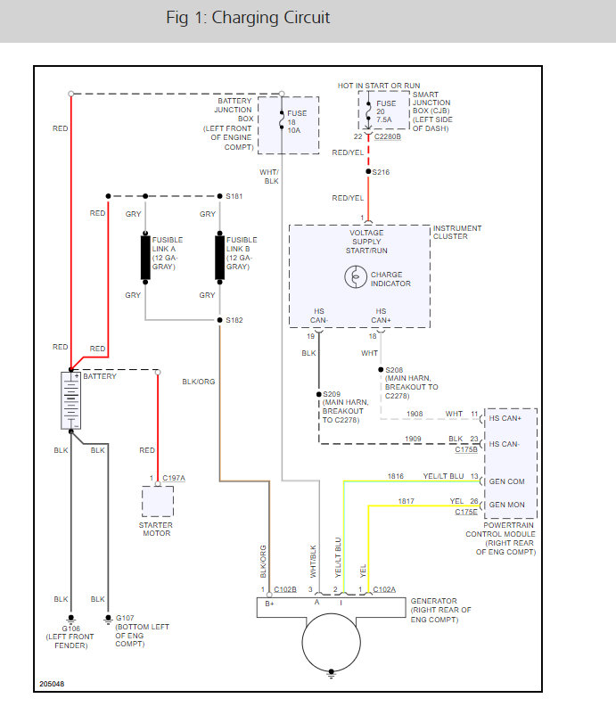
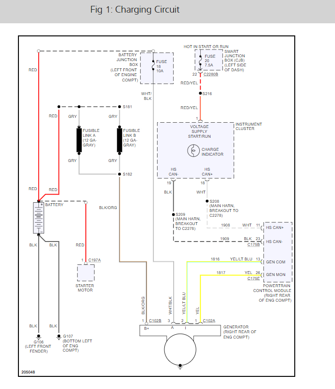
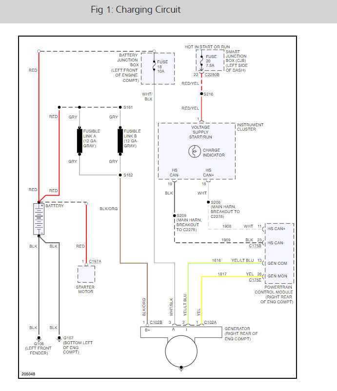
Lets check the fuse # 18 in the under hood fuse panel. Here is a guide to help test for power and the alternator wiring diagrams so you can see how the system works and the fuse location as well. To make sure the alternator is installed correctly here are the guides for that as well.

https://www.2carpros.com/articles/how-to-check-a-car-fuse

Check out the diagrams (Below). Please let us know what happens.
Was this
answer
helpful?
Yes
No
Thursday, November 21st, 2019 AT 5:40 PM (Merged)
Tiny
BOOPERIII
  • MEMBER
  • 1 POST
Fixed by replacing the PCM cost me $534.00
Was this
answer
helpful?
Yes
No
Thursday, November 21st, 2019 AT 5:45 PM

Please login or register to post a reply.