Traction control & stabilitrack message illuminate after a few moments of driving. ABS/ brake message not illuminated. Messages reset after key off.
Instrument panel lights will not dim, full bright.
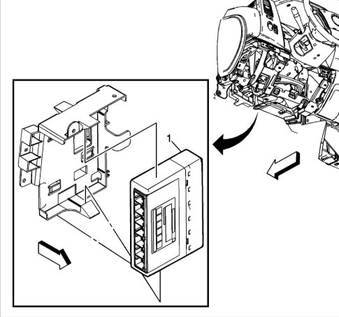
Brake switch has been replaced.
Reseated connector @ the EBCM same condition remains.
Wiring appears to be intact from what I can see.
Can I pull the fuse and disable the EBCM to troubleshoot?
Friday, December 12th, 2025 AT 2:34 PM

