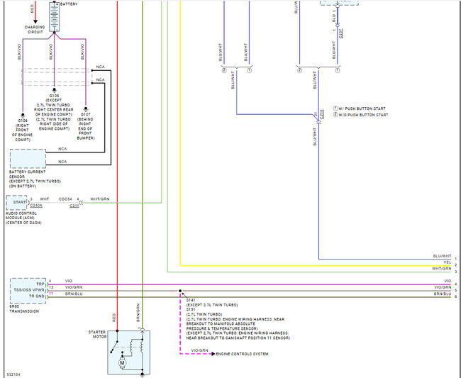
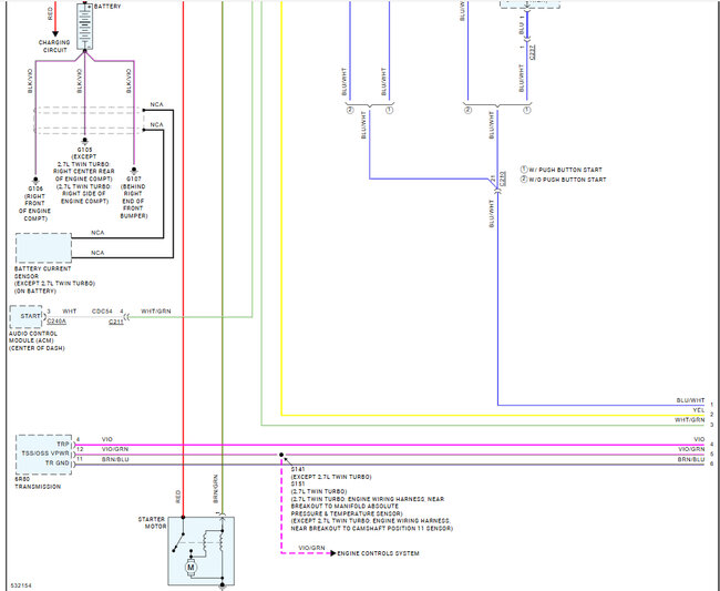
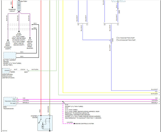
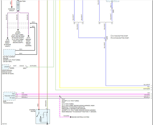
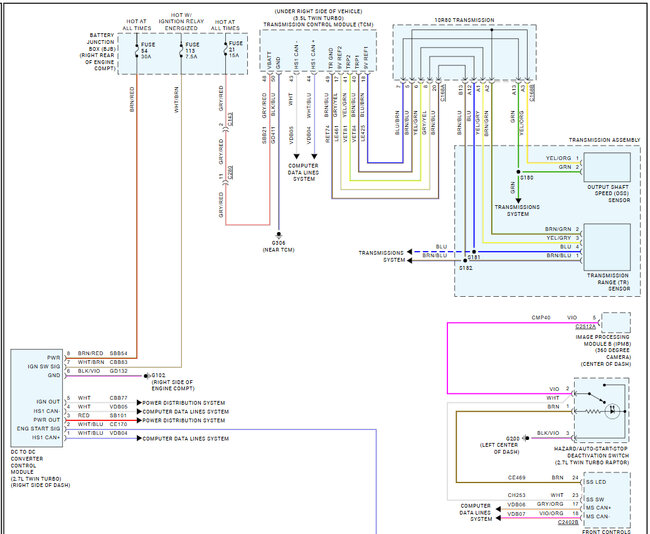
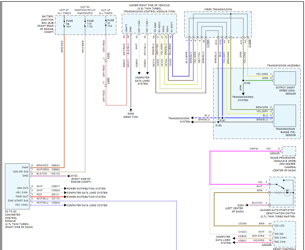
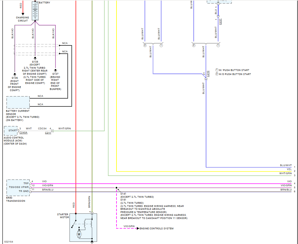
I am having difficulty reinstalling the aforementioned components after having to remove harness and clean for oil contamination. I have searched high and low for the corresponding manual and have had no luck finding the 2 or 3 pages needed to determine how this harness is supposed to be put back in. Instead of asking you how it's done, I figured it would be easier on both of us if I just asked for the diagrams and figure it out on my own from there.
Any assistance you can provide would be greatly appreciated.
Thank you kindly!
Tuesday, August 19th, 2025 AT 1:03 PM









