Charging system

Tiny
JOHN 57
  • MEMBER
  • 1995 CADILLAC SEVILLE
  • 4.6L
  • V8
  • 2WD
  • AUTOMATIC
  • 80,000 MILES
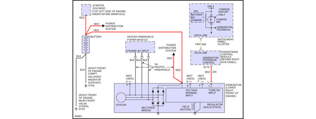
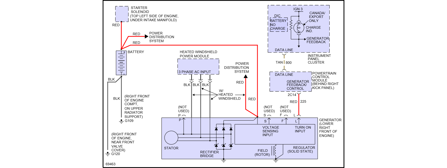
Battery not charging. Checked voltage at battery and terminal on fuse panel, ten volts car running. Found alternator (three wire) no output. Need wiring schematic as later models show generator (five wire), so I am unsure alternator correct for this application. Can adapt if need be but prefer to return to factory correct, if indeed it is not.
Have number 8 wire from back terminal of alternator direct to battery and number 2 terminal only one being used. I really appreciate the help that all of you provide.
Wednesday, January 24th, 2018 AT 10:01 PM

6 Replies

Tiny
PATENTED_REPAIR_PRO
  • MECHANIC
  • 1,853 POSTS
I assume you do not have the heated windshield, because it appears that is the difference.
Was this
answer
helpful?
Yes
No
+1
Thursday, January 25th, 2018 AT 6:53 AM
Tiny
JOHN 57
  • MEMBER
  • 6 POSTS
Correct, windshield not heated.
Was this
answer
helpful?
Yes
No
Thursday, January 25th, 2018 AT 9:29 AM
Tiny
PATENTED_REPAIR_PRO
  • MECHANIC
  • 1,853 POSTS
This appears to be a one wire sort of hookup. Test the voltage again while revving the engine up right at the rear of the alternator on the connection for the larger gauge wire that feeds the battery positive post. If it is still not about 14 volts, chances are the alternator is not working. Remove it and take it into an auto-parts store like AutoZone or Advance Auto for a free bench test and replace it if it fails and check it again after you install it.
Was this
answer
helpful?
Yes
No
Thursday, January 25th, 2018 AT 9:43 AM
Tiny
JOHN 57
  • MEMBER
  • 6 POSTS
Then this model does not use temperature sensing even though instrument panel displays true temperature? Was assuming some one installed the wrong alternator and butchered wiring to adspt.
Was this
answer
helpful?
Yes
No
Thursday, January 25th, 2018 AT 9:54 AM
Tiny
JOHN 57
  • MEMBER
  • 6 POSTS
If there is a wire that I find coming from the instrument cluster/generator feed back. Would I be correct that it connects to terminal S?
Was this
answer
helpful?
Yes
No
Thursday, January 25th, 2018 AT 10:02 AM
Tiny
PATENTED_REPAIR_PRO
  • MECHANIC
  • 1,853 POSTS
No, the "L" terminal.
Did you open the wiring diagram picture I gave you?
Was this
answer
helpful?
Yes
No
+1
Thursday, January 25th, 2018 AT 10:31 AM

Please login or register to post a reply.