Alternator has not been charging my battery

Tiny
TONIADOL
  • MEMBER
  • 2008 KIA SORENTO
  • 6 CYL
  • 2WD
  • AUTOMATIC
  • 70,000 MILES
I have tried so many alternator's but it keeps giving me the same result. This is to suggest that the problem is not from the alternator. Please where else could the problem be traced?
Monday, November 18th, 2019 AT 6:43 PM

1 Reply

Tiny
CARADIODOC
  • MECHANIC
  • 34,490 POSTS
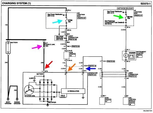
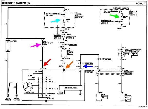
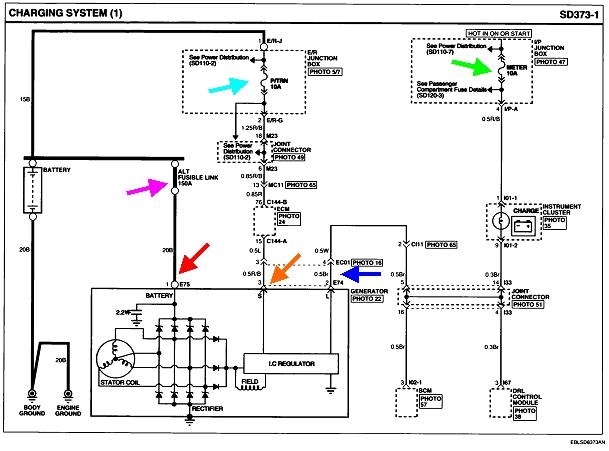
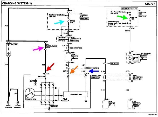
Here's the circuit diagram used with the 3.8L engine. The first place to check is at the large output wire on the generator. You must find full battery voltage there. You can use a digital voltmeter, but for these first few tests, a test light will work just fine, and could even be more accurate. Here's links to some guides on how to use these tools, if you need them. The first one shows using an "auto-ranging" meter. For our purposes, a less-expensive regular meter is all that's needed. If you need help finding one for less than ten dollars, or help with setting it up, I can help with that:

https://www.2carpros.com/articles/how-to-use-a-voltmeter

https://www.2carpros.com/articles/how-to-use-a-test-light-circuit-tester

The red arrow is pointing to the terminal on the generator where you'll be measuring. If full battery voltage is missing, check the 150-amp "fusible link". The terminology can be confusing. In the past, a fusible link was a wire spliced into the circuit that had insulation that would not burn or melt. The wire was a smaller diameter than the rest of the circuit it protected, so it was the weak link in the chain. Today they might use the same term to refer to a very large fuse that's bolted into the under-hood fuse box. Regardless of the type used, if it is blown, it was either caused by the original failed generator, or from the output terminal being momentarily shorted to the engine with a wrench.

The second clue to a blown fuse link is you'll find considerably more than full battery voltage on the output terminal when the engine is running. With a good, fully-charged battery, its voltage will be 12.6 volts with the engine off. With the engine running and the charging system is working, you must find it to be between 13.75 and 14.75 volts. The important point is you must always find the same voltage across the battery and at the generator's output terminal. When the voltages are different at those two points, the fuse link has to be blown. When it is, you'll still find 12.6 volts or less across the battery, and perhaps as much as 15.0 to 17.0 volts at the output terminal.

If that output circuit appears to be okay, check for full battery voltage on the red / blue wire. That's the orange arrow in the diagram. That one must also have the same voltage as the battery, all the time. If it is 0 volts, the 10-amp "P/TRN" fuse is blown. (Turquoise arrow).

The last circuit is the "turn-on" circuit that tells the generator's internal voltage regulator when to turn on and start doing its thing. The first clue to look for here is if the "Battery" warning light turns on when you turn on the ignition switch. If it does not, there has to be a break in that circuit. Most commonly that would be a blown 10-amp "Meter" fuse, (green arrow), but it could also be caused by corroded connector terminals or a cut wire.

You'll need a voltmeter for this measurement on the brown wire, (blue arrow), because we're expecting to find around 2 volts. That's not enough to turn on a test light. With the ignition switch on, normal operation is to find 2 volts on the brown wire, and the "Battery" light is turned on. Once the engine is running, the regulator puts battery voltage back out on that wire, so then you'll find around 14 volts on it. With full charging system voltage there, and on the other side of the "Battery" light, the difference is 0 volts, so the light turns off.

It's when the charging system doesn't start up that 2.0 volts remains on the brown wire, and the "Battery" light stays lit up.

We should be able to figure out where to find the cause of the problem with these three voltage readings. Let me know what you find up to this point.
Was this
answer
helpful?
Yes
No
Tuesday, November 19th, 2019 AT 6:16 PM

Please login or register to post a reply.