Friday, March 25th, 2022 AT 6:52 AM
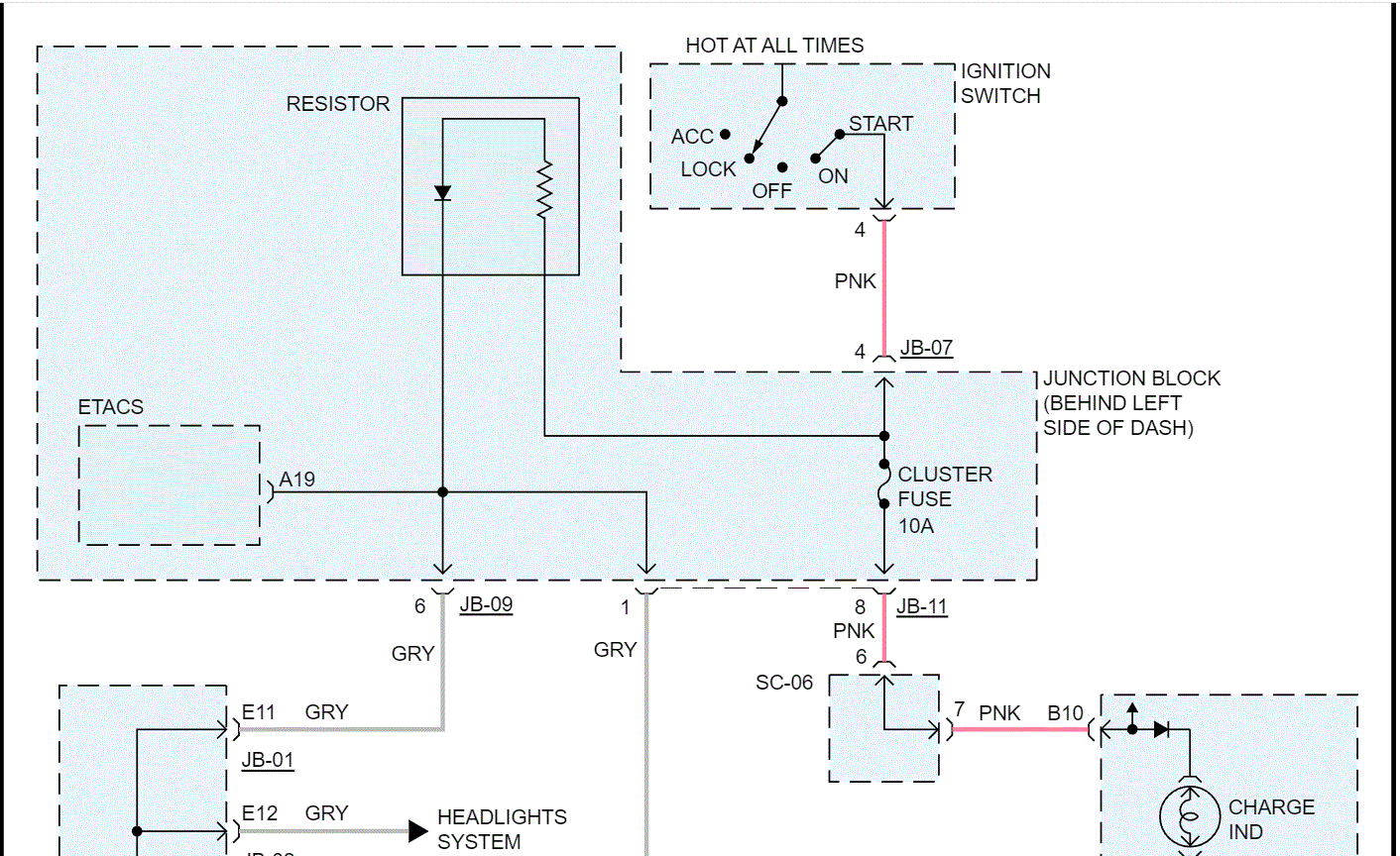
I replaced the alternator, the alternator fuse and battery, is there another alternator fuse and where is the fusible link located? Please no diagrams, just explain. Thank you




