charging issue

2002 MITSUBISHI ECLIPSE
240,000 MILES • 3.0L • V6 • 2WD • AUTOMATIC
Avatar
TOM CARRUTHERS
  • MEMBER
  • 3 POSTS
Will only run at 11-12 volt. have replaced alternator fusible link ECU, immobilizer, ignition cylinder, and multiple fuses and still same issue.
Aug 10, 2020 at 10:41 PM
Advertisement
Repair Safety Notice: This information is for general instructional purposes only. Vehicle repair can be dangerous. Verify all information, follow manufacturer service procedures, use proper tools and safety equipment, and consult a qualified repair shop when needed.
Avatar
KASEKENNY
  • AUTOMOTIVE REPAIR CONTRIBUTOR
  • 18,907 POSTS
Where are you checking this voltage? I assume you are checking it across the battery when the engine is running? If so, I suspect you have resistance in the wiring which is causing the loss of voltage.

Another possible cause is to make sure the belt is tight and not slipping.

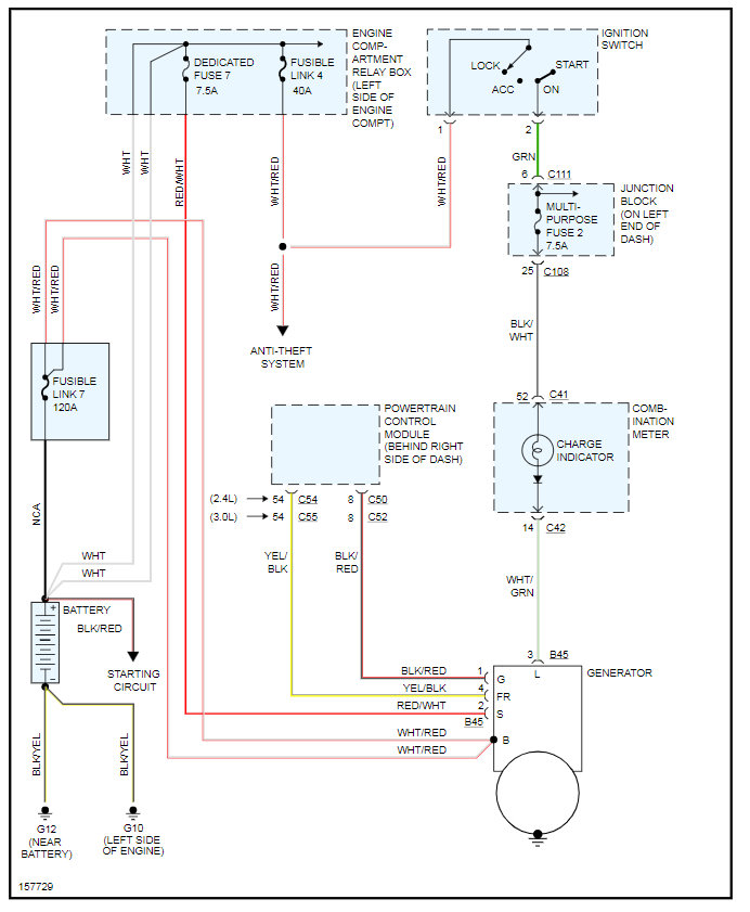
Lastly I attached a test that we need to run through which is a voltage drop test that will tell us if we have an issue between the battery and generator.

Let me know if you have questions and we can go from there. Thanks.
Aug 11, 2020 at 3:46 PM
Avatar
TOM CARRUTHERS
  • MEMBER
  • 3 POSTS
Didn't change anything. Took a ton of aftermarket wiring out from under dash and still won't charge.
Sep 22, 2020 at 2:43 PM
Advertisement
Avatar
TOM CARRUTHERS
  • MEMBER
  • 3 POSTS
I checked the voltage just like the diagram said was getting 11.7 steady then it dropped down as the battery weakened.
Sep 22, 2020 at 2:48 PM
Avatar
KASEKENNY
  • AUTOMOTIVE REPAIR CONTRIBUTOR
  • 18,907 POSTS
Okay, The aftermarket wiring is concerning because that adds a lot of unknown. However, do you have the part number of the alternator that you replaced? Did it come with the regulator? On this engine you can get that separate. The regulator is pictured below.
Sep 22, 2020 at 7:14 PM
Advertisement
Avatar
TOM CARRUTHERS
  • MEMBER
  • 3 POSTS
Part #: R111137A yes it came with the regulator. the after market wiring we found out is an alarm system that had been added but there was no fob for or anyway to enable it.
Sep 22, 2020 at 8:02 PM
Avatar
KASEKENNY
  • AUTOMOTIVE REPAIR CONTRIBUTOR
  • 18,907 POSTS
Okay. We need to test the wiring from the battery to the alternator. We can either test the resistance or do a voltage drop test.

To test the resistance, you need to unhook the wiring from both ends and put the meter leads at both ends and measure the ohms of the wire.

To do a voltage drop test, you leave everything hooked up and put your leads at both ends and measure the voltage that is on the wire.

Let me know if you have questions.

https://www.2carpros.com/articles/how-to-use-a-voltmeter
Sep 23, 2020 at 6:53 PM