Friday, October 21st, 2022 AT 5:27 PM
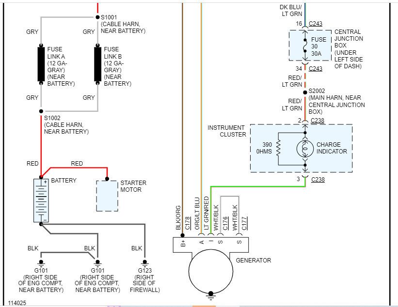
The vehicle is having some charging issues. I already replaced the alternator tensioner and the battery and it still has the battery light on and it's draining the battery in about 15 minutes. I've checked all the fuses all the wires the fusible link I have checked it all is there a relay or something that I'm not finding or knowing about I've watched dozens of videos on YouTube, and I cannot figure this out 3 days now I need that rig to run so I can make my money. Thank you



