Saturday, November 21st, 2020 AT 9:54 PM
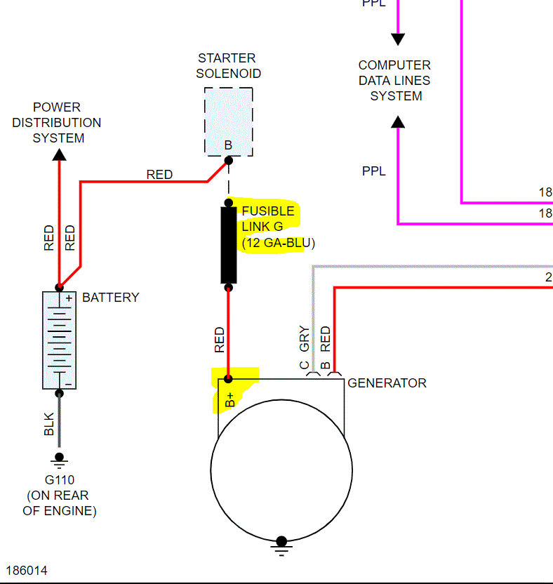
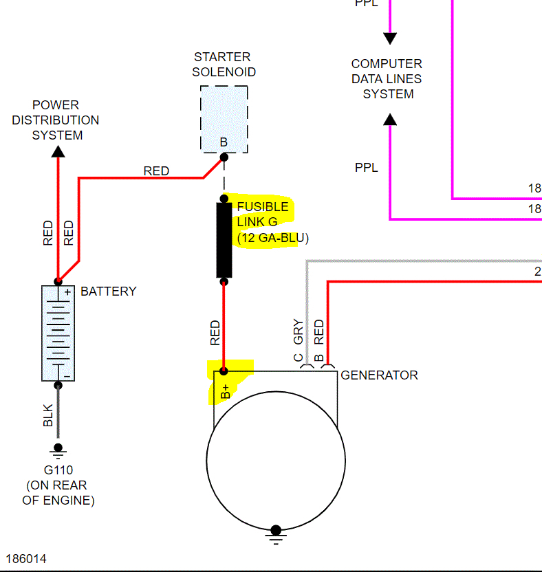
It's not charging I bought a new battery and that wasn't the problem. I've changed alternator 3 times but they were used and it's still not charging.


