charging problem?

2006 MITSUBISHI ECLIPSE
90,000 MILES • 3.8L • V6 • AUTOMATIC
Avatar
RICHARDE
  • MEMBER
  • 1 POST
I am only getting 2.5 volts from battery connection on alternator to positive on battery. Alternator bad? ECU or maybe fusible link? Please help.
thanks
May 10, 2023 at 9:49 AM
Advertisement
Repair Safety Notice: This information is for general instructional purposes only. Vehicle repair can be dangerous. Verify all information, follow manufacturer service procedures, use proper tools and safety equipment, and consult a qualified repair shop when needed.
Avatar
STRAILER
  • AUTOMOTIVE REPAIR CONTRIBUTOR
  • 54,128 POSTS
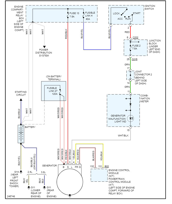
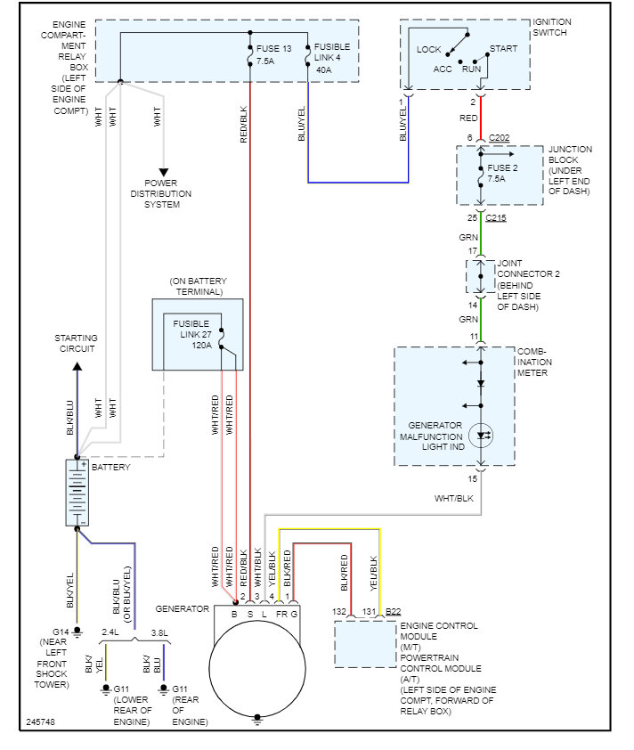
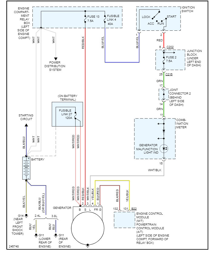
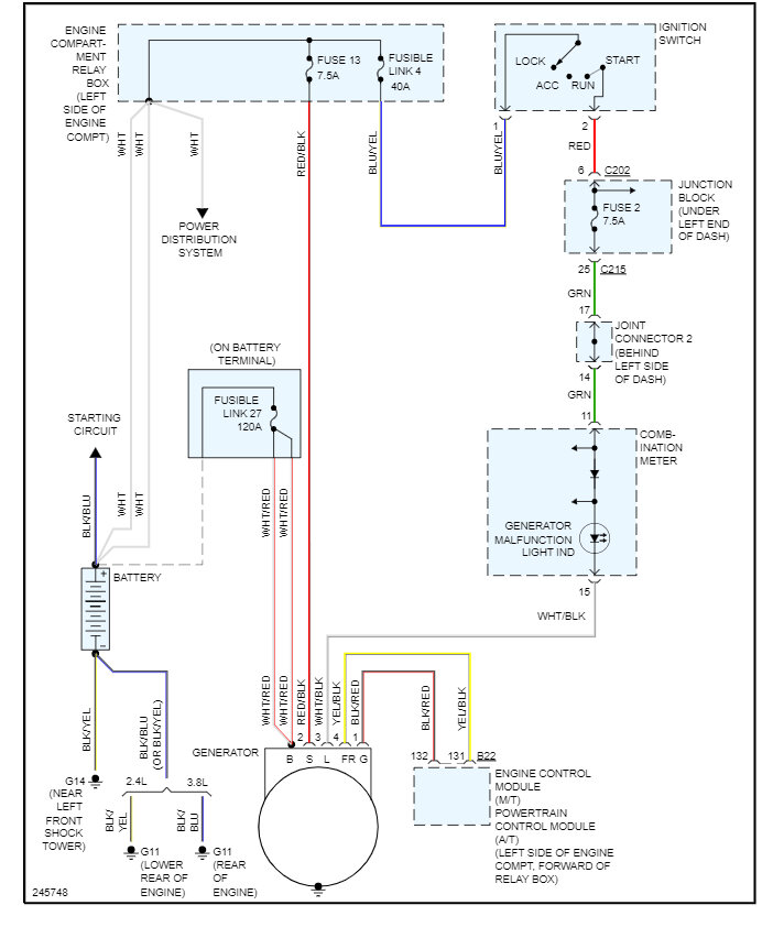
I would check fusible link #27 and #4. here is a guide to help and the alternator wiring diagrams so you can see how the system works:

https://www.2carpros.com/articles/how-to-check-a-car-fuse

Check out the images (below). Please let us know what you find. We are interested to see what it is.
May 10, 2023 at 12:35 PM