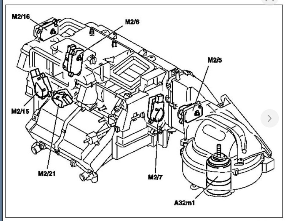
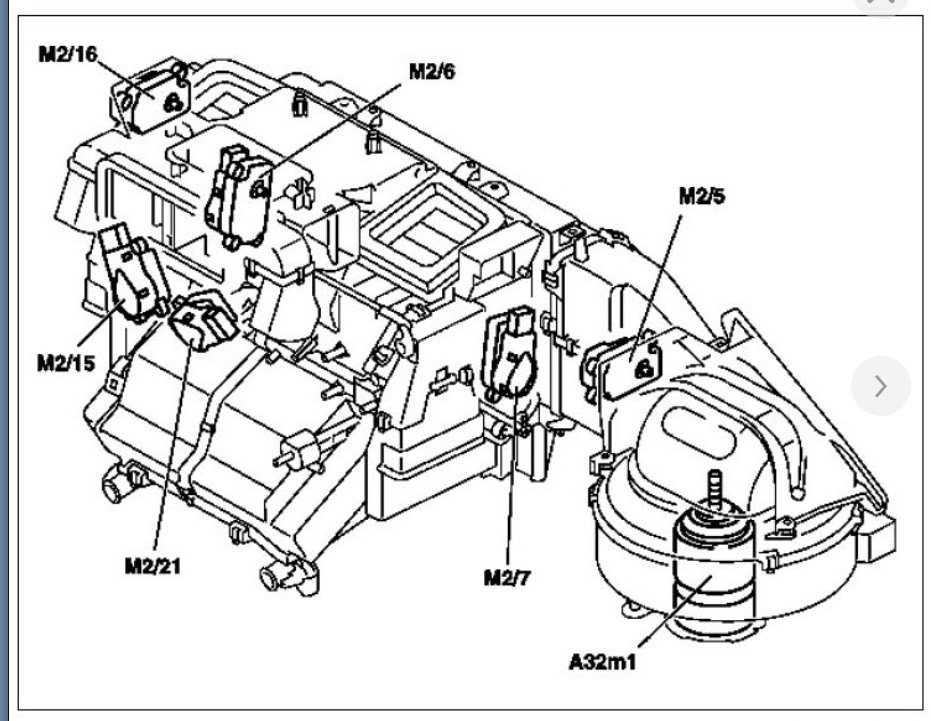
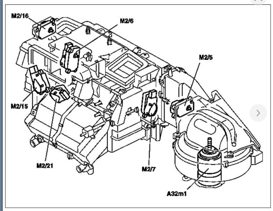
I think it is the M2/6-Lt blend air flap position motor that has failed, but I am not sure about it. This motor is under the car frame to which the steering column is attached.
I don't know how to free the steering column as I have never done this before.
Sir, your help will be highly appreciated.
My VIN:WDBRN 40J 53A 472958.
Thursday, April 2nd, 2020 AT 8:31 AM

























