Changing climate control module

Tiny
DSMALLS
  • MEMBER
  • 2011 NISSAN MAXIMA
  • 3.5L
  • V6
  • 2WD
  • AUTOMATIC
  • 65,023 MILES
Wha wires I can reconnect to so I can have control of the air. Because of its different connector then my original one. I have the climate control on the radio panel want to change it so it could be under the amber sceen
Tuesday, October 15th, 2019 AT 6:20 PM

3 Replies

Tiny
KASEKENNY
  • MECHANIC
  • 18,907 POSTS
Hi,

I am not sure I understand what you are trying to do. Are you trying to rewire your vehicle so that you can use a different control module?

If so, what is the control module out of? What model and year of vehicle is it? Thanks
Was this
answer
helpful?
Yes
No
Wednesday, October 16th, 2019 AT 7:01 PM
Tiny
DSMALLS
  • MEMBER
  • 2 POSTS
27500 9n01a is the one I want to install. 2011 Nissan Maxima sv. No tech or navigation.
Was this
answer
helpful?
Yes
No
Thursday, October 17th, 2019 AT 2:09 AM
Tiny
KASEKENNY
  • MECHANIC
  • 18,907 POSTS
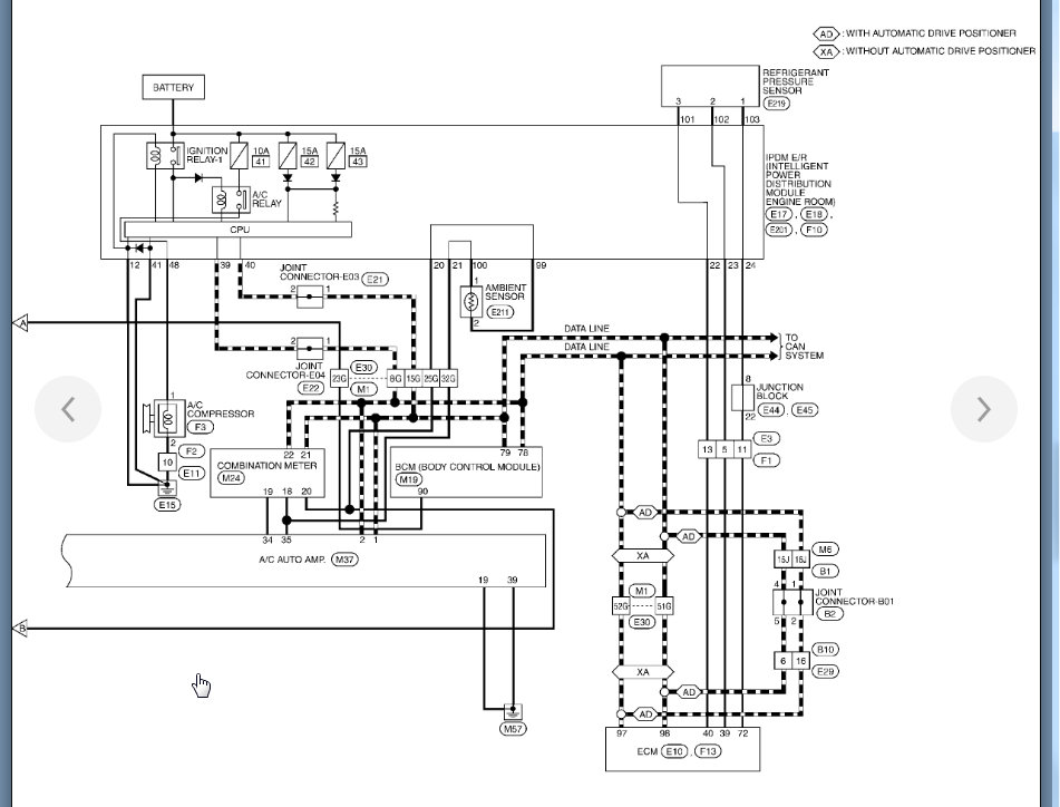
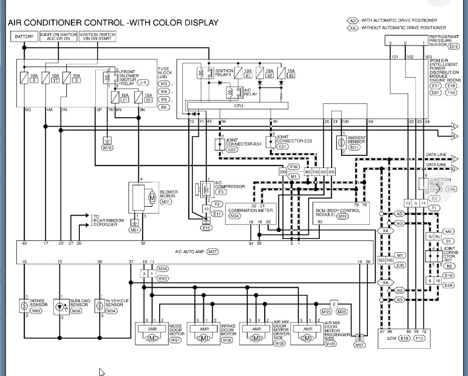
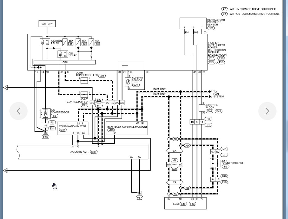
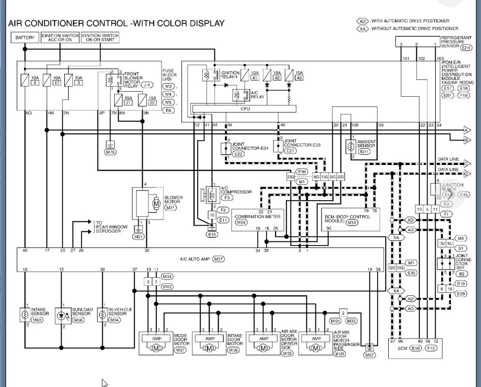
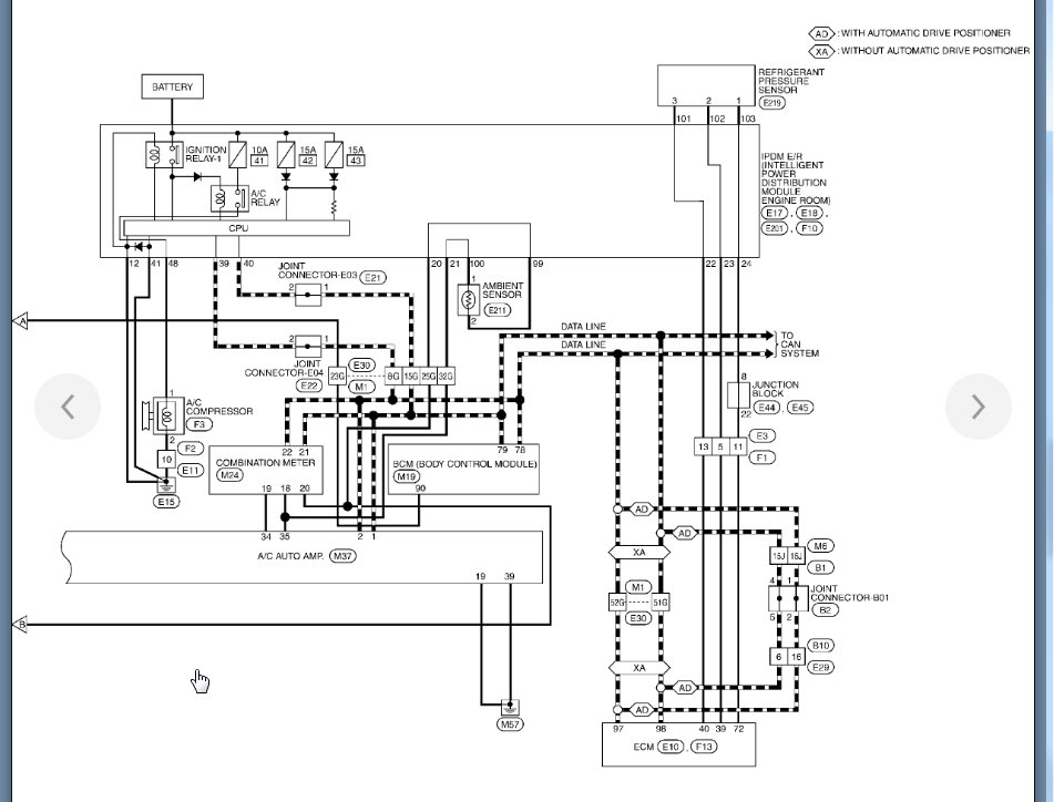
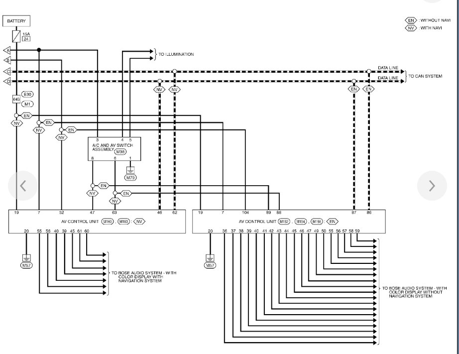
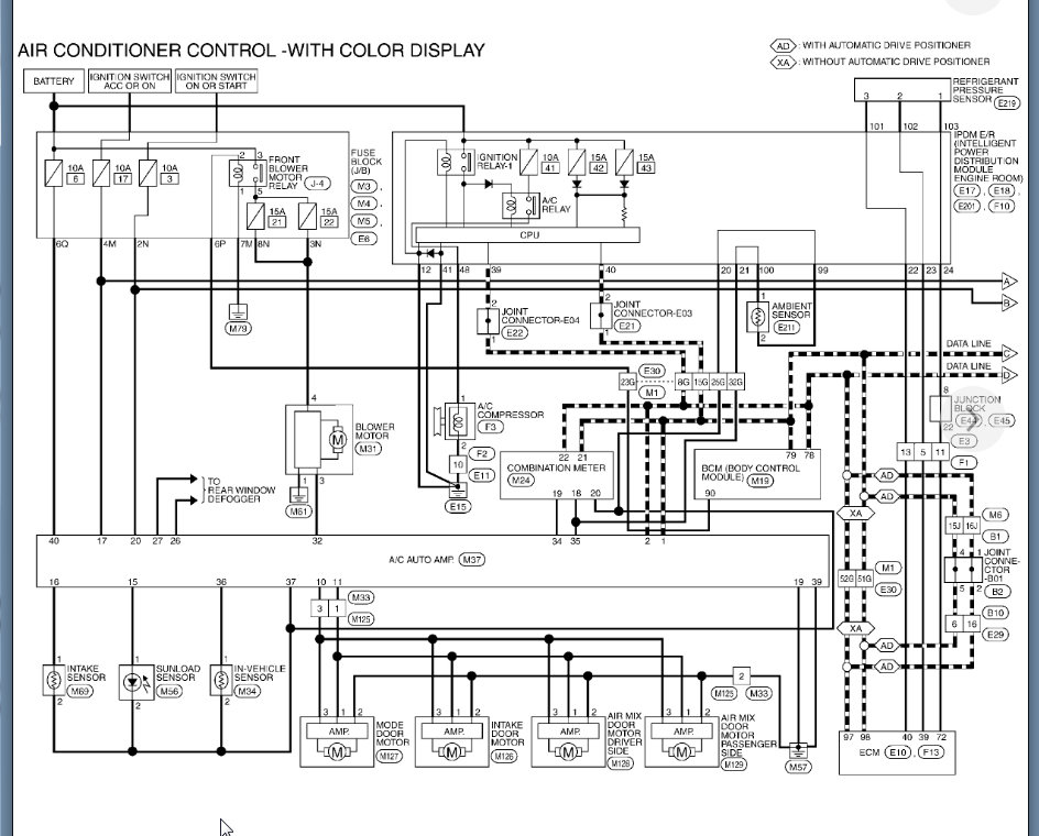
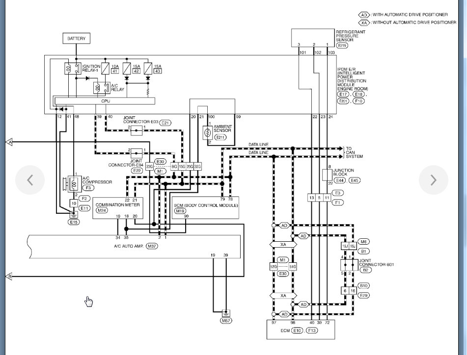
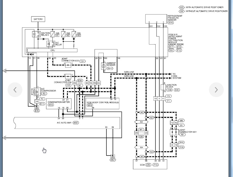
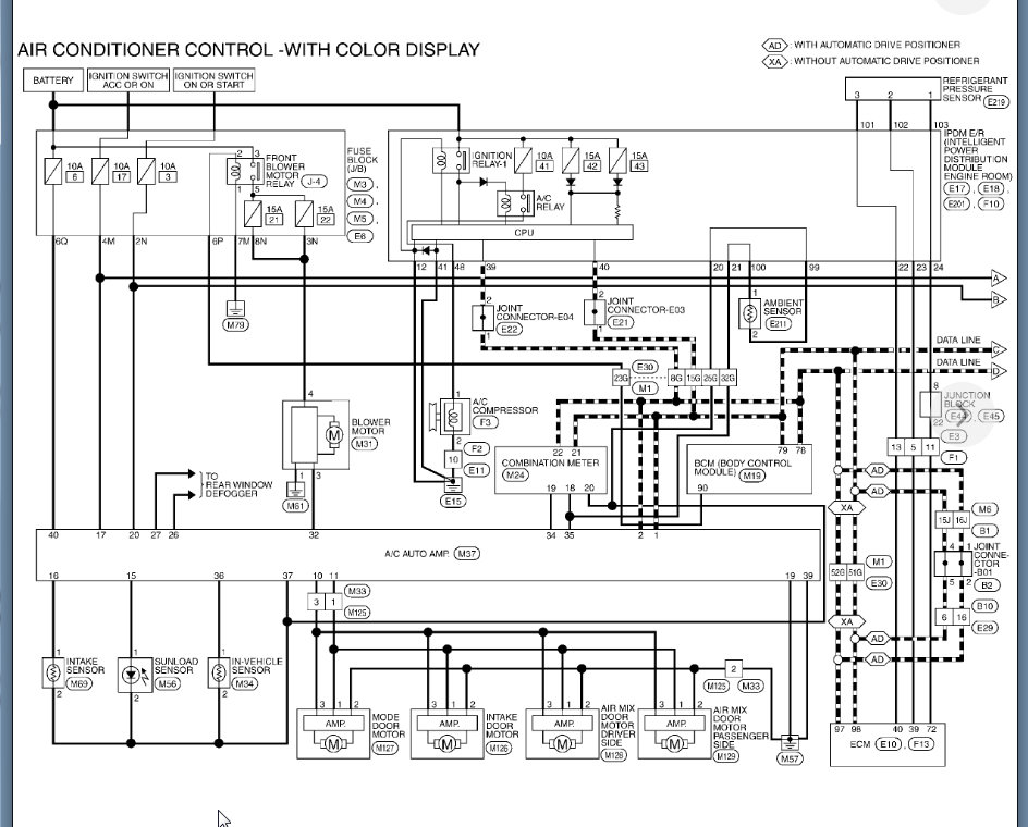
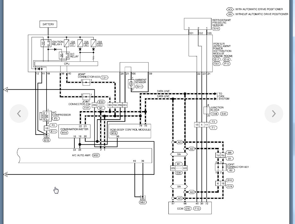
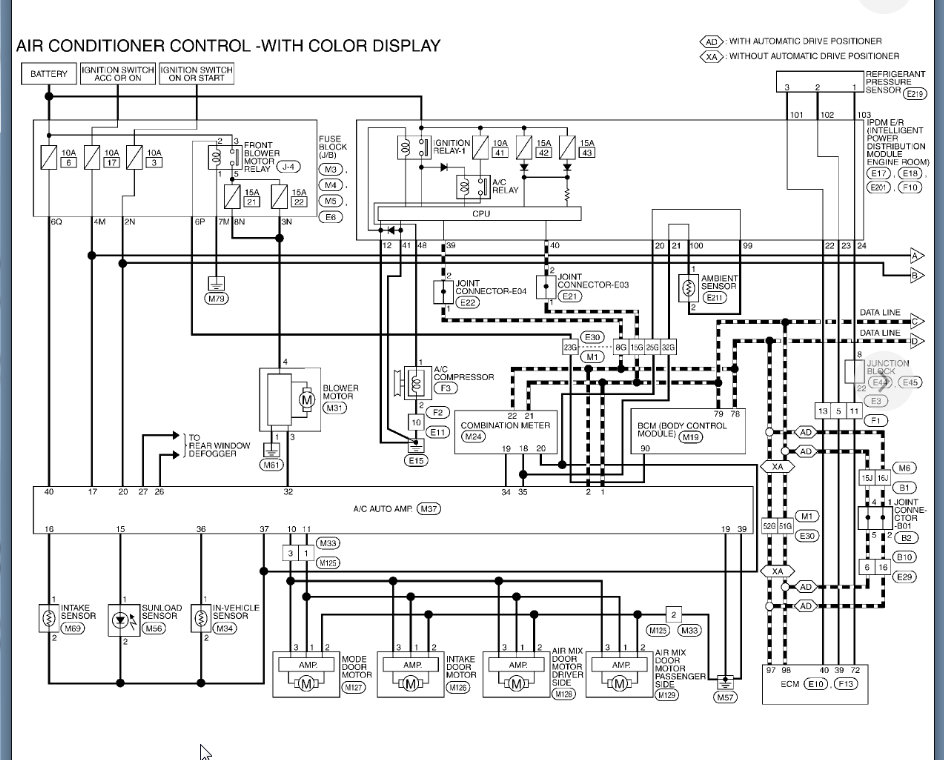
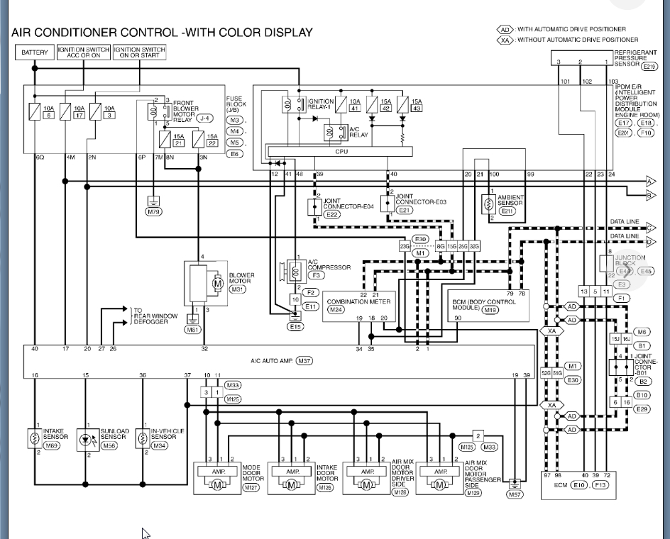
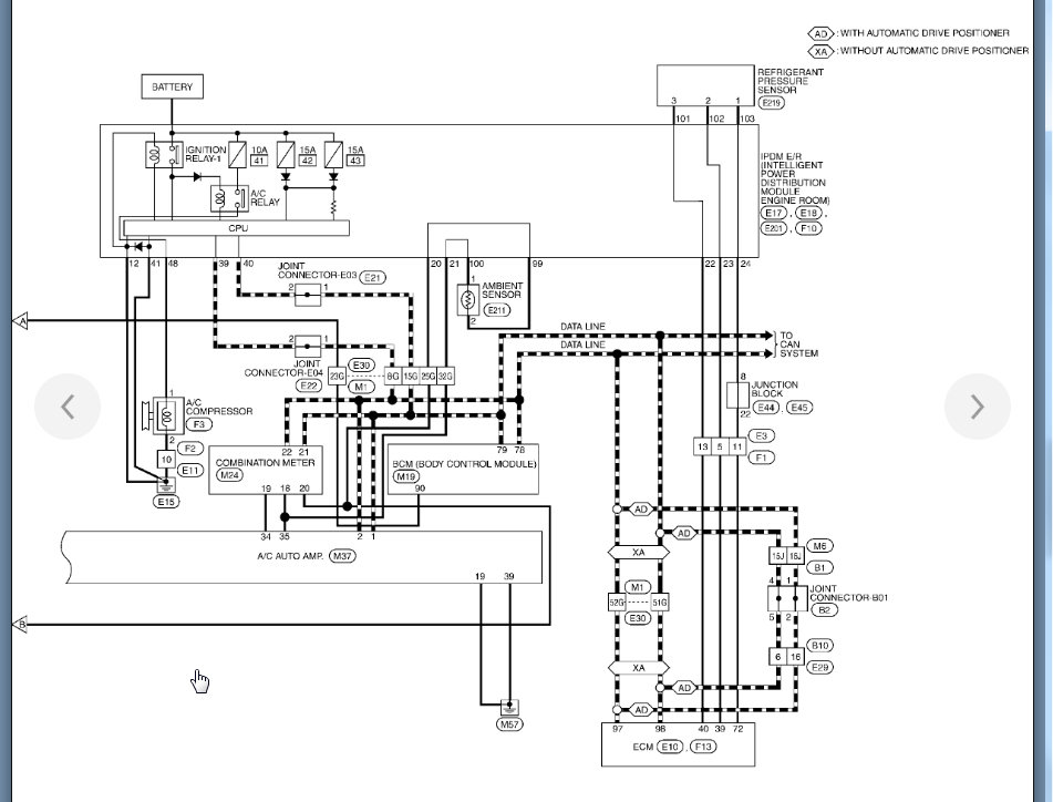
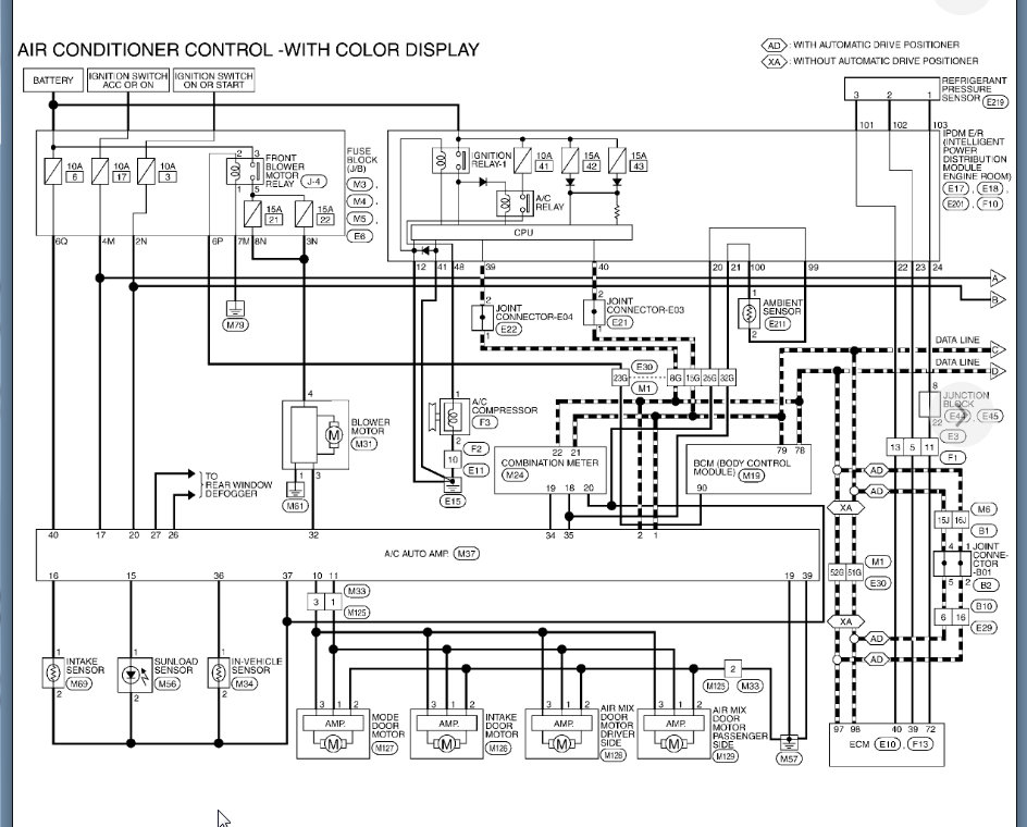
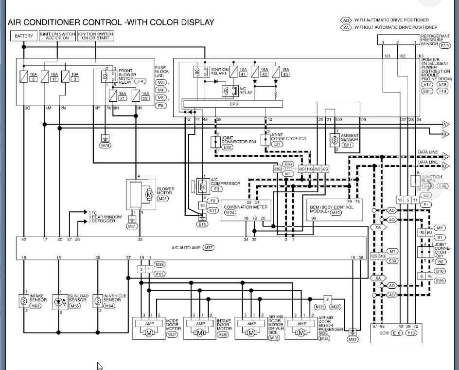
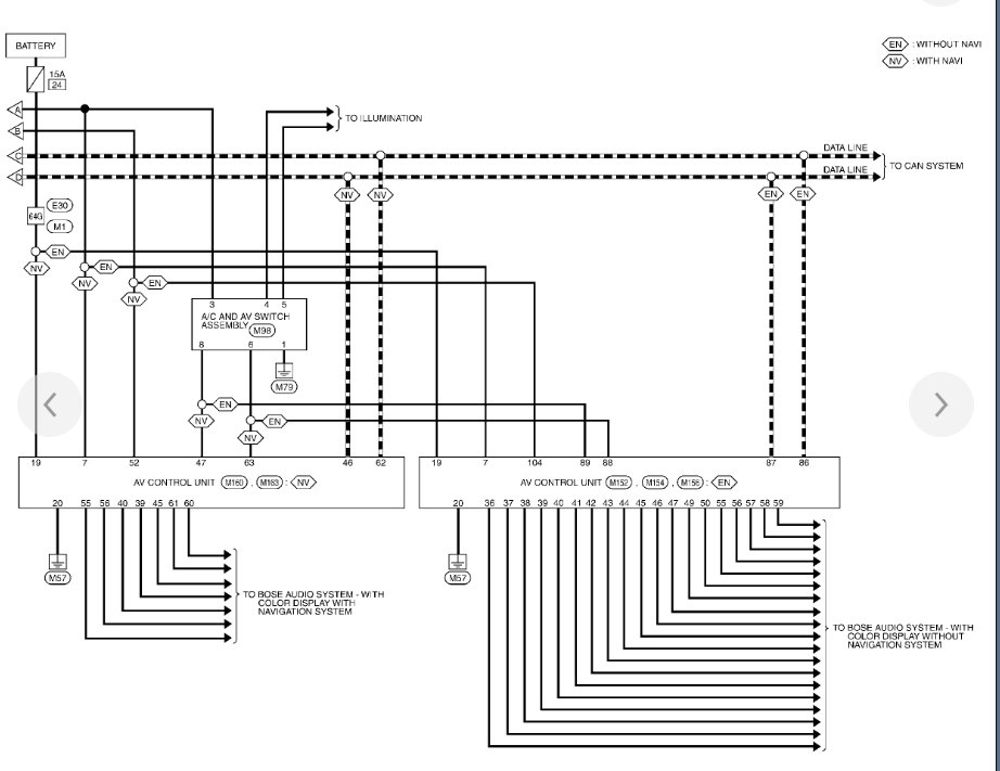
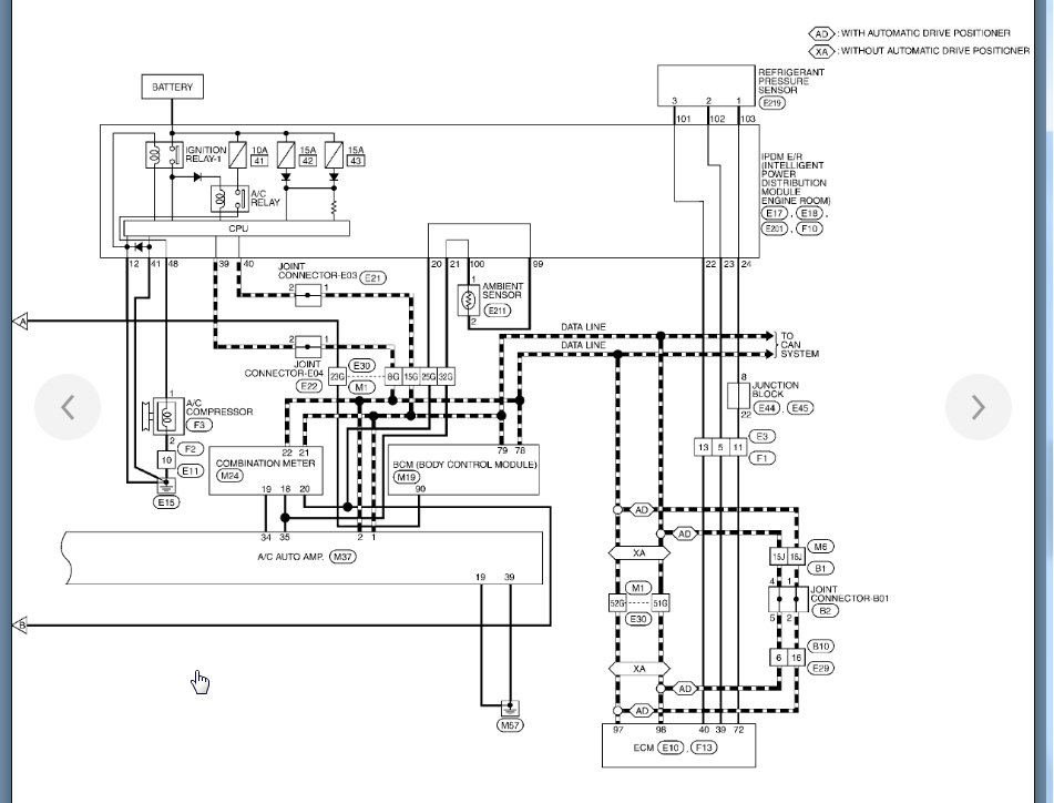
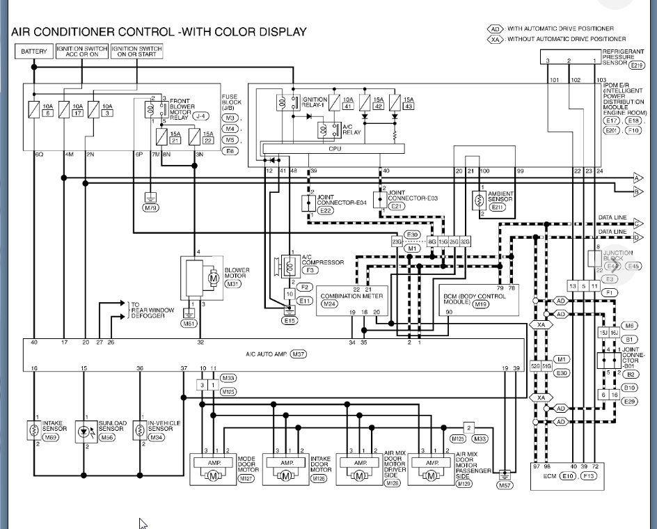
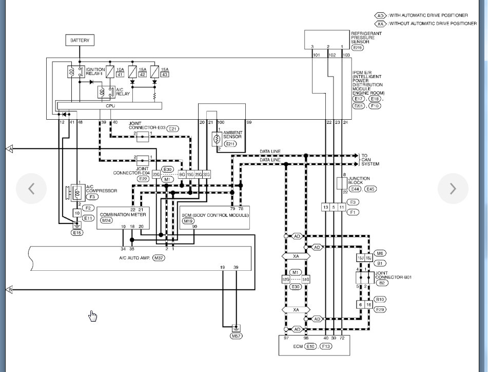
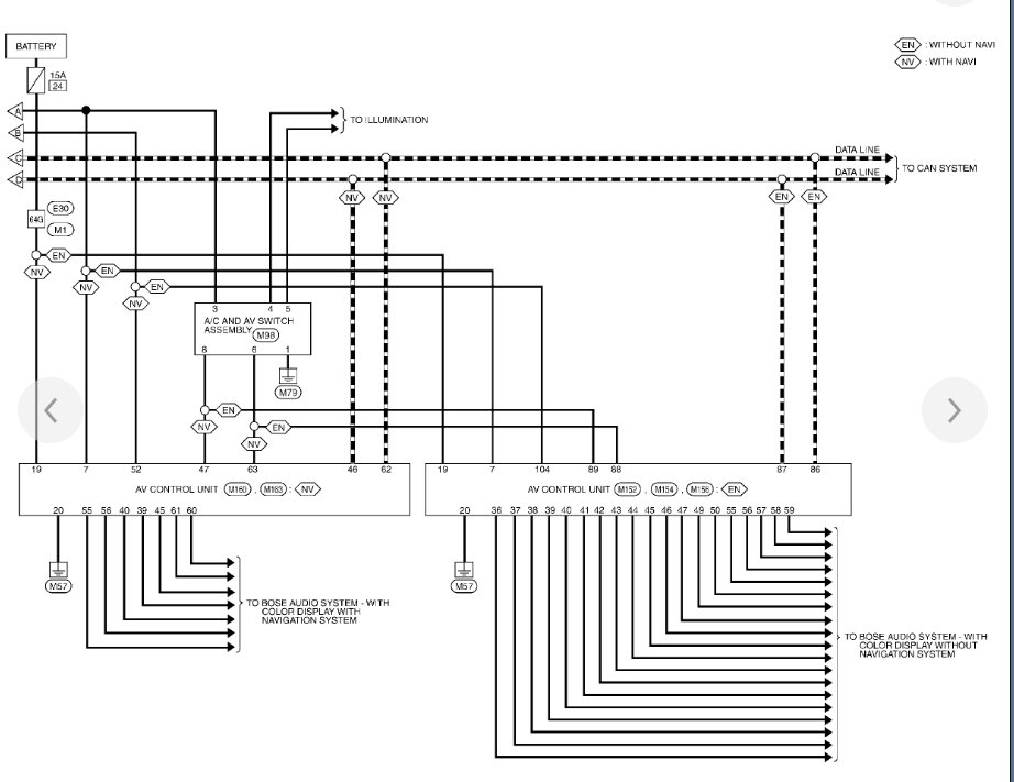
Okay. I understand now. Unfortunately this is not going to just plug in and work or even if you rewired it. You are more than likely going to have to change the wiring harness and have the sales codes changed by a dealer so that the other modules know that this is now different. I attached the wiring diagrams from each system. Clearly these are very different. The problem is your vehicle has what is called a CAN bus system. This means that each system shares its info with each other module so you will have to program the vehicle so that all other modules know what HVAC module is in the vehicle.

Sorry I don't have a better answer but I see this as being a large undertaking.
Was this
answer
helpful?
Yes
No
+1
Thursday, October 17th, 2019 AT 5:16 PM

Please login or register to post a reply.