Changed out headlights and new ones now not turning on

Tiny
ROSA IRIZARRY
  • MEMBER
  • 2006 VOLKSWAGEN BEETLE
  • 2WD
  • AUTOMATIC
  • 54,000 MILES
Replaced old headlights with new original manufacturers lights. Went in easy on passenger side. Had to remove battery to remove driver side. After completion no working headlights. No DRL, no high beams. Every other light works fine, in and outside. Tried with parking brake on and off.
Tuesday, July 23rd, 2019 AT 3:20 AM

5 Replies

Tiny
KASEKENNY
  • MECHANIC
  • 18,907 POSTS
Hi Rosa,

When you replaced the headlights are you talking about the bulbs or the entire assembly? Also, do you have HID headlamps or halogen?

Lastly, what was the reason you replaced them both? Were they working before and now they are not or did they not work before?

Let me know and we can go from there. Thanks
Was this
answer
helpful?
Yes
No
Tuesday, July 23rd, 2019 AT 4:19 PM
Tiny
ROSA IRIZARRY
  • MEMBER
  • 3 POSTS
Both lamps where extremely foggy so I replaced both full assemblys for on the car. Both orgininal equipment replacement (entire set) should have been eazy plug in. All other lights work. No drl. No headlights or high beams. Stumped
Was this
answer
helpful?
Yes
No
Wednesday, July 24th, 2019 AT 10:15 AM
Tiny
KASEKENNY
  • MECHANIC
  • 18,907 POSTS
Ok. So the easiest thing to do is just plug in the old ones and make sure they still work. Then you know that the assemblies you got are most likely not correct or defective. If the old ones that worked when you removed them do NOT work then we can go further. I just don't want you to go through a bunch of testing if it is the new parts.

ASSUMING the old ones work, have you seen the headlight cleaning kits? Most of them are really good and they clean up that cloudy look and make them look like new. Plus they are a LOT cheaper so if that would work, you can just put your old ones back in that work and return the new ones. I would suggest just trying it on the old ones if they work and then go from there if it doesn't clean them up.
Was this
answer
helpful?
Yes
No
Wednesday, July 24th, 2019 AT 5:48 PM
Tiny
ROSA IRIZARRY
  • MEMBER
  • 3 POSTS
Checked all fuses, they are good. These are original equipment replacements. I really did not want to uninstall them. Is there something else I can check before I do that?
Was this
answer
helpful?
Yes
No
Thursday, July 25th, 2019 AT 9:09 AM
Tiny
KASEKENNY
  • MECHANIC
  • 18,907 POSTS
I wasn't suggesting to completely uninstall them. Can you just set them close to the harness and unplug the ones that are there and just plug them in? This will test them and avoid you uninstalling them if not needed. Again, I suspect there is an issue with them if the others worked and all you did was unplug them and install the new ones. I can't think of anything that you would have done to cause them to not work. If you want to, you can check for power at the connectors with the switch on.

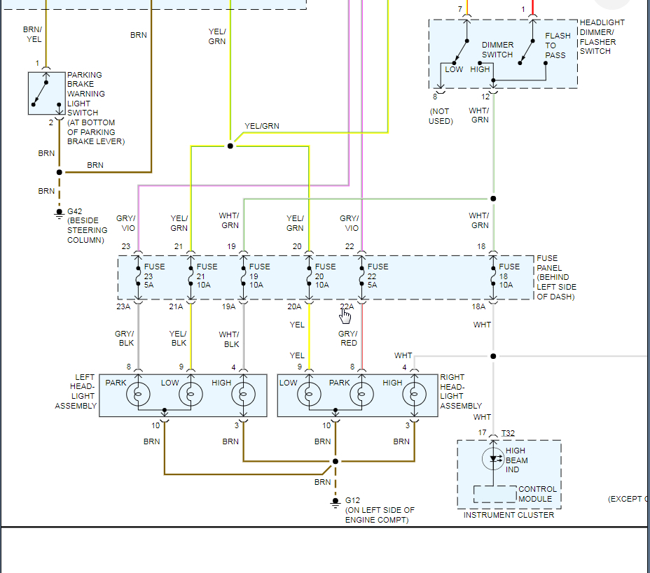
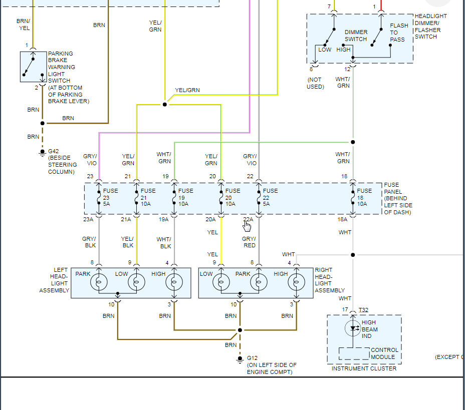
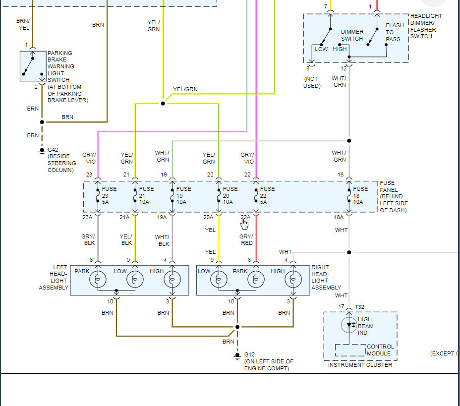
Do you know if your old headlights were halogen or HID and are the new ones the same? The reason I want' you to plug the old ones in to make sure they work, is because I suspect the replacements are not the same. It looks like the connectors are different but again, we need to rule this out.

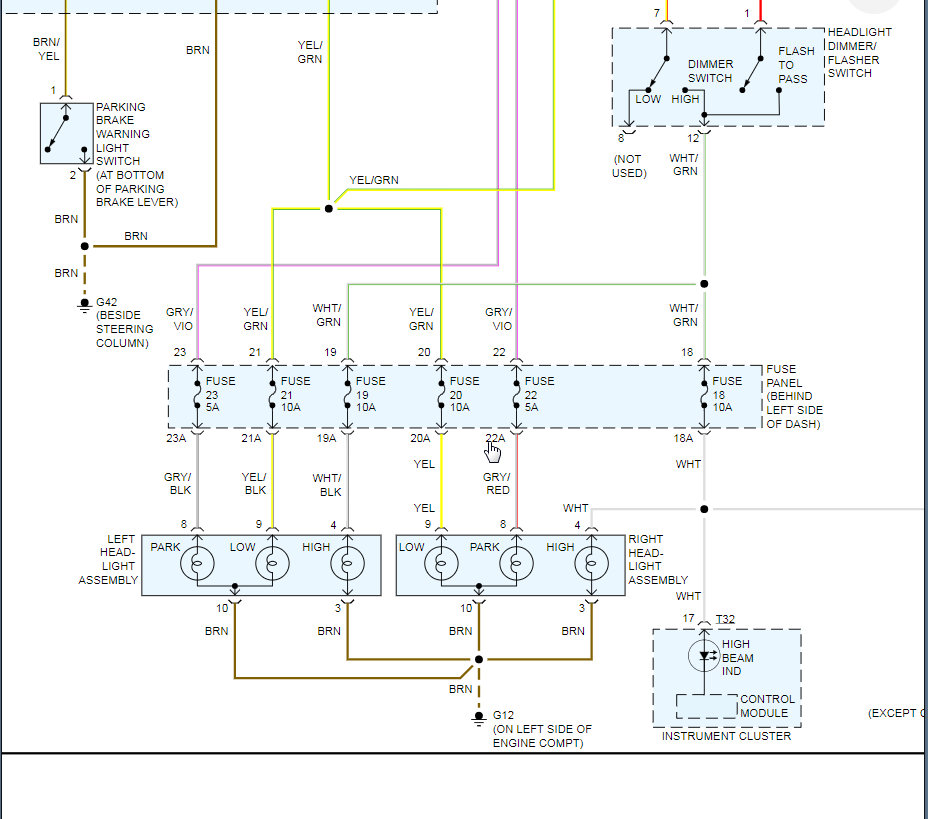
Here is the wiring diagram for the halogen lights. Also, if you can see if there is a part number on the old ones and the new ones, I can try to confirm if they are the same.
Was this
answer
helpful?
Yes
No
Thursday, July 25th, 2019 AT 7:50 PM

Please login or register to post a reply.