After changing crankshaft sensor engine jerks

Tiny
JAMESO63
  • MEMBER
  • 1999 GMC JIMMY
  • 4.3L
  • V6
  • 2WD
  • AUTOMATIC
  • 173,000 MILES
Runs but motor jerks and the more I drive it runs better. Sometimes like a brand new engine. Next day does the same. Does this vehicle have to have a relearn procedure or not? Guy told me it does not and another guy said it does!
Who is right?
Sunday, May 27th, 2018 AT 8:12 AM

3 Replies

Tiny
JACOBANDNICKOLAS
  • MECHANIC
  • 110,192 POSTS
Hi and thanks for using 2CarPros. Com. There is a relearn procedure. The following information is specific to your vehicle.

CONVERSION CALCULATOR

1999 GMC Truck S15/T15 Jimmy 4WD V6-4.3L VIN W
Vehicle  Powertrain Management  Computers and Control Systems  Crankshaft Position Sensor  Testing and Inspection
TESTING AND INSPECTION
Install the scan tool.
Apply the vehicle's parking brake.
Block the drive wheels.
Close the hood.
Place the vehicle's transmission in Park (AT) or Neutral (MT).
Idle the engine until the coolant temperature reaches 65°C (150°F).
Turn OFF all the accessories.
IMPORTANT : If the CKP System Variation Learn Procedure cannot be completed successfully, refer to DTC P1336 Crankshaft Position (CKP) System Variation Not Learned for additional diagnostic information.

Enable the Crankshaft Position System Variation Learn Procedure with the scan tool.
IMPORTANT : After the ignition switch is turned to the CRANK position, the VCM must see a change in the state of brake switch (Released to Applied) to run the learn procedure. Also, the service brakes, not the parking brake, must be held throughout the duration of the learn procedure.

Apply and hold the service brakes.
IMPORTANT : While the learn procedure is in progress, release the throttle immediately when the engine starts to decelerate. The engine control is returned to the operator and the engine will respond to throttle position after the learn procedure is complete.

Slowly raise the engine speed to 4000 RPM.
Immediately release the Throttle when the engine speed decreases.
Turn OFF the ignition for 15 seconds after the learn procedure is completed successfully.

JUST FOR INFORMATION, here are the specific directions for replacing the crank sensor so you can make sure everything was done correctly.

CONVERSION CALCULATOR
1999 GMC Truck S15/T15 Jimmy 4WD V6-4.3L VIN W
Vehicle  Powertrain Management  Computers and Control Systems  Crankshaft Position Sensor  Service and Repair
SERVICE AND REPAIR
REMOVAL PROCEDURE
CAUTION: Refer to Battery Disconnect Caution in Service Precautions.
IMPORTANT : The CKP System Variation Learn Procedure will need to be performed whenever the Crankshaft Position (CKP) sensor is removed or replaced. Refer to CKP System Variation Learn Procedure.
Disconnect the negative battery cable.
Raise the Vehicle.
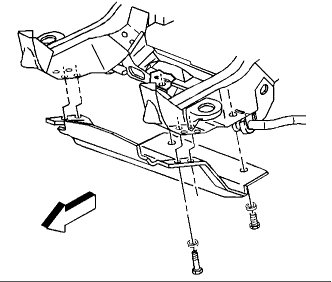
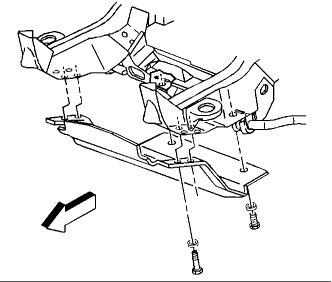
If the vehicle is equipped with the underbody shield package, then remove the steering linkage shield mounting bolts.
Remove the steering linkage shield.
Disconnect the CKP sensor harness connector.
Remove the CKP sensor mounting bolt.
Remove the CKP sensor.
INSTALLATION PROCEDURE

IMPORTANT :
When installing the CKP sensor, make sure the sensor is fully seated before tightening the mounting bolt. A poorly seated CKP sensor may perform erratically; possibly setting false DTCs.
Do not reuse the original O-ring.
Replace the CKP sensor O-ring.
Lubricate the O-ring with clean engine oil before installing the CKP sensor.
IMPORTANT : Make sure the CKP sensor mounting surface is clean and free of burrs.
Install the CKP sensor.
NOTE: Refer to Fastener Notice in Service Precautions.
Install the CKP sensor mounting bolt.
Tighten
Tighten the CKP sensor mounting bolt to 20 N.M (15 lb ft).
Connect the CKP sensor harness connector.
Install the steering linkage shield.
Install the steering linkage shield mounting bolts.
Tighten
Tighten the bolts to 33 N.M (24 lb ft).
Lower the Vehicle.
Connect the negative battery cable.
Perform the CKP System Variation Learn Procedure. See: Testing and Inspection.

Let me know if this helps.

Take care,
Joe
Was this
answer
helpful?
Yes
No
Sunday, May 27th, 2018 AT 8:17 PM
Tiny
TORI HARDING
  • MEMBER
  • 1 POST
Do you know the relearn procedure for a 2008 pontiac g6 gxp sedan after replacing the crankshaft position sensor?
Was this
answer
helpful?
Yes
No
Wednesday, November 6th, 2019 AT 5:17 AM
Tiny
RENEE L
  • ADMIN
  • 1,260 POSTS
Hello Tori,

Thank you for using 2CarPros. In your posted question you are asking about a problem with your 2008 Pontiac G6. The question above is regarding a 1999 GMC Jimmy. In order for the site to properly index/categorize questions they need to be the same year, make, model vehicle. Please re-post your question as a new question. For your convenience I am including the link. Make sure you are logged into the site before clicking on the link.

https://www.2carpros.com/questions/new

Thank you and have a great rest of your day!

Renee
Site Editor
Was this
answer
helpful?
Yes
No
Wednesday, November 6th, 2019 AT 4:05 PM

Please login or register to post a reply.