Change HID assembly to Halogen

Tiny
LWALSH65
  • MEMBER
  • 2007 MAZDA 3
  • 2.3L
  • 4 CYL
  • 2WD
  • MANUAL
  • 90,000 MILES
My passenger side HID/Xenon headlight assembly is cracked. Can I replace the HID assemblies with Halogen assemblies? Basically, modify the HID wiring harness by replacing the ballast connector with an H7 bulb connector and not even use the leveling motor connector, though I would protect it from the weather (moisture). I've seen someone do it on YouTube but I'm a little concerned about voltage/electrical differences between the HID setup and the Halogen setup. Thanks in advance.
Tuesday, September 3rd, 2019 AT 7:49 AM

5 Replies

Tiny
KASEKENNY
  • MECHANIC
  • 18,907 POSTS
Hi,

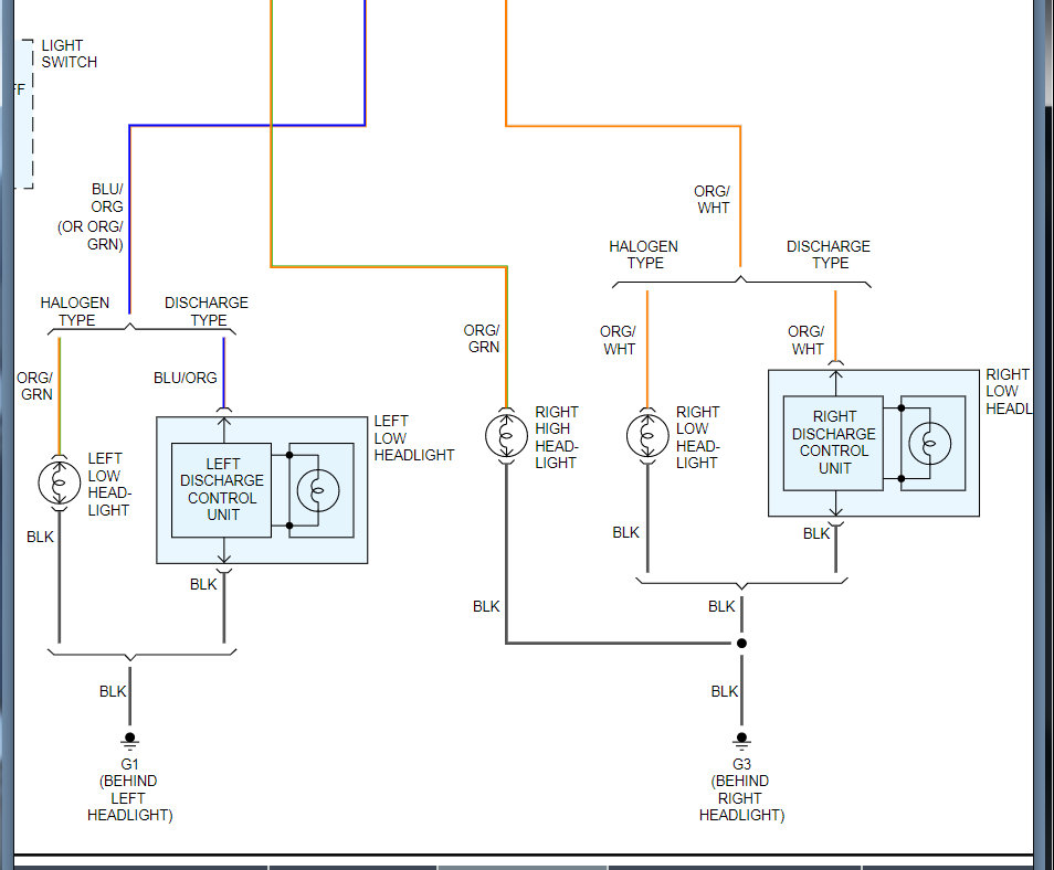
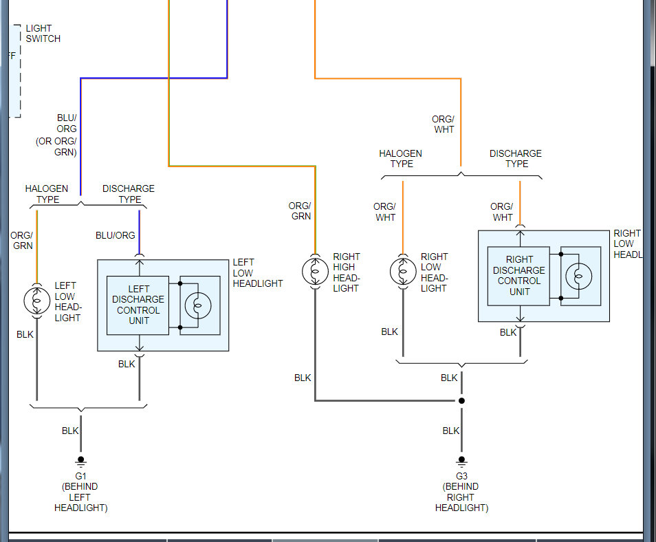
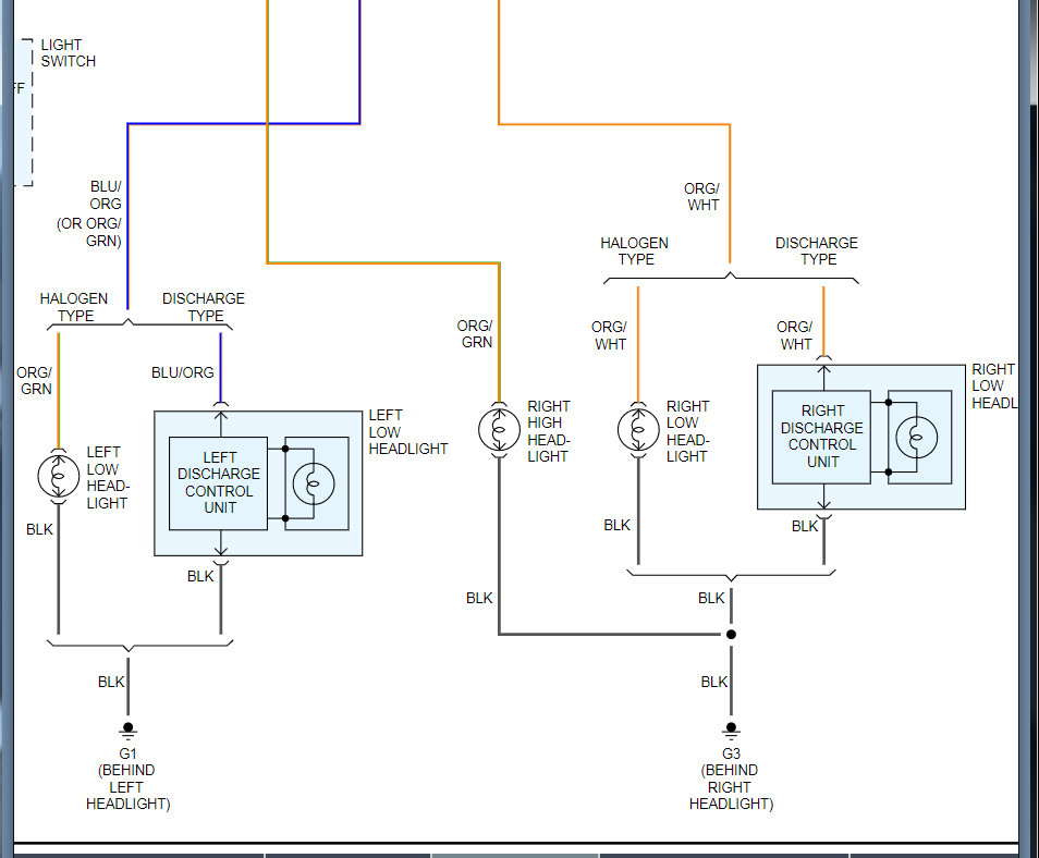
If you take a look at the headlamp diagram that I attached, the high voltage components are contained in the HID unit. As for the rest of the circuit it is the same except for the connectors most likely.

If you remove the complete assembly and wire the halogen lamps in, you should be just fine. It appears your HID lamps are similar to the common set up. Basically, 12 volts is sent to the assembly where it is converter to high voltage by the ballast. This causes an arc that lights the gas just like a neon sign. So if you eliminate the high voltage assembly, then all you are left with is the 12 volts which the halogen uses.

Let me know if you have any questions.
Was this
answer
helpful?
Yes
No
+2
Tuesday, September 3rd, 2019 AT 7:32 PM
Tiny
LWALSH65
  • MEMBER
  • 3 POSTS
Thanks KaseKenny1, I really appreciate you taking the time to answer my questions. I've ordered the Halogen Assemblies, H7 bulbs, sockets and connectors and I'll let you know how this all goes.

Cheers,
lwalsh65
Was this
answer
helpful?
Yes
No
Thursday, September 5th, 2019 AT 8:55 AM
Tiny
KASEKENNY
  • MECHANIC
  • 18,907 POSTS
Sounds great. Appreciate the update. Let us know if you have other issues. Thanks
Was this
answer
helpful?
Yes
No
Thursday, September 5th, 2019 AT 6:36 PM
Tiny
LWALSH65
  • MEMBER
  • 3 POSTS
2004-09 Mazda3 Stock HID to Halogen Headlight Conversion

Here are the steps I took to convert my Mazda 3's stock HID headlights to Halogen headlights.

Parts.
- TYC Headlight Assemblies
- Dorman 645-540 Low Beam Lighting Socket
- BN4G-51-0A1 Headlight Socket Covers (unfortunately these do not come with the housings, and my old HID assemblies don't have them, I picked these up at a local pick-a-part)
- 14 or 16 gauge wire

Basically, you're replacing the Ballast Connector with a Low Beam Bulb Socket, re-using the Indicator Light and High Beam Light connectors and not using the Leveling Motor connector at all.

1. Solder 6 inch pig tails onto (one wire onto each of the prongs, total of 4 for both left and right headlight) the Lighting Sockets
2. Remove the old HID Assemblies (see youtube for videos on this)
3. On the wiring harness, you won't need the connectors for the Leveling Motor, I chose to leave the leveling motor connectors in tack in case someone wants to revert back to HID's but it's important to Weatherproof the Leveling Motor connectors.
4. On the wiring harness, cut off the Ballast Connector and try to leave enough of the wire on the harness so that you can strip off a 1/2 inch of the wire cover
5. Solder the Lighting Socket pigtails to the wires where the Ballast Connector was. NOTE: be sure to slide on the Rubber Socket Covers and any Heat Shrink Tubing before you solder the Lighting Socket to the Wire Harness. It doesn't matter which wire goes to which prong on the socket.
6. Plug in the connectors for the High Beams and Indicator lights.
7. I'd recommend installing all new bulbs (it's a bit of a hassle to access the headlight bulbs on the Mazda 3, removing bumper etc)
8. Test the Headlights, high beams, low beams, indicators and daytime running lights. If it's all good, tidy up the wire splices, shrink the tubing and ensure the splices are weatherproof etc. If the lights don't work be sure to verify that there are no blown fuses. On HID equipped Mazda 3's there is a separate fuse for the left and right low beams.
9. Put your car back together and perform the routine Lens adjustments (see youtube)

I did this over a week ago and everything seems to be fine, I haven't encountered any weird warning lights or electrical issues.

Funny story (sort of), I've been going to the local pick-a-part all summer looking for a used Passenger Side HID, with no luck. As the days are getting shorter I ran out of time, I needed the headlight fixed so I decided on the conversion and ordered the parts. When I realized I didn't have the proper rear head light cover (BN4G-51-0A1) I made another quick trip to the pick-a-part and wouldn't you know it, they had a vehicle there with both of the HID's I was looking for. But I already had the new Halogen Assemblies, son of a moose! Anyone looking for 04-09 Mazda3 Hatch HID Assemblies then message me :)

Thanks KaseKenny1 for your help with the wiring diagram.

Cheers,
lwalsh65
Was this
answer
helpful?
Yes
No
Monday, September 16th, 2019 AT 7:42 AM
Tiny
KASEKENNY
  • MECHANIC
  • 18,907 POSTS
Awesome information. Thanks for adding that. Please come back to 2CarPros next time.
Was this
answer
helpful?
Yes
No
Monday, September 16th, 2019 AT 6:46 PM

Please login or register to post a reply.