Saturday, August 15th, 2020 AT 9:06 AM
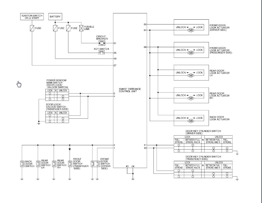
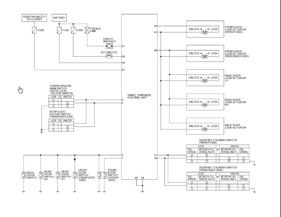
So I changed the battery in key fob and fuses 28, 20 and 5; all locks still don't work. When I press the central locking button in the car or on the fob you can hear a noise coming from some where in the car not sure I think its the relay switch.

