Tuesday, May 10th, 2016 AT 11:33 PM
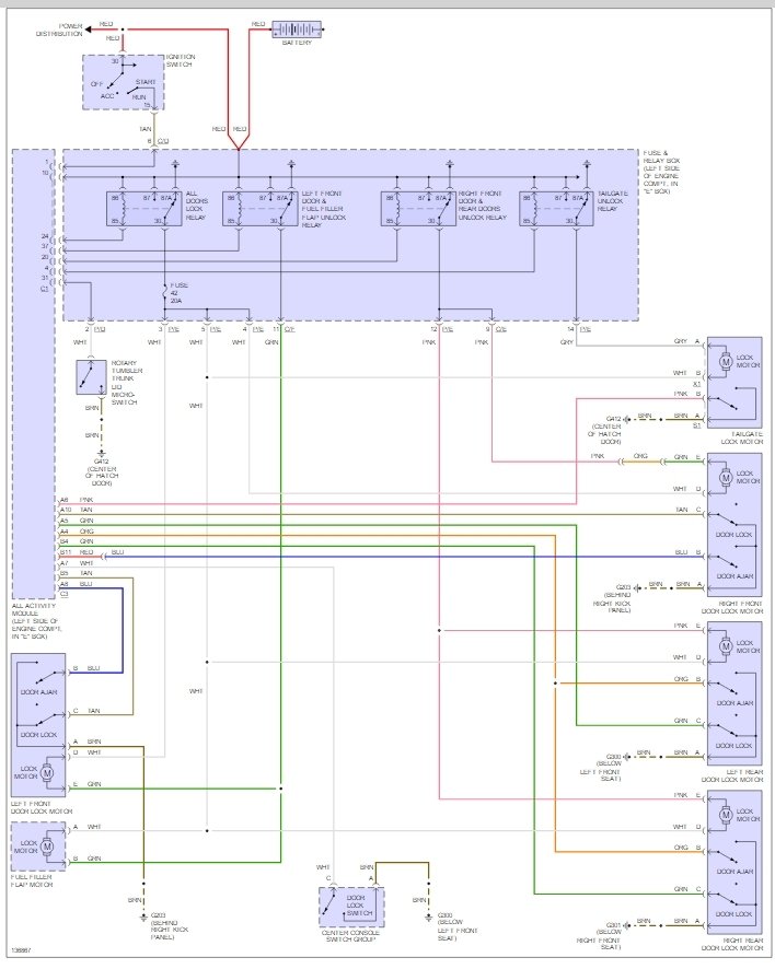
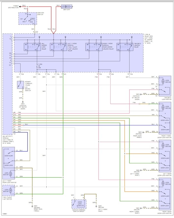
When I insert the key in the driver's door key lock provision on the door, it locks only one door and that is the driver's door and the other doors are not locked, but when I use the central button in the car it locks up all the doors including the driver's door. Please what might be the problem with the system and if possible can you explain with some pictures please.

