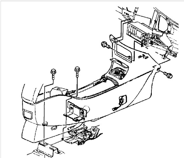
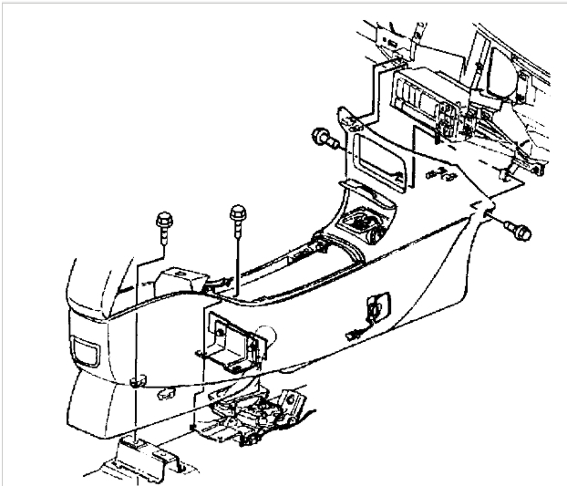
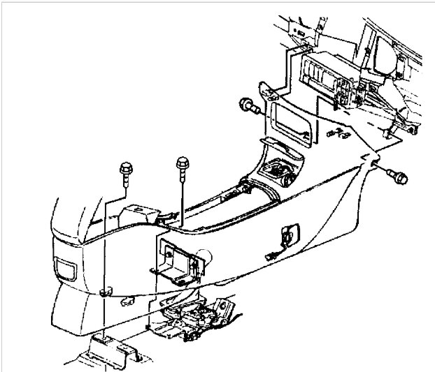
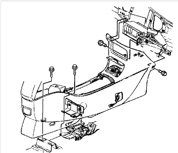
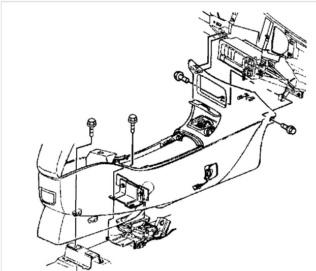
Center console/floor shifter removal

Tiny
THEMAILMAN
  • MEMBER
  • 1999 BUICK REGAL
  • 3.8L
  • V6
  • 2WD
  • AUTOMATIC
  • 130,000 MILES
I'm looking at buying this car and would like to convert it to a front bench seat car if possible. To do so I need to move the console between the current front seats and move the floor shifter. Basically, I need to see as much imaging as possible so I can know what's actually down there before buying the thing.

Also, on a related note, if a car has been overheated to the point of shutting off and then not starting until it cooled for awhile, it likely has a blown head gasket now. Correct?
Sunday, September 7th, 2025 AT 11:32 AM

1 Reply

Tiny
KEN L
  • MASTER CERTIFIED MECHANIC
  • 55,512 POSTS
Please start a new question for the overheated part, we only handle one problem per thread, please post your new question here, you must be logged in.

https://www.2carpros.com/questions/new

As far as the bench seat I like that idea. You just need to find a seat that fits. Here is the instructions on how to remove it. Check out the images (below). Let us know if you need anything else. Please send images once completed, I want to see it! :)
Was this
answer
helpful?
Yes
No
Monday, September 8th, 2025 AT 11:30 AM

Please login or register to post a reply.