Check engine light on, P1004 code

Tiny
JR47
  • MEMBER
  • 2008 CHRYSLER 300
  • 3.5L
  • V6
  • 2WD
  • AUTOMATIC
  • 202,326 MILES
Is it more than likely the actuator that needs to be replaced? The valve does move freely and isn't sticking at all. The car does put off a ticking noise when running and I can feel it when I touch the actuator itself.
Wednesday, February 13th, 2019 AT 5:28 PM

1 Reply

Tiny
ASEMASTER6371
  • MECHANIC
  • 52,796 POSTS
Good morning,

It could be the actuator but needs to be verified after confirming the sensor reference voltage and returns.

You need a scan tool to see if you can manually activate the runner to be sure.

Roy

P1004
Descriptor
Short Runner Valve Control Performance
Probable Causes
5-Volt Supply Circuit Open or High Resistance
Automatic Shut Down (ASD) Relay Output Circuit Open or High Resistance
Powertrain Control Module (PCM)
Sensor Ground Circuit Open or High Resistance
Short Runner Valve (SRV) Assembly
Short Runner Valve (SRV) Control Circuit Open or High Resistance
Short Runner Valve (SRV) Control Circuit Shorted to Ground
Short Runner Valve (SRV) Signal Circuit Open or High Resistance

Diagnostic Test

1. DTC IS ACTIVE
Turn the ignition on.
With the scan tool, Clear DTCs in the Powertrain Control Module (PCM).
With the scan tool, actuate the SRV Solenoid Control State.
With the scan tool, select View DTCs.
Is the status Active for this DTC?

Yes

- Go to 2

No

- Refer to the *CHECKING FOR AN INTERMITTENT DTC Diagnostic Procedure. See: Computers and Control Systems > Symptom Related Diagnostic Procedures > Checking For An Intermittent DTC

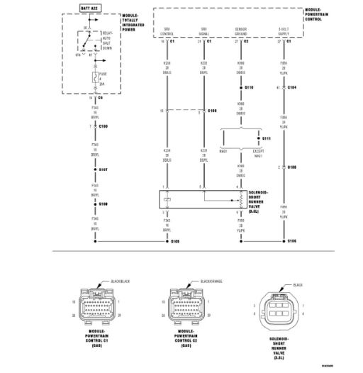
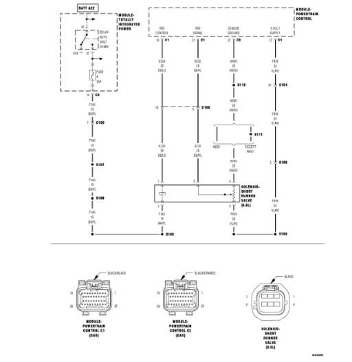
2. (F343) ASD RELAY OUTPUT CIRCUIT OPEN OR HIGH RESISTANCE

imageOpen In New TabZoom/Print

Turn the ignition off.
Disconnect the Short Runner Valve Assembly harness connector.
Turn the ignition on.
With the scan tool, actuate the Auto Shutdown (ASD) Relay Control State.
Using a 12 volt test light connected to ground, check the (F343) ASD Relay Output circuit in the Short Runner Valve Assembly harness connector.

NOTE: The test light should be illuminated and bright. Compare the brightness to that of a direct connection to the battery.

Is the test light illuminated and bright?

Yes

- Go to 3

No

- Repair the (F343) ASD Relay Output circuit for an open circuit or high resistance.
- Perform the PCM Verification Test. See: A L L Diagnostic Trouble Codes ( DTC ) > Verification Tests > Powertrain Verification Test

3. (K236) SRV CONTROL CIRCUIT SHORTED TO GROUND

imageOpen In New TabZoom/Print

Turn the ignition off.
Disconnect the Powertrain Control Module (PCM) connector.
Measure the resistance between ground and the (K236) SRV Control circuit in the Short Runner Valve Assembly harness connector.
Is the resistance above 100 ohms?

Yes

- Go to 4

No

- Repair the (K236) SRV Control circuit for a short to ground.
- Perform the PCM Verification Test. See: A L L Diagnostic Trouble Codes ( DTC ) > Verification Tests > Powertrain Verification Test

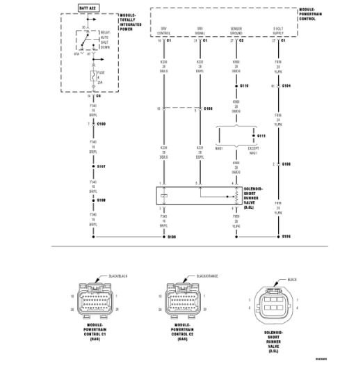
4. (K236) SRV CONTROL CIRCUIT OPEN OR HIGH RESISTANCE

imageOpen In New TabZoom/Print

CAUTION: Do not probe the PCM harness connectors. Probing the PCM harness connectors will damage the PCM terminals, resulting in poor terminal to pin connection. Install Miller Special Tool #8815 to perform diagnosis.

Measure the resistance of the (K236) SRV Control circuit between the Short Runner Valve Assembly harness connector and the appropriate terminal of special tool #8815.
Is the resistance below 5.0 ohms?

Yes

- Go to 5

No

- Repair the (K236) SRV Control circuit for an open circuit or high resistance.
- Perform the PCM Verification Test. See: A L L Diagnostic Trouble Codes ( DTC ) > Verification Tests > Powertrain Verification Test

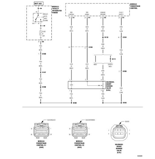
5. SHORT RUNNER VALVE ASSEMBLY

imageOpen In New TabZoom/Print

Connect the Powertrain Control Module (PCM) connector.
Turn the ignition on.
With the scan tool, actuate the SRV Solenoid Control State to toggle.
Using a 12 volt test light connected to 12 volts, check the (K236) SRV Control circuit in the Short Runner Valve Assembly harness connector.

NOTE: If the DTC is active, the actuation test may not be allowed by the PCM. If may be necessary to clear the DTCs before starting the actuation.

NOTE: The test light should illuminate on and off with the actuation.

Does the test light illuminate on and off with the actuation?

Yes

- Replace the Short Runner Valve Assembly.
- Perform the PCM Verification Test. See: A L L Diagnostic Trouble Codes ( DTC ) > Verification Tests > Powertrain Verification Test

No

- Go to 6

6. POWERTRAIN CONTROL MODULE (PCM)
Using the wiring diagram/schematic as a guide, inspect the wiring and connectors between the Short Runner Valve Assembly and the Powertrain Control Module (PCM).
Look for any chafed, pierced, pinched, or partially broken wires.
Look for broken, bent, pushed out or corroded terminals.
Search for any Technical Service Bulletins that may apply.
Were any problems found?

Yes

- Repair as necessary.
- Perform the PCM Verification Test. See: A L L Diagnostic Trouble Codes ( DTC ) > Verification Tests > Powertrain Verification Test

No

- Replace and program the Powertrain Control Module (PCM).
- Perform the PCM Verification Test. See: A L L Diagnostic Trouble Codes ( DTC ) > Verification Tests > Powertrain Verification Test
Was this
answer
helpful?
Yes
No
Thursday, February 14th, 2019 AT 4:46 AM

Please login or register to post a reply.