Codes Po0420, po0455 and po0441, cars stalls at red lights?

Tiny
JENB13
  • MEMBER
  • 2015 HYUNDAI ACCENT
  • 0.5L
  • 4 CYL
  • AUTOMATIC
  • 174,000 MILES
My car seems to stall worse after getting fuel. It stalls while sitting at red lights or when braking slowly around corners. It restart’s easy but sometimes after restarting the tachometer won’t work until I restart again. Only once has it stalled with my foot on the gas traveling at 55 MPH. It has thrown 3 codes recently as engine light comes on randomly. Po0420, po0455, po0441.
Any ideas? I’ve taken it to an auto shop twice and all the diagnostics are good. Help, is it dangerous as I’ve came close to get rear ended several times.
Wednesday, March 8th, 2023 AT 2:23 PM

6 Replies

Tiny
JACOBANDNICKOLAS
  • MECHANIC
  • 110,194 POSTS
Hi,

Two of the codes are related to an evaporative emissions system large leak. Have you ever noticed a fuel smell? Also, I suspect the P0441 and P0455 are causing the P0420.

A large leak in the EVAP system is usually not difficult to find. Check to make sure the fuel cap is tight first. If it is, remove it and check where it mounts for corrosion that may cause a leak.

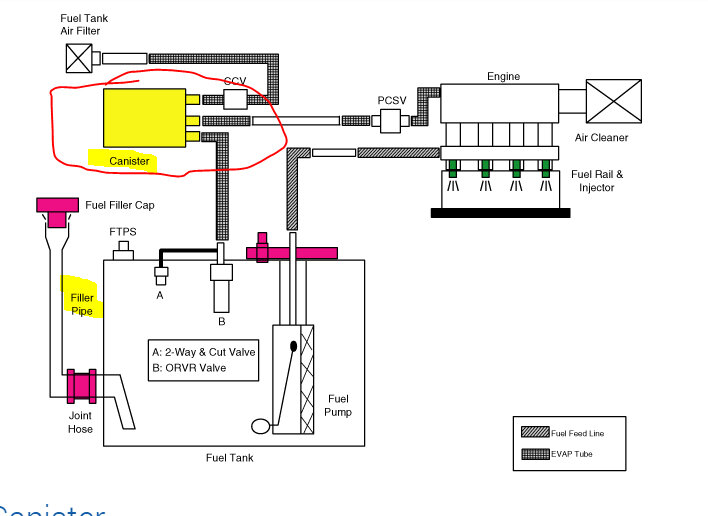
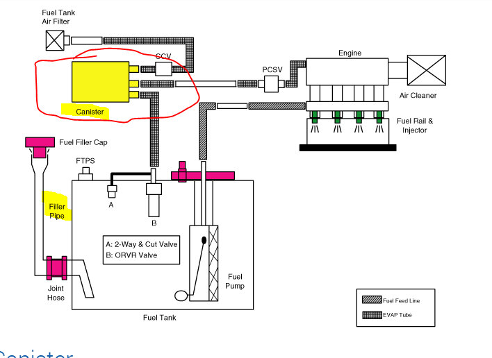
If that is in good condition, inspect the filler tube for any rust issues and the charcoal canister located under the vehicle in front of the fuel tank. Check the hoses to it making sure they are connected and not damaged. (See pic 1)

Let me know what you find or if you have questions.

Take care,

joe

See pics below.
Was this
answer
helpful?
Yes
No
Wednesday, March 8th, 2023 AT 9:25 PM
Tiny
JENB13
  • MEMBER
  • 5 POSTS
Thanks, I will have these checked and definitely let you know. Thanks again.
Was this
answer
helpful?
Yes
No
Thursday, March 9th, 2023 AT 2:43 AM
Tiny
JENB13
  • MEMBER
  • 5 POSTS
Update: I can’t get it into the shop until the middle of the upcoming week.
But now every time it stalls the Tachometer doesn’t work when I crank the car (only after stalling) and then the A/C won’t blow cold when the Tach is not working. So, I have to pull over. Turn the car off and crank it up again and the Tach and A/C will work until the next stall.
This is so frustrating.
Was this
answer
helpful?
Yes
No
Friday, March 10th, 2023 AT 6:56 AM
Tiny
JACOBANDNICKOLAS
  • MECHANIC
  • 110,194 POSTS
Hi,

The idea that the tach stops working sounds like a faulty crankshaft position sensor. Do me a favor. Take a look through this link and let me know if anything seems to mirror what you experience:

https://www.2carpros.com/articles/symptoms-of-a-bad-crankshaft-sensor

If you feel it does, I suggest replacing the sensor to see if that stops the stalling. I attached the directions below for replacing it on your vehicle.

Let me know your thoughts.

Take care,

Joe

See pics below.
Was this
answer
helpful?
Yes
No
Friday, March 10th, 2023 AT 9:17 PM
Tiny
JENB13
  • MEMBER
  • 5 POSTS
Thanks so much.
Yes, that describes what’s going on with my car. I will update after it’s replaced. Much appreciated.
Was this
answer
helpful?
Yes
No
Saturday, March 11th, 2023 AT 1:47 AM
Tiny
JACOBANDNICKOLAS
  • MECHANIC
  • 110,194 POSTS
Hi,

You are very welcome. I hope that resolves the problems.

Take care and let me know.

Joe
Was this
answer
helpful?
Yes
No
Saturday, March 11th, 2023 AT 6:11 PM

Please login or register to post a reply.