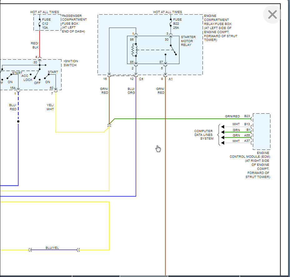
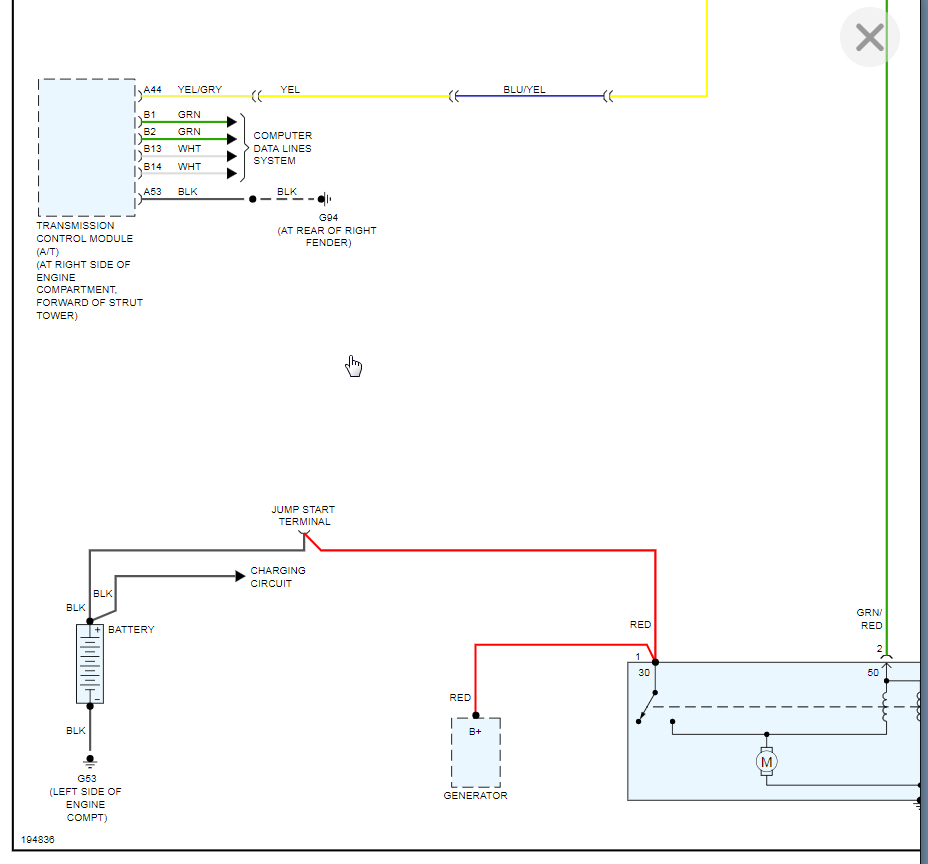
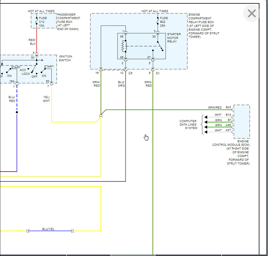
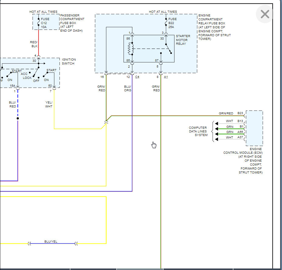
Car will not turn over tested all fuses and none are blown

Tiny
RUKUS801
  • MEMBER
  • 2004 VOLVO XC90
  • 2.9L
  • 6 CYL
  • TURBO
  • 4WD
  • AUTOMATIC
  • 185,000 MILES
Tested all fuses and none are blown, however some aren't receiving power including the fuel pump.
Thursday, January 23rd, 2020 AT 1:35 PM

1 Reply

Tiny
KASEKENNY
  • MECHANIC
  • 18,907 POSTS
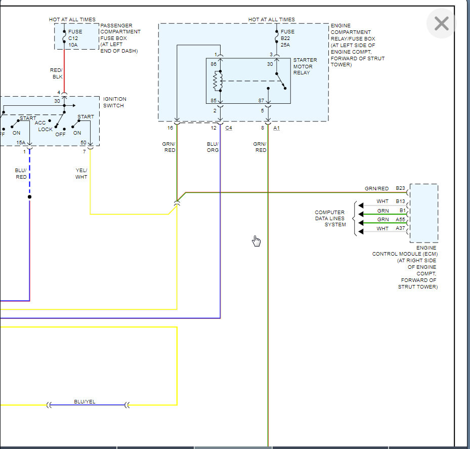
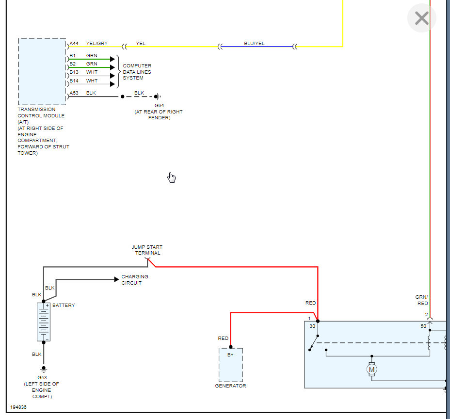
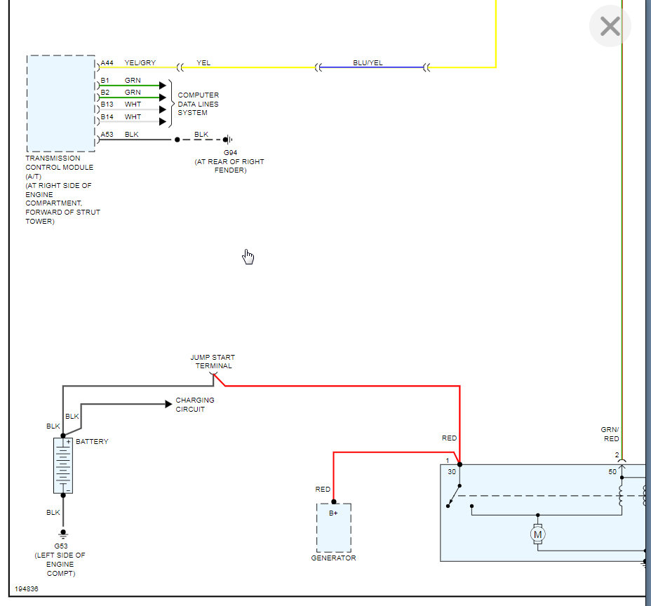
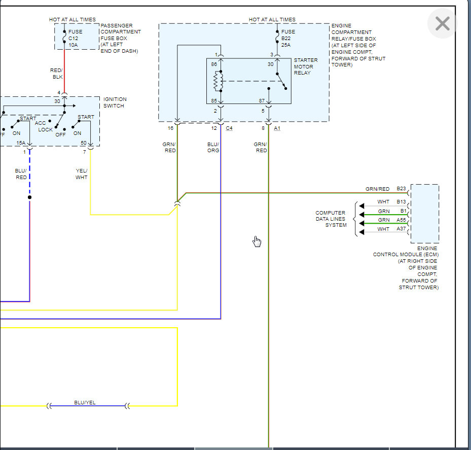
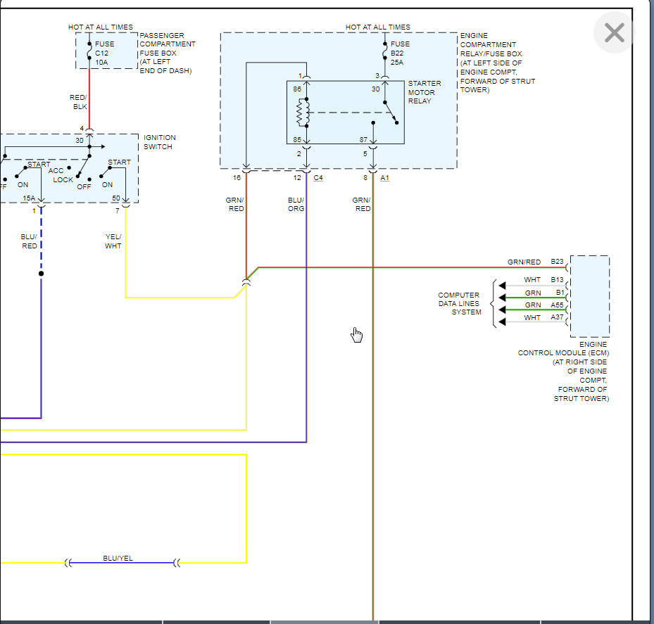
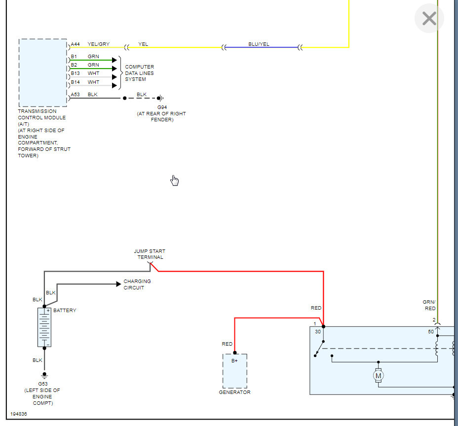
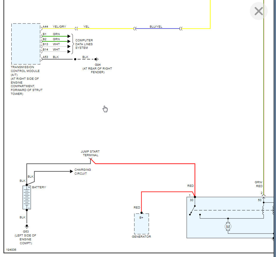
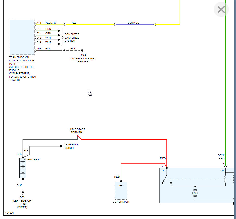
We need to clarify where you are not getting power because that will make a big difference. If you are looking at the wiring diagram, you should have power at all times on fuse 25 which is for the fuel pump relay. If you have no power on this fuse then you have an issue in the fuse box or from the battery to this fuse box. This is a rare issue so that is why we need to make sure we are on the same page.

Even if this is the case, it will cause the car to not start but will not prevent it from turning over. However, if you don't have power to the starter then it will not turn over. Clearly there are other causes but based on what you are seeing we need to chase this down first.
Was this
answer
helpful?
Yes
No
Wednesday, May 5th, 2021 AT 9:55 AM

Please login or register to post a reply.