Sunday, April 14th, 2024 AT 8:33 PM
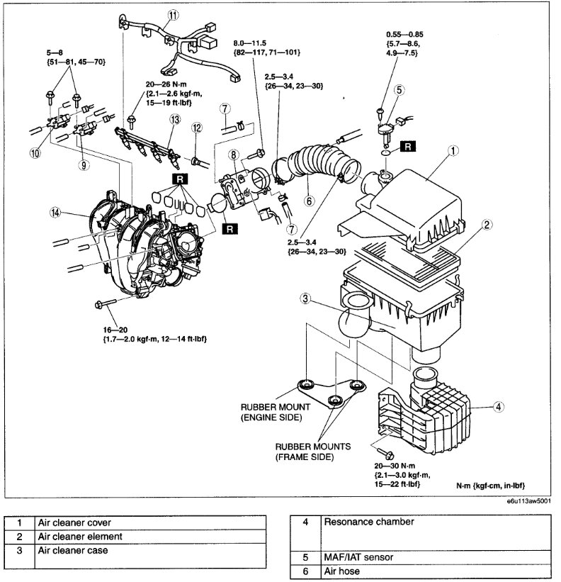
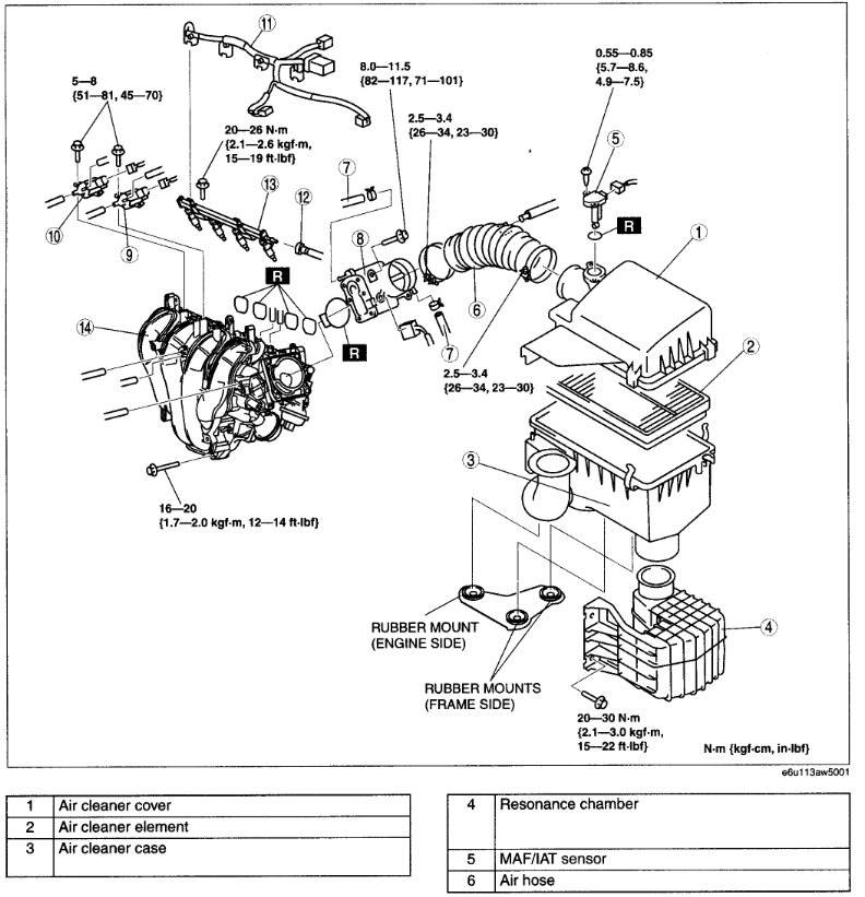
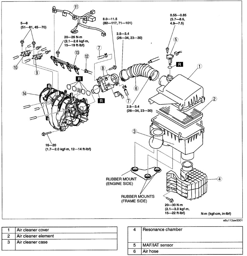
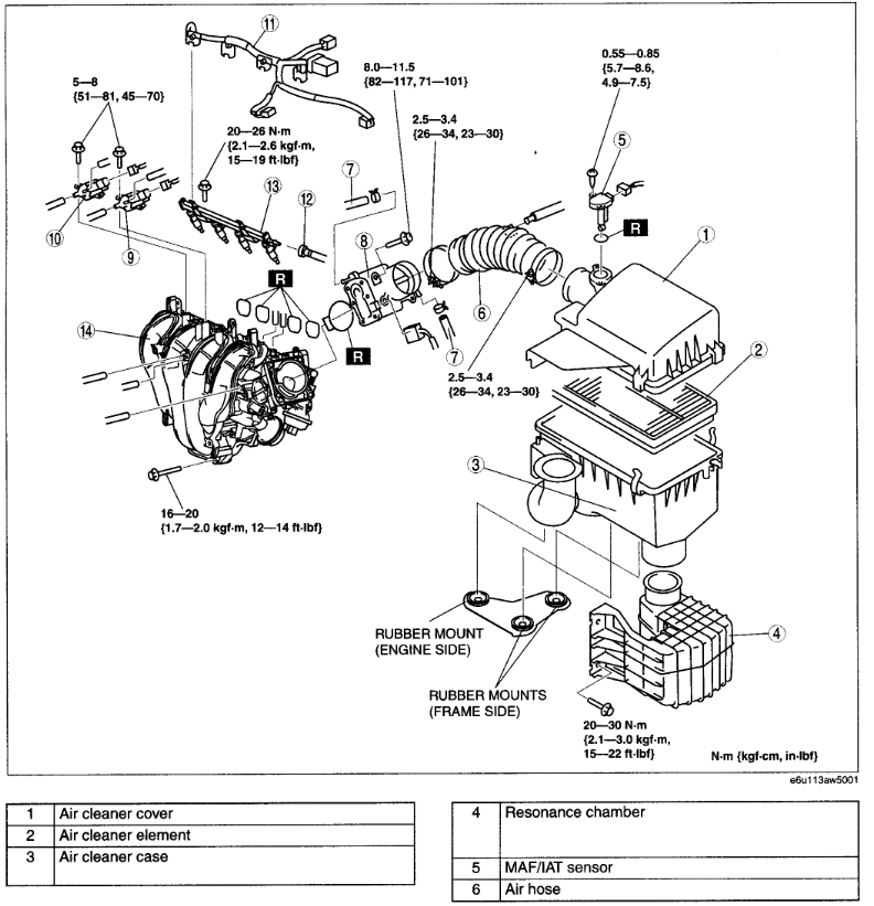
The car starts but will only stay running with my foot on the gas. I pulled the codes got p2009. I replaced the runner solenoids, checked vacuum hose, s and replace MAP sensor. I can't seem to keep it running still.



