Saturday, July 28th, 2018 AT 9:32 PM
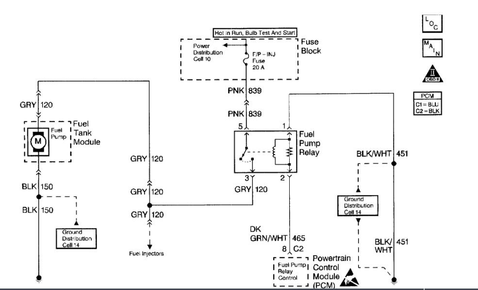
Ran car out of gas, put fuel in it still would not start. Replaced fuel pump, fuel filter and checked to see if the relay switch clicked when key was turned on. Still no fuel. Pour a little gas into it it will run until the gas burns off. Checked fuel pressure regulator also. Got any ideas?


