Friday, July 2nd, 2021 AT 4:42 AM
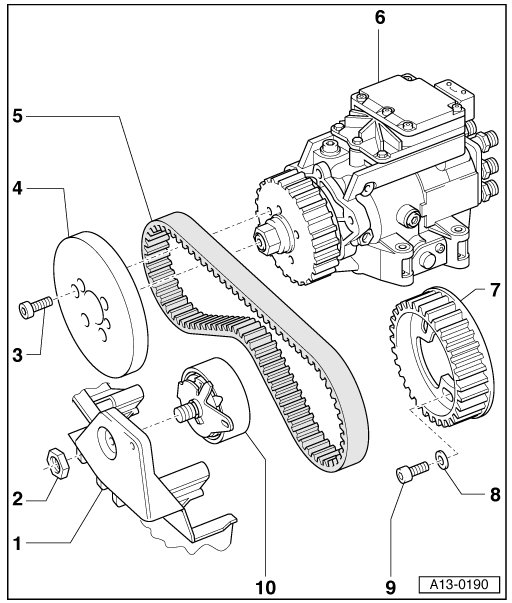
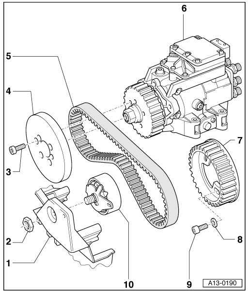
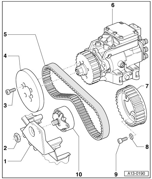
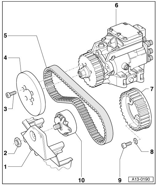
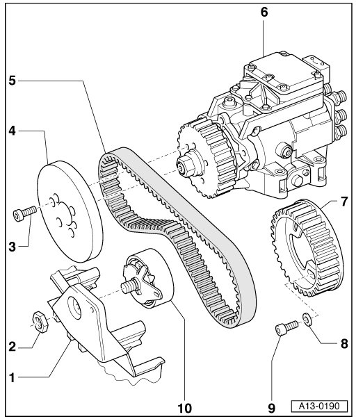
Car started to go into limp mode had diagnostic on it which showed some codes which related to fuel pump. Fuel pump was taken off all seals changed and also turbo was replaced with new one and now car wont start. Fuel is getting to the injectors and when spray easy start into it, it will start but soon as stop spraying will cut out. It will crank over okay too but don't understand why wont continue to run.







