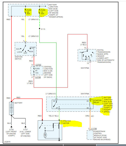
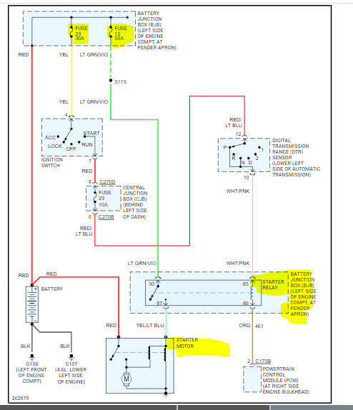
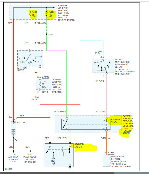
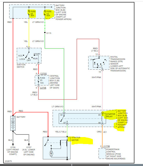
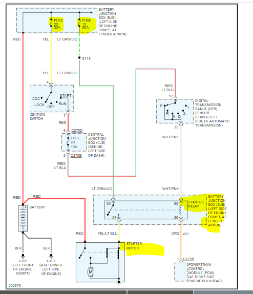
After towing it home, it did not turn over at all, however, the lights etc in the car still come on. So, we pulled the starter and noticed that the wire between the solenoid and body was broken so we repaired it and then reinstalled the starter.
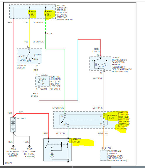
At this point we recharged the battery, and the engine turns over for a moment then quickly loses power and won't turn over again.
Any help will be greatly appreciated.
~Debbie
Sunday, August 18th, 2024 AT 11:33 AM



