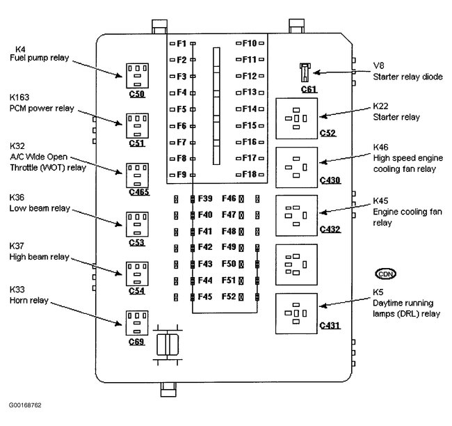
Monday, February 19th, 2018 AT 5:46 AM
I had to change the serpentine belt and serpentine tension-er pulley and idler pulley. And then I drove it. The next morning I went out to warm the car up and I let it run for about fifteen minutes. Well when I went back out I turned on the heat and the dash lights came on and no heat was coming out. Then I seen the dash light going dim. So I turned the car off and popped the hood. And seen that the serpentine belt came off. Well I put the belt back on and now it will not start any suggestions







