Car will not start, where is the fuse for the starter located?

Tiny
JAKE JONES2
  • MEMBER
  • 2014 FIAT 500
  • 1.2L
  • 3 CYL
  • 2WD
  • MANUAL
  • 60,000 MILES
Changed battary new starter but car won’t get power to start I can’t find the right fuse for the starter
Saturday, January 28th, 2023 AT 8:36 AM

1 Reply

Tiny
JACOBANDNICKOLAS
  • MECHANIC
  • 110,194 POSTS
Hi,

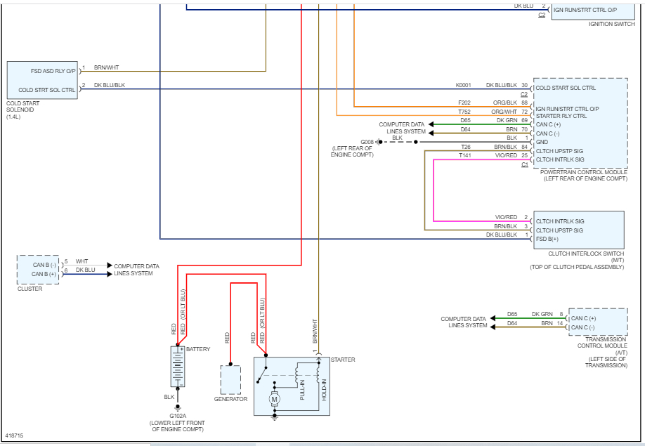
If you look below, I attached the wiring schematic for the starter circuit. I do have a question. I went through every Fiat 500 package, and all came with a 1.4L. By chance, did you make a mistake or typo?

Regardless, take a look at the schematic. There are two fuses, 3 and 16. Both are located under the hood. Also, that is where the starter relay is located as well.

Let me know if this helps or if you have other questions.

Take care,

Joe

See pics below.
Was this
answer
helpful?
Yes
No
Saturday, January 28th, 2023 AT 10:33 PM

Please login or register to post a reply.