Monday, February 15th, 2021 AT 4:33 PM
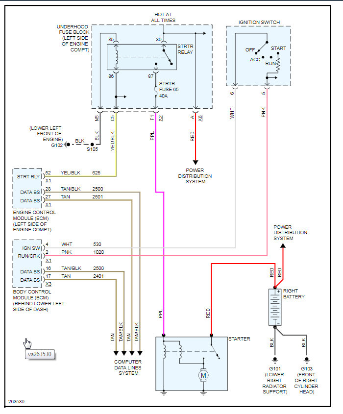
Charging system light came on. I was told the battery needed charged. Charged it and light was still coming on. Once I shut the vehicle off it would not start back up. Wouldn't even begin to crank; then I noticed the door locks weren't working, no dome light, and no brake lights. Most other electrical works. Replaced battery and same results started looking at the wiring and fuses but can't find anything other than these two wiring connectors pictured. They were hanging loose with nothing to plug in to.

