Car stereo wiring harness

Tiny
PCULQUI
  • MEMBER
  • 1999 BUICK REGAL
  • 3.8L
  • V6
  • 2WD
  • AUTOMATIC
  • 124,000 MILES
Yes, I would like to know the wiring set up on the factory radio wiring harness. Just want to know if there is a steering wheel control wire in the harness or is it separate from the harness.
Also, is the amp and sub-woofer in this vehicle and if yes, where would they be?
Friday, October 11th, 2019 AT 8:32 AM

4 Replies

Tiny
DANNY L
  • MECHANIC
  • 5,648 POSTS
Hello, I'm Danny.

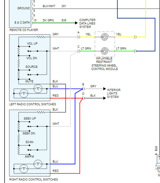
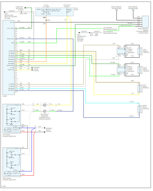
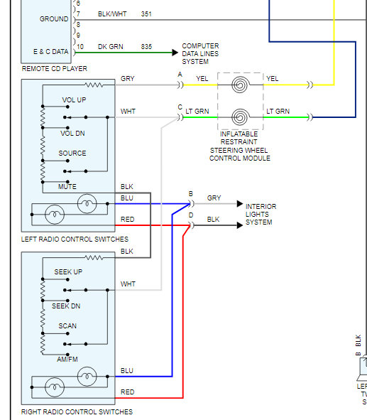
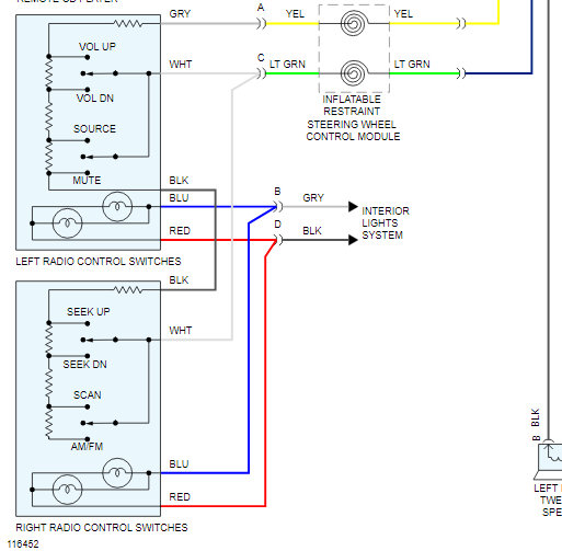
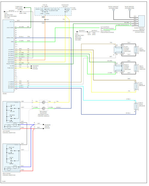
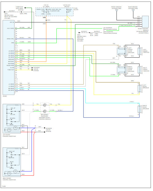
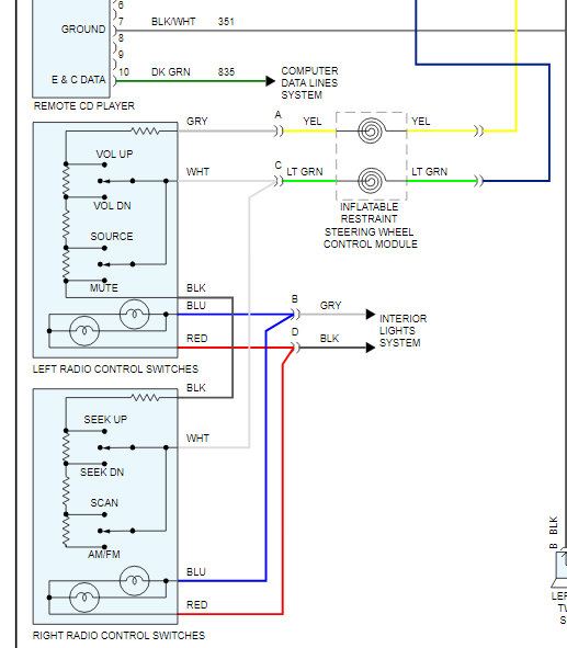
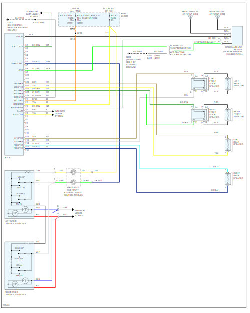
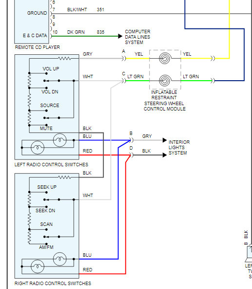
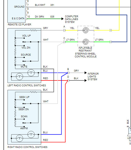
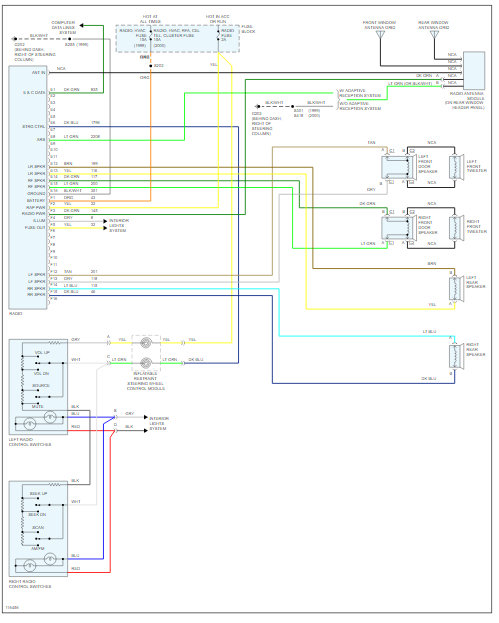
I've attached pictures below of the wiring diagrams you've requested. The first picture is system with an amplifier and the second picture is without. Third picture is of steering wheel controls and last picture is where amplifier would be located if equipped. Hope this helps and thanks for using 2CarPros.

Danny-
Was this
answer
helpful?
Yes
No
Friday, October 11th, 2019 AT 1:19 PM
Tiny
PCULQUI
  • MEMBER
  • 354 POSTS
Can you send me a list of just each color wire in the radio harness and what each one does? Also, the same for the steering wheel controls. I can't see anything with these diagrams because everything is so small and when I enlarge it, it's worse. Everything gets pixelated.
Was this
answer
helpful?
Yes
No
Saturday, October 12th, 2019 AT 4:50 AM
Tiny
PCULQUI
  • MEMBER
  • 354 POSTS
I basically want to know if the steering wheel controls are in the radio harness so I can connect the steering wheel wire that came with my aftermarket radio to it.
Was this
answer
helpful?
Yes
No
Saturday, October 12th, 2019 AT 4:51 AM
Tiny
DANNY L
  • MECHANIC
  • 5,648 POSTS
Hello again.

I've blown up the wiring diagram to a larger size that I've sent prior. It's color coded as well. Hope this helps and thanks again for using 2CarPros.

Danny-
Was this
answer
helpful?
Yes
No
Saturday, October 12th, 2019 AT 4:54 PM

Please login or register to post a reply.