Friday, July 19th, 2019 AT 7:22 PM
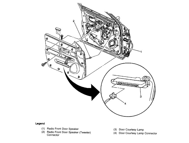
On the car listed above LS model, when replacing front door speakers and tweeters, do the door panels have to be removed or can the speaker enclosures be removed by themselves?











