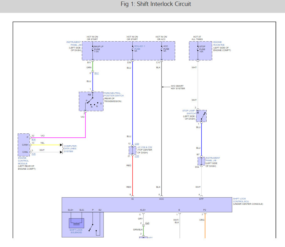
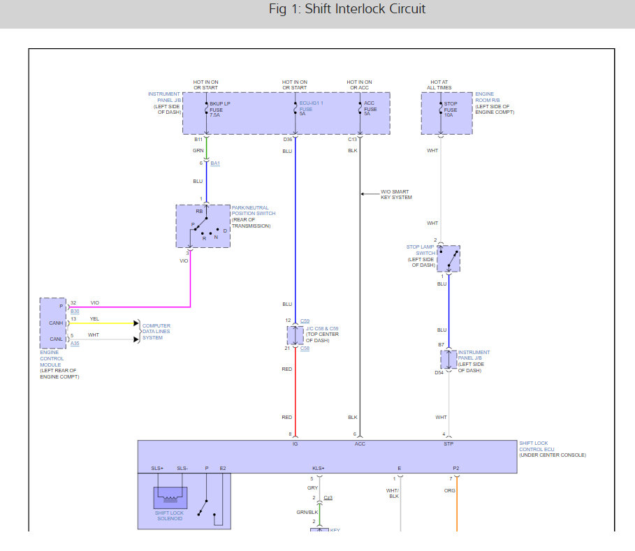
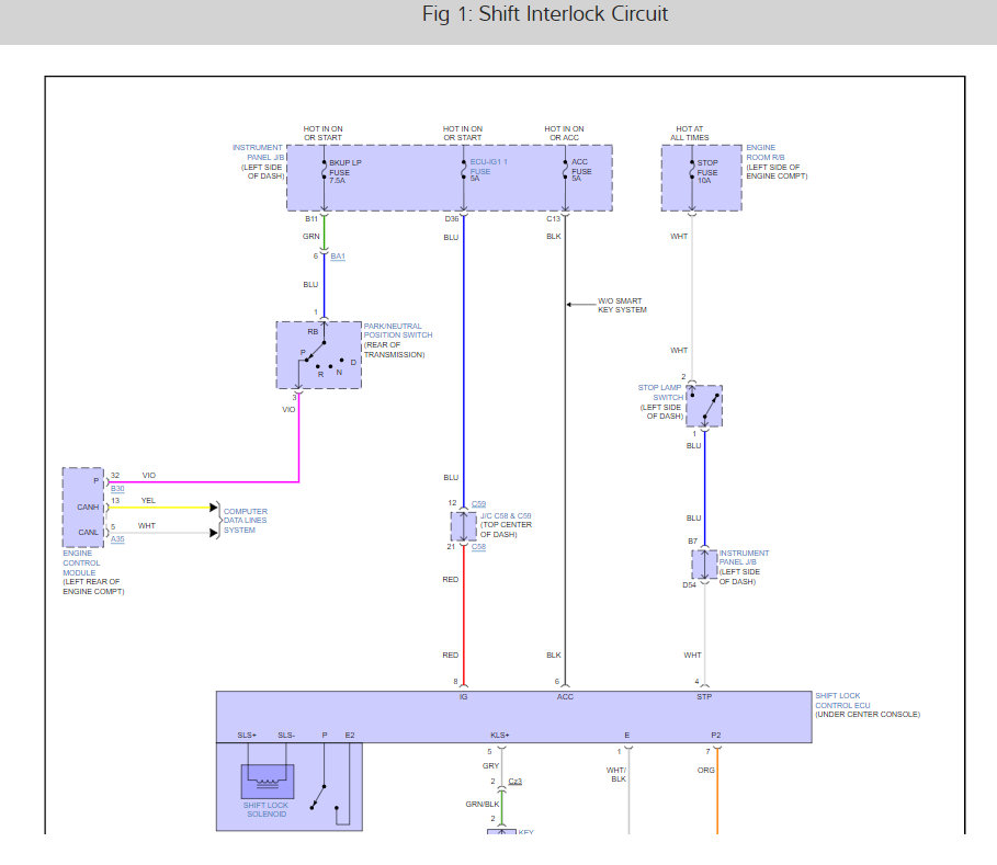
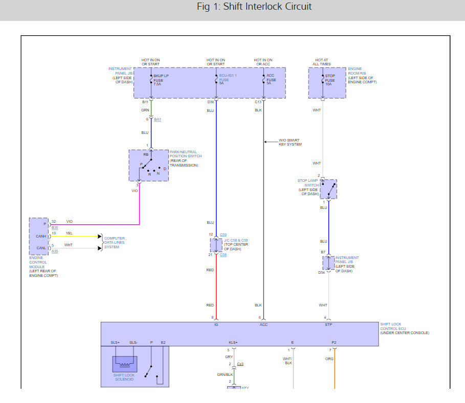
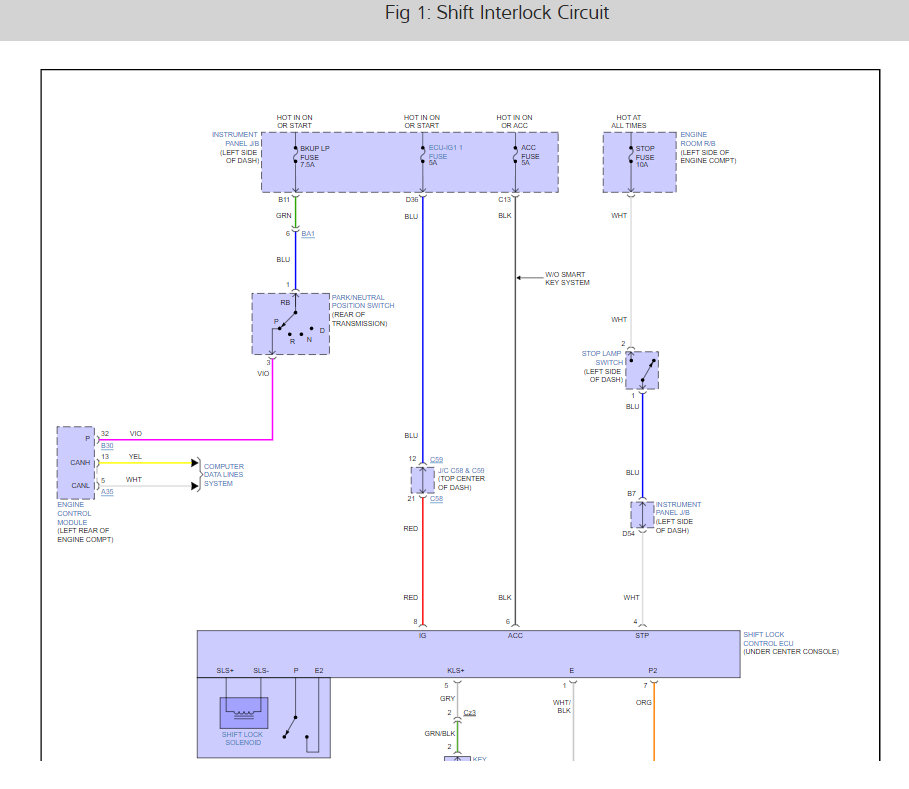
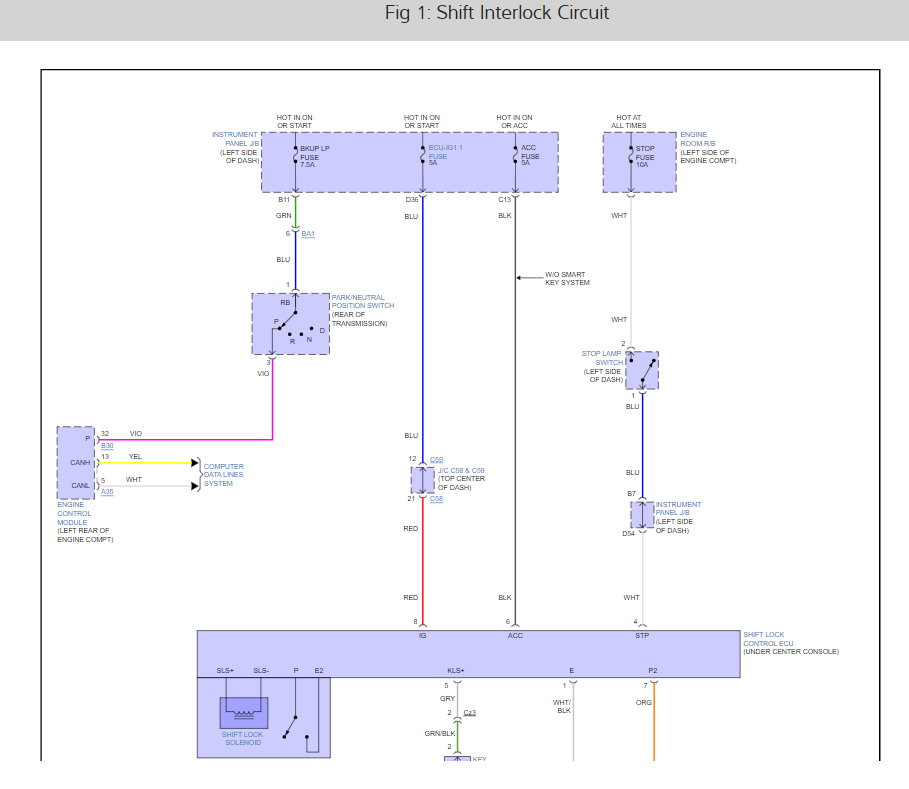
2 months ago, it started immediately with a boost. The battery was (practically drained). When it started there was a burning-type smell that came from under the hood briefly. The(auto) shifter would not go into drive or neutral but would reverse but extremely stiff.
Fast forward to last week a brand-new battery was installed by a mobile service tech. However, it wouldn't start (no sound). The tech did a few tests and determined: a full charge going to the battery, shift release not working, as well as power windows. Noted check for broken ground, fuse, potential rodent.
Is there anything else that should be considered here? I'm not sure if these issues are somehow all related or more separate. I plan to get it towed to a mechanic today. I'm not a mechanically inclined person and looking to stay in contact with a qualified expert to provide a 3rd perspective throughout the process. Hoping to hear from you.
Monday, August 29th, 2022 AT 10:14 PM










